小度生活
首页
美食营养
手工爱好
生活家居
返回
小度生活
首页
美食营养
游戏数码
手工爱好
生活家居
健康养生
运动户外
职场理财
情感交际
母婴教育
时尚美容
知识问答
生活知识
生活百科
搜索
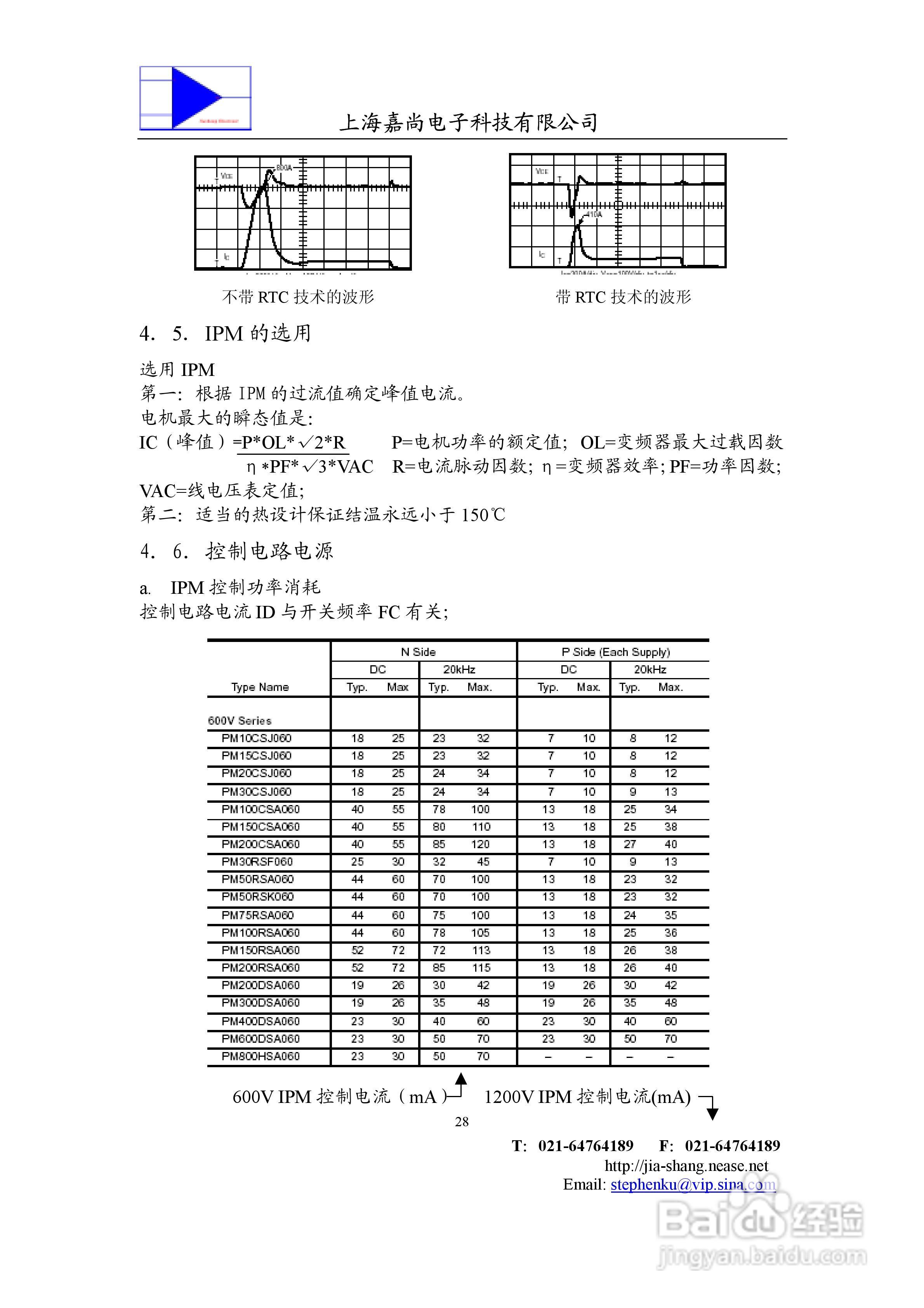
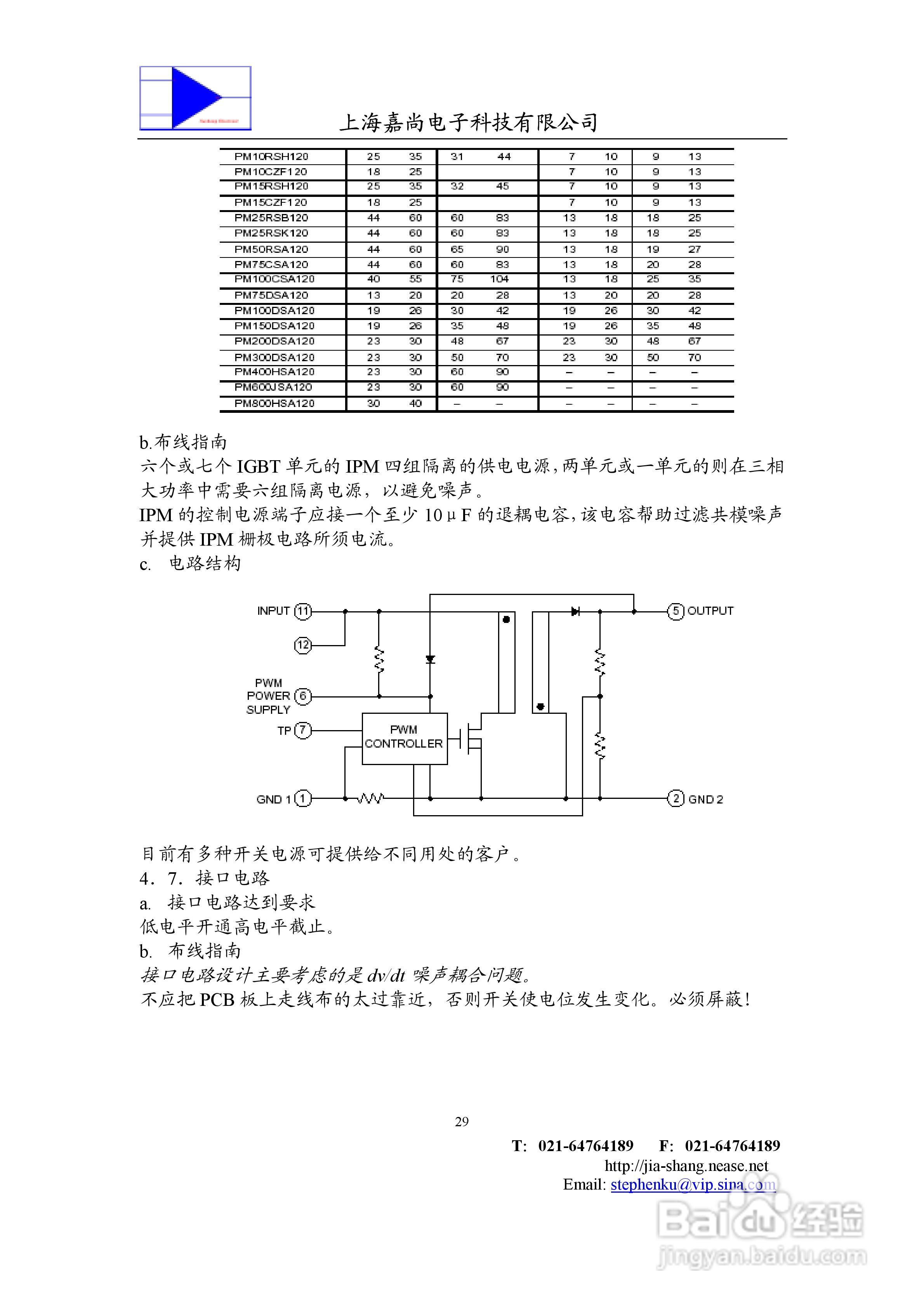
IPM智能功率模块使用手册:[3]
2026-04-22 03:11:50
本篇为《IPM智能功率模块使用手册》,主要介绍该产品的使用方法以及常见故障解决方案。
(共篇)
上一篇:
|
下一篇:
声明:
本网站引用、摘录或转载内容仅供网站访问者交流或参考,不代表本站立场,如存在版权或非法内容,请联系站长删除,联系邮箱:site.kefu@qq.com。
相关推荐
IPM智能功率模块使用手册:[4]
阅读量:24
ipm 氢离子能量仪使用方法
阅读量:109
E9300B功率感测器使用手册:[3]
阅读量:110
IPM智能纸尿裤——智能扣连接方法
阅读量:24
V3500A功率表使用手册:[3]
阅读量:35
猜你喜欢
精索静脉曲张怎么治疗
相对误差怎么算
透视表怎么做
虾怎么吃
蝴蝶怎么飞
毕加索钢笔怎么样
山药粉怎么吃
癫痫病是怎么引起的
地狱传送门怎么做
家暴怎么办
猜你喜欢
怎么减小肚腩
qq怎么绑定闺蜜关系
怎么摇号
怎么除蟑螂
牙齿黄怎么变白
怎么用ps去水印
腰椎间盘突出怎么治
怎么看cpu温度
家长意见怎么写最简单
久咳不愈怎么办