小度生活
首页
美食营养
手工爱好
生活家居
返回
小度生活
首页
美食营养
游戏数码
手工爱好
生活家居
健康养生
运动户外
职场理财
情感交际
母婴教育
时尚美容
知识问答
生活知识
生活百科
搜索
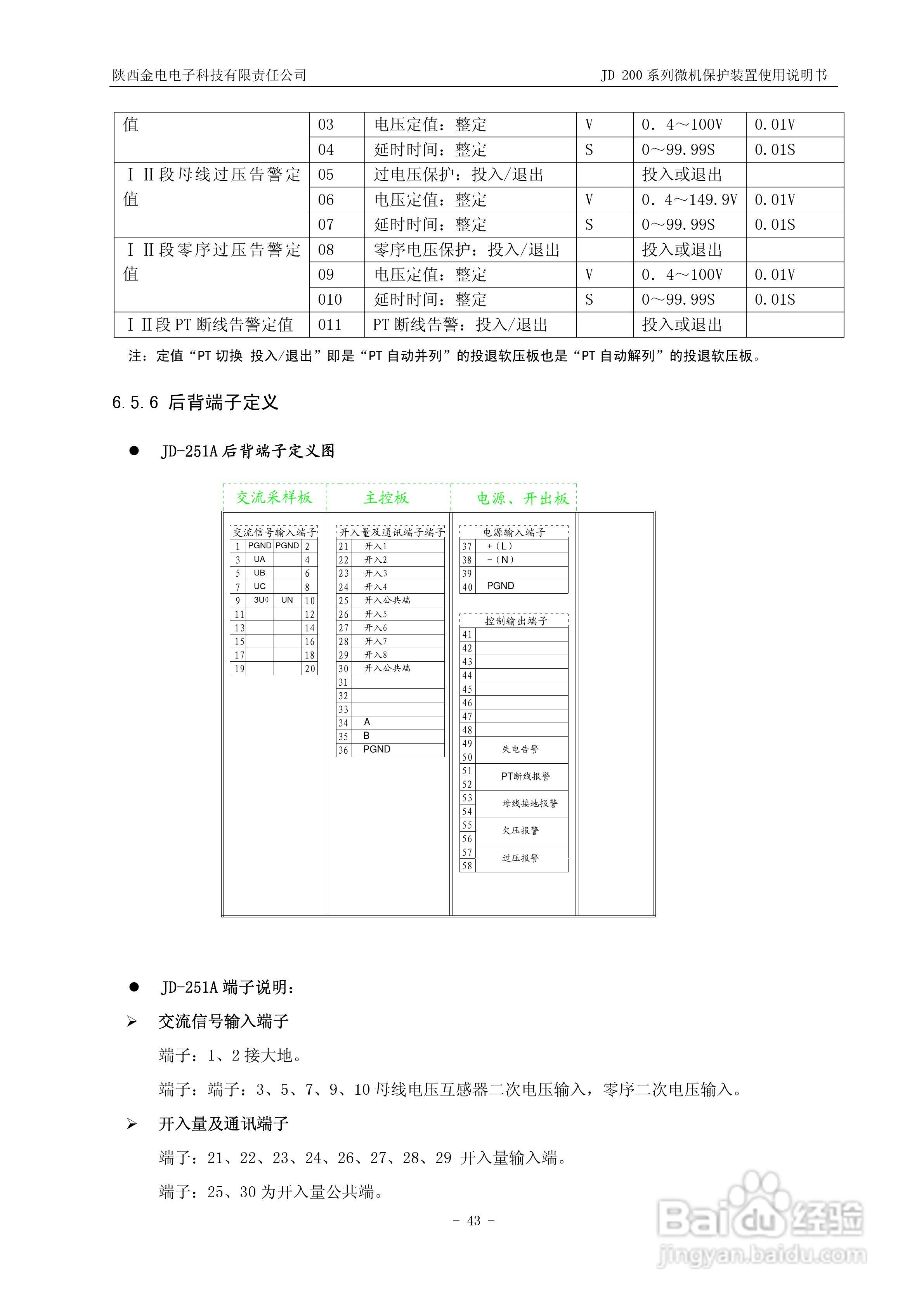
JD-211C微机保护装置使用说明书:[5]
2026-05-09 07:46:36
本篇为《JD-211C微机保护装置使用说明书》,主要介绍该产品的使用方法以及常见故障解决方案。
(共篇)
上一篇:
|
下一篇:
声明:
本网站引用、摘录或转载内容仅供网站访问者交流或参考,不代表本站立场,如存在版权或非法内容,请联系站长删除,联系邮箱:site.kefu@qq.com。
相关推荐
JD曲面上线步骤
阅读量:48
JD曲线阵列使用
阅读量:96
如何安装jd-gui
阅读量:167
JD矩形阵列的使用
阅读量:177
JD圆形阵列使用
阅读量:129
猜你喜欢
广漠的意思
2会什么时候开
石敢当是什么意思
香蕉什么时间段吃最好
什么是小非农
家庭养殖养什么赚钱
一清二白的意思
shine是什么意思
襁褓的意思
仓储费计入什么科目
猜你喜欢
wolf是什么意思
丝绸之路是什么意思
六神无主是什么意思
kbps是什么意思
融券卖出是什么意思
历练的意思
诗兴不作的意思
at all是什么意思
电脑卡死了按什么键
血糖高要多吃什么