小度生活
首页
美食营养
手工爱好
生活家居
返回
小度生活
首页
美食营养
游戏数码
手工爱好
生活家居
健康养生
运动户外
职场理财
情感交际
母婴教育
时尚美容
知识问答
生活知识
生活百科
搜索
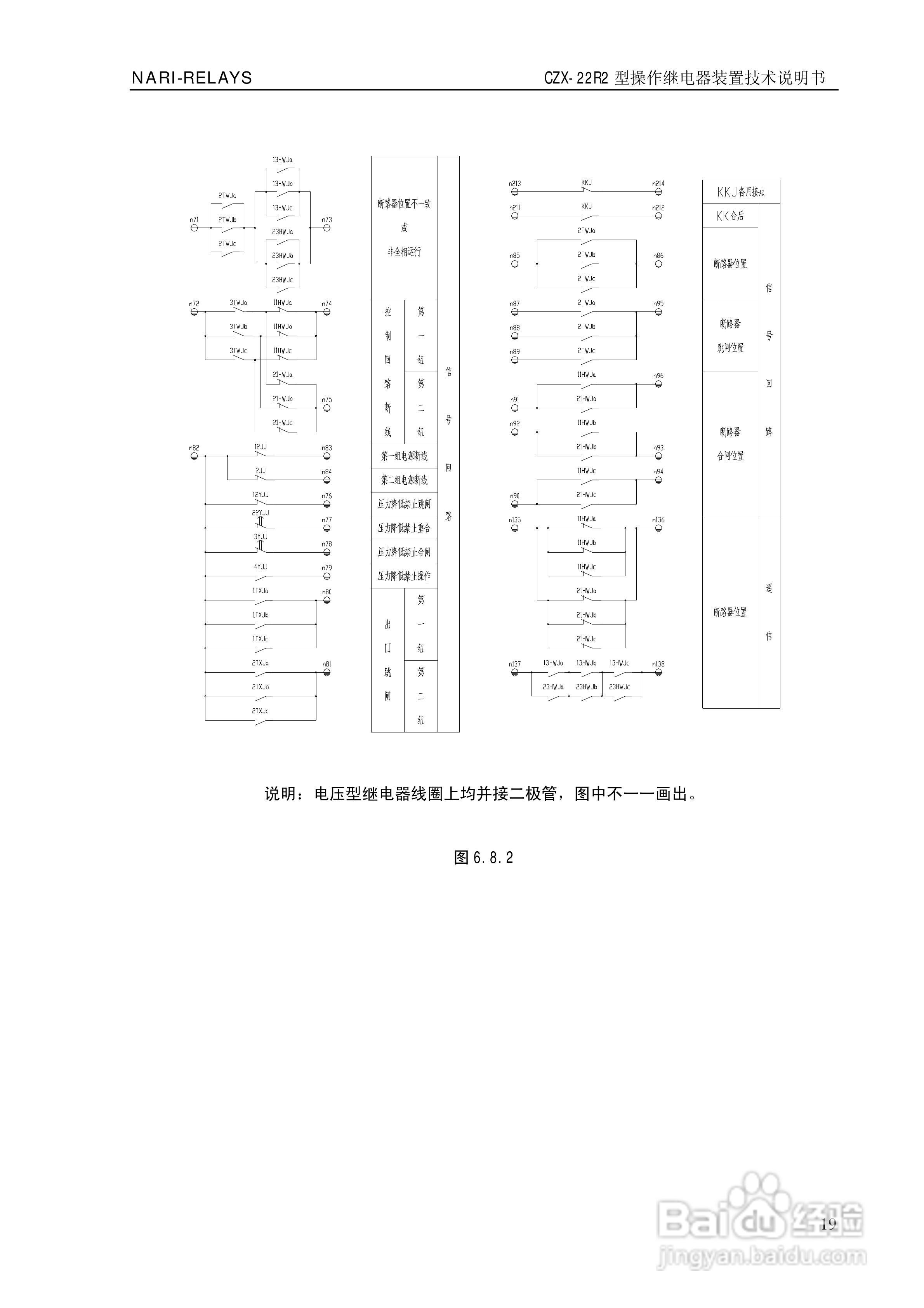
南瑞继保CZX-22R2型操作继电器装置技术说明书:[3]
2026-04-15 04:17:05
本篇为《南瑞继保CZX-22R2型操作继电器装置技术说明书》,主要介绍该产品的使用方法以及常见故障解决方案。
(共篇)
上一篇:
声明:
本网站引用、摘录或转载内容仅供网站访问者交流或参考,不代表本站立场,如存在版权或非法内容,请联系站长删除,联系邮箱:site.kefu@qq.com。
相关推荐
南瑞继保CZX-11R2型操作继电器装置技术说明书:[3]
阅读量:181
南瑞继保CZX-11R2型操作继电器装置技术说明书:[2]
阅读量:174
南瑞继保CZX-11R2型操作继电器装置技术说明书:[1]
阅读量:41
CZX-12R2型操作继电器装置技术说明书:[2]
阅读量:167
CZX-12R2型操作继电器装置技术说明书:[1]
阅读量:95
猜你喜欢
owner是什么意思
运动会广播稿跳远
喜出望外的意思是什么
退伍证有什么用
金屋藏娇是什么生肖
夜书所见的书是什么意思
床单什么面料好
什么颜色的车最安全
火鹤花的养殖方法
steel是什么意思
猜你喜欢
喝什么解辣
玩物丧志是什么意思
什么是计划经济
爱是什么作文
小孩磨牙是什么原因
weight什么意思
出水芙蓉是什么意思
三个鬼叫什么
女人性冷淡是什么原因
秋天的雨是什么