小度生活
首页
美食营养
手工爱好
生活家居
返回
小度生活
首页
美食营养
游戏数码
手工爱好
生活家居
健康养生
运动户外
职场理财
情感交际
母婴教育
时尚美容
知识问答
生活知识
搜索
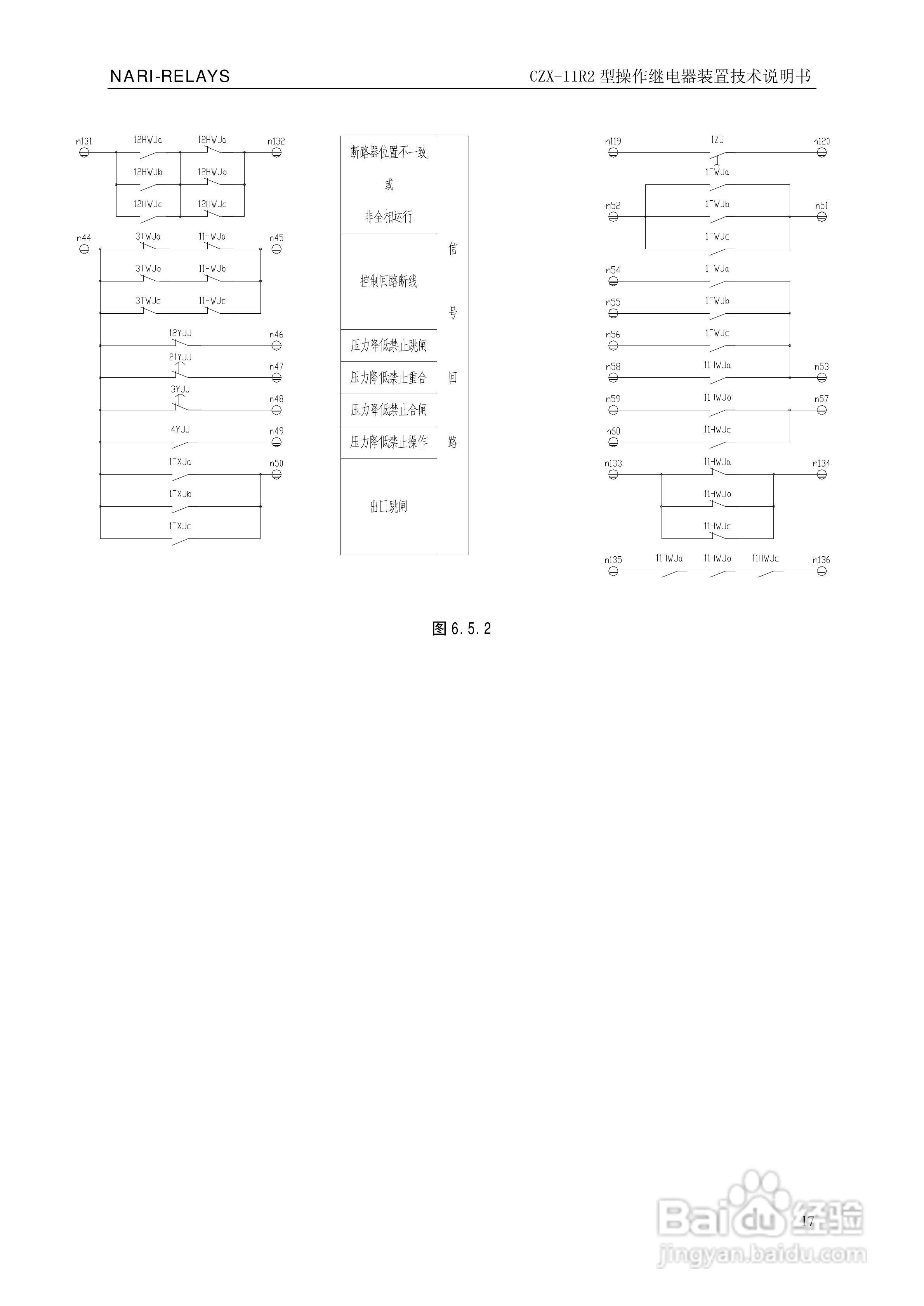
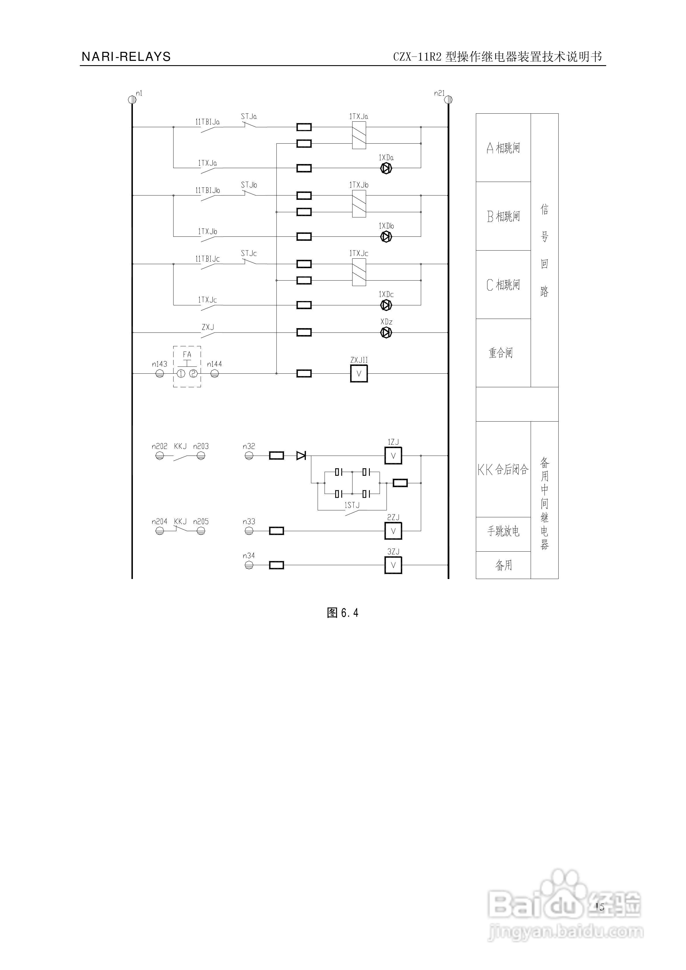
南瑞继保CZX-11R2型操作继电器装置技术说明书:[2]
2026-01-13 16:38:30
本篇为《南瑞继保CZX-11R2型操作继电器装置技术说明书》,主要介绍该产品的使用方法以及常见故障解决方案。
(共篇)
上一篇:
|
下一篇:
声明:
本网站引用、摘录或转载内容仅供网站访问者交流或参考,不代表本站立场,如存在版权或非法内容,请联系站长删除,联系邮箱:site.kefu@qq.com。
相关推荐
南瑞继保CZX-11R2型操作继电器装置技术说明书:[3]
阅读量:109
南瑞继保CZX-22R2型操作继电器装置技术说明书:[3]
阅读量:93
CZX-11R型操作继电器装置技术说明书:[2]
阅读量:48
CZX-22G型操作继电器装置技术说明书:[2]
阅读量:118
CZX-11R型操作继电器装置技术说明书:[1]
阅读量:110
猜你喜欢
什么是癔病
圣女果的功效与作用
初中政治知识点总结
手足口病什么症状
生日送什么礼物好
苦荞的功效和作用
石膏粉的功效与作用
知识的力量
达泊西汀的功效与作用及多少钱一盒
天麻的作用与功效
猜你喜欢
thx什么意思
电压互感器的作用
高中物理电学知识点
多巴胺的作用
黄芪的作用
什么叫阴吹
小学生知识大全
茶叶的功效与作用
少先队知识手抄报
河南有什么好玩的地方