小度生活
首页
美食营养
手工爱好
生活家居
返回
小度生活
首页
美食营养
游戏数码
手工爱好
生活家居
健康养生
运动户外
职场理财
情感交际
母婴教育
时尚美容
知识问答
生活知识
生活百科
搜索
瑞得RTS-862/5R全站仪说明书:[4]
2026-03-29 22:42:56
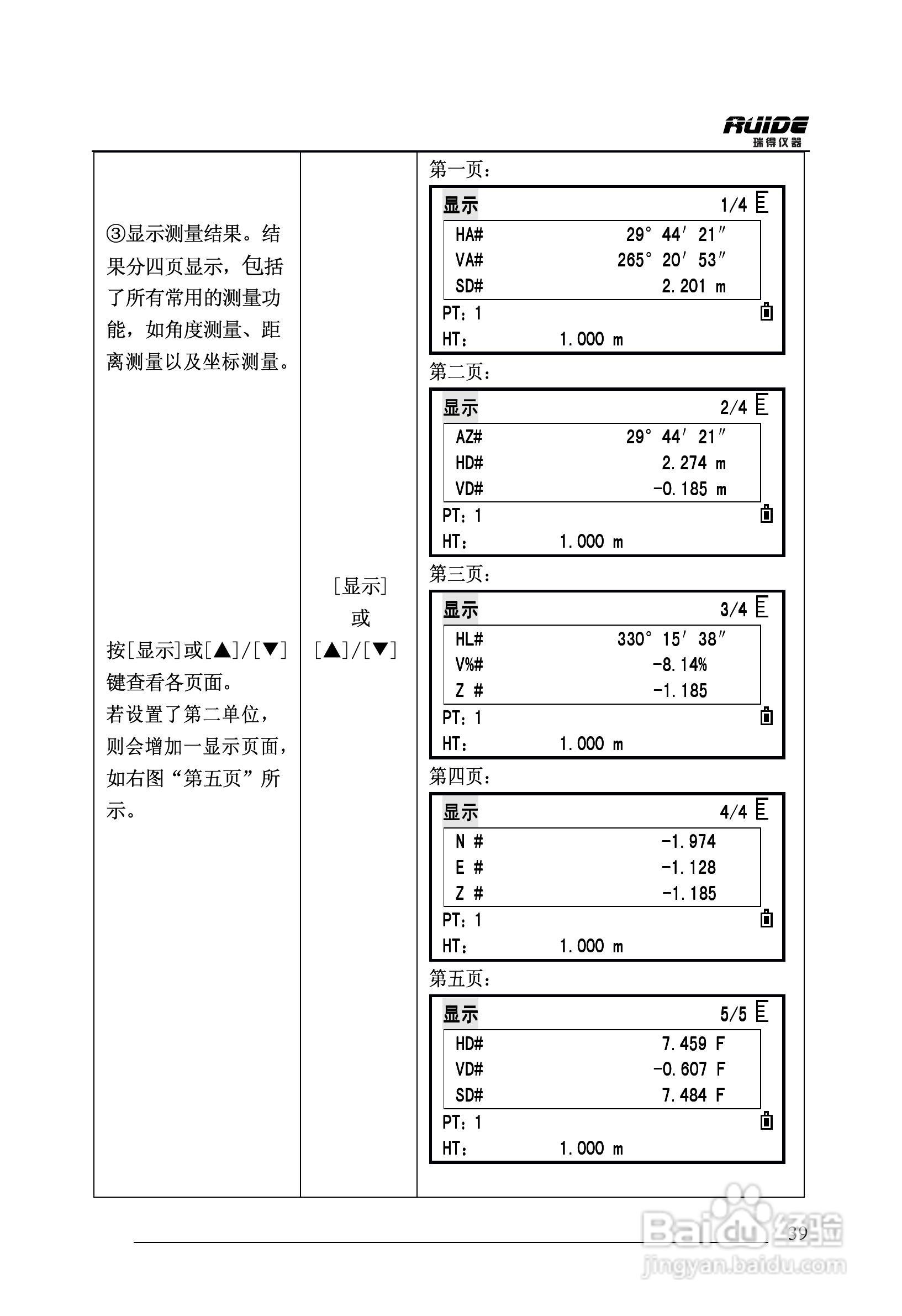
本篇为《瑞得RTS-862/5R全站仪说明书》,主要介绍该产品的使用方法以及常见故障解决方案。
(共篇)
上一篇:
|
下一篇:
声明:
本网站引用、摘录或转载内容仅供网站访问者交流或参考,不代表本站立场,如存在版权或非法内容,请联系站长删除,联系邮箱:site.kefu@qq.com。
相关推荐
瑞得RTS-862/5R全站仪说明书:[18]
阅读量:67
全站仪的操作技巧
阅读量:92
全站仪使用方法
阅读量:143
全站仪导线测量的方法
阅读量:30
全站仪进行距离测量的方法
阅读量:124
猜你喜欢
奶茶图片大全大图
手机品牌大全
一品红怎么养
提高免疫力的方法
屎好吃吗
158章你的奶真好吃
家常凉菜
空气炸锅食谱做法大全
香椿炒鸡蛋的家常做法
肛门痒痒怎么回事
猜你喜欢
鲍鱼的家常做法
tfboys歌曲大全
杜鹃花的养殖方法和注意事项
怀孕了感冒怎么办
狗狗口臭怎么办
脸上长脂肪粒怎么办
练声方法
梭子蟹怎么做好吃
红焖羊肉的家常做法
mp3歌曲下载方法