小度生活
首页
美食营养
手工爱好
生活家居
返回
小度生活
首页
美食营养
游戏数码
手工爱好
生活家居
健康养生
运动户外
职场理财
情感交际
母婴教育
时尚美容
搜索
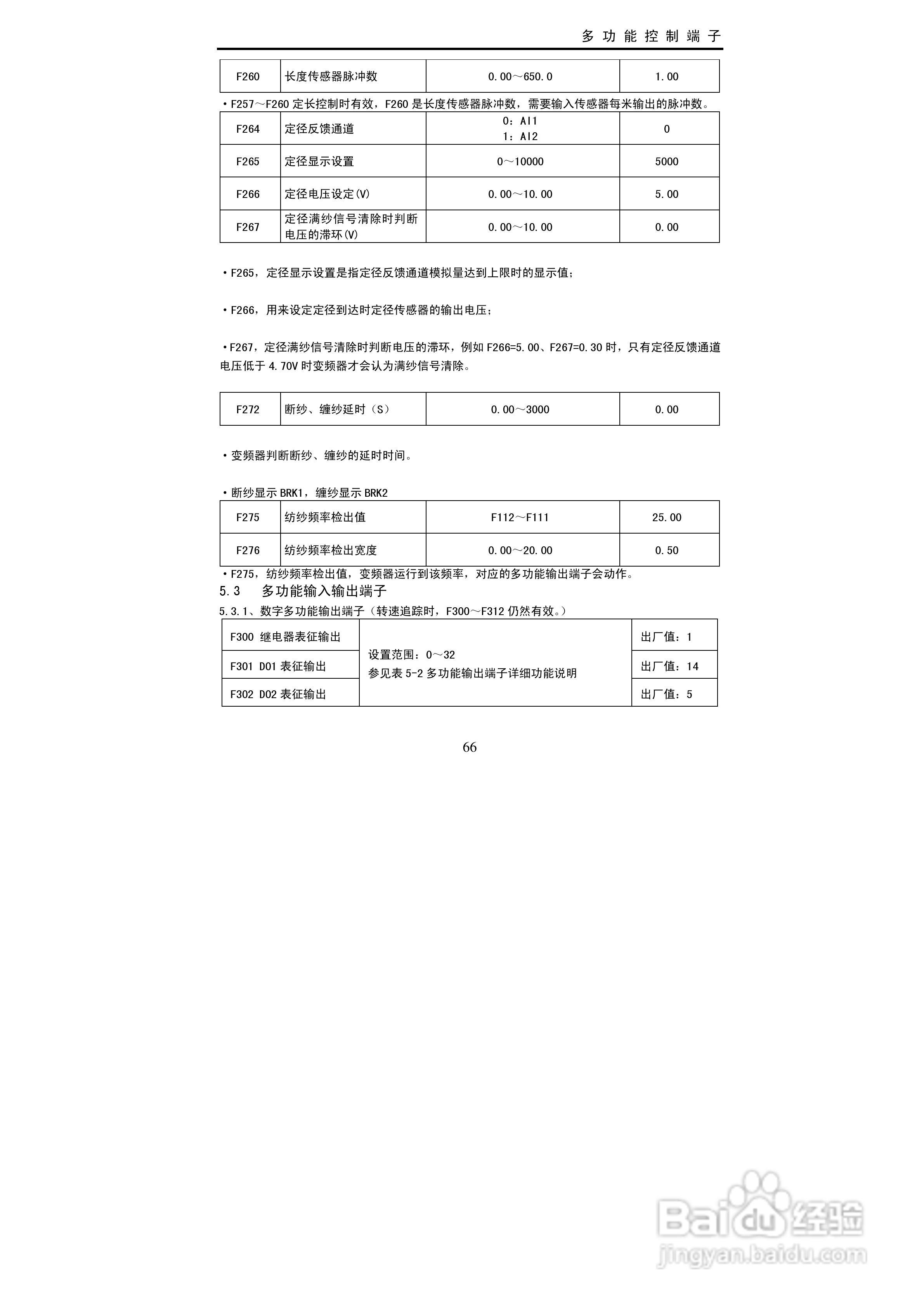
欧瑞传动EC2000-0150T3变频器使用说明书:[7]
2025-11-14 00:07:16
本篇为《欧瑞传动EC2000-0150T3变频器使用说明书》,主要介绍该产品的使用方法以及常见故障解决方案。
(共篇)
上一篇:
|
下一篇:
声明:
本网站引用、摘录或转载内容仅供网站访问者交流或参考,不代表本站立场,如存在版权或非法内容,请联系站长删除,联系邮箱:site.kefu@qq.com。
相关推荐
欧瑞传动EC2000-0150T3变频器使用说明书:[13]
阅读量:38
欧瑞传动EPS2000-2500T3C变频器使用说明书:[3]
阅读量:190
欧瑞传动XS1000-0300T3变频器使用说明书:[7]
阅读量:134
使用说明书封面怎么做
阅读量:66
使用说明书wf2651使用指南
阅读量:54
猜你喜欢
旧家具如何翻新
如何处理客户投诉
low是什么意思
感冒咳嗽厉害怎么办
胸闷气短呼吸困难心慌是什么原因
accordion怎么读
品质生活
如何开拓市场
爷青结是什么意思
我的学习生活普通话三分钟
猜你喜欢
塔姆大招怎么用
九朵云祛斑霜怎么样
如何给照片换背景
微信聊天记录删了怎么恢复
广东交通职业技术学院怎么样
怎么吐烟圈图解
如何打扮自己
may是什么意思
10085是什么电话服务
我们的生活比蜜甜