小度生活
首页
美食营养
手工爱好
生活家居
返回
小度生活
首页
美食营养
游戏数码
手工爱好
生活家居
健康养生
运动户外
职场理财
情感交际
母婴教育
时尚美容
知识问答
生活知识
搜索
博飞BTS800系列全站仪说明书:[7]
2025-10-27 06:56:04
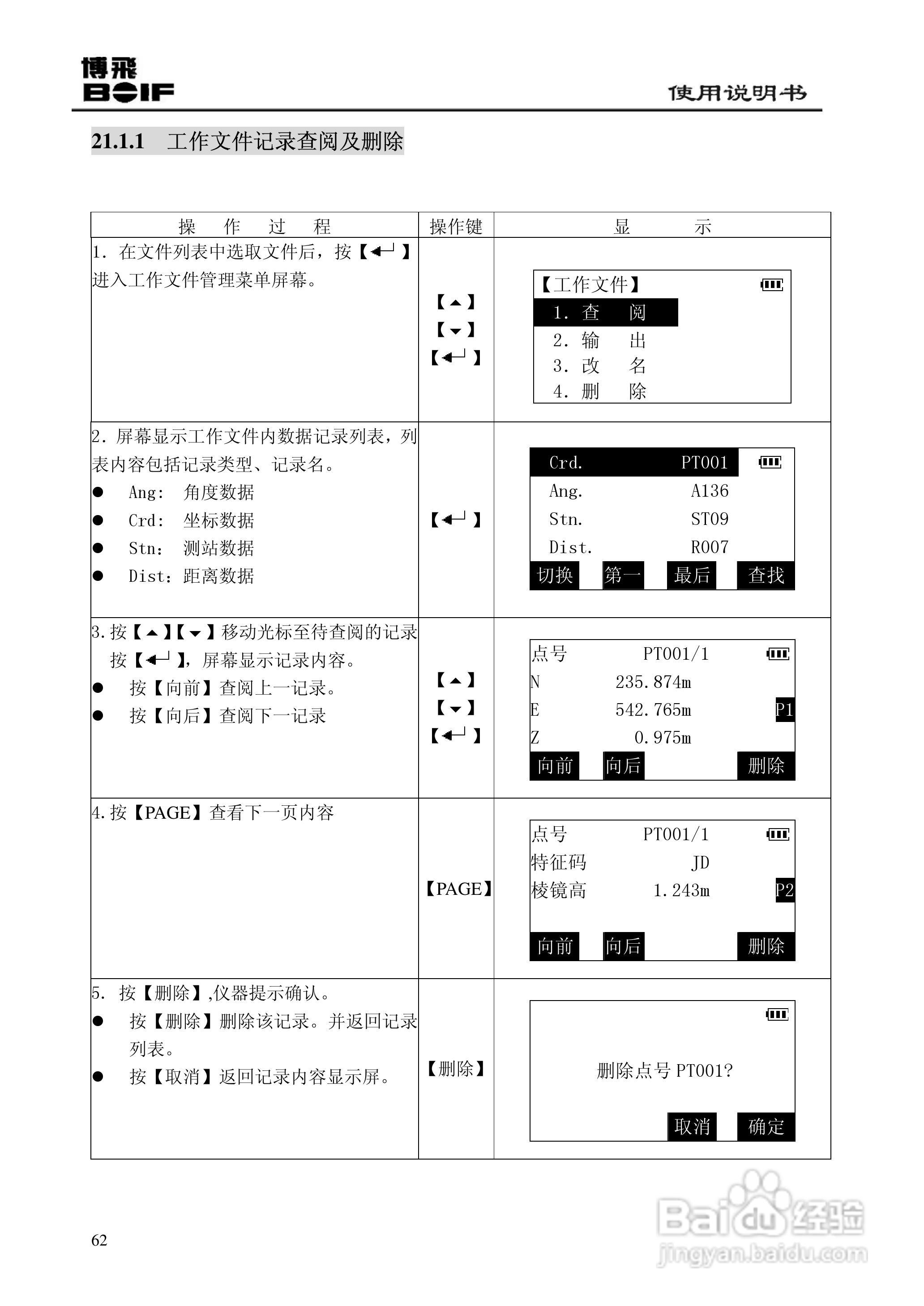
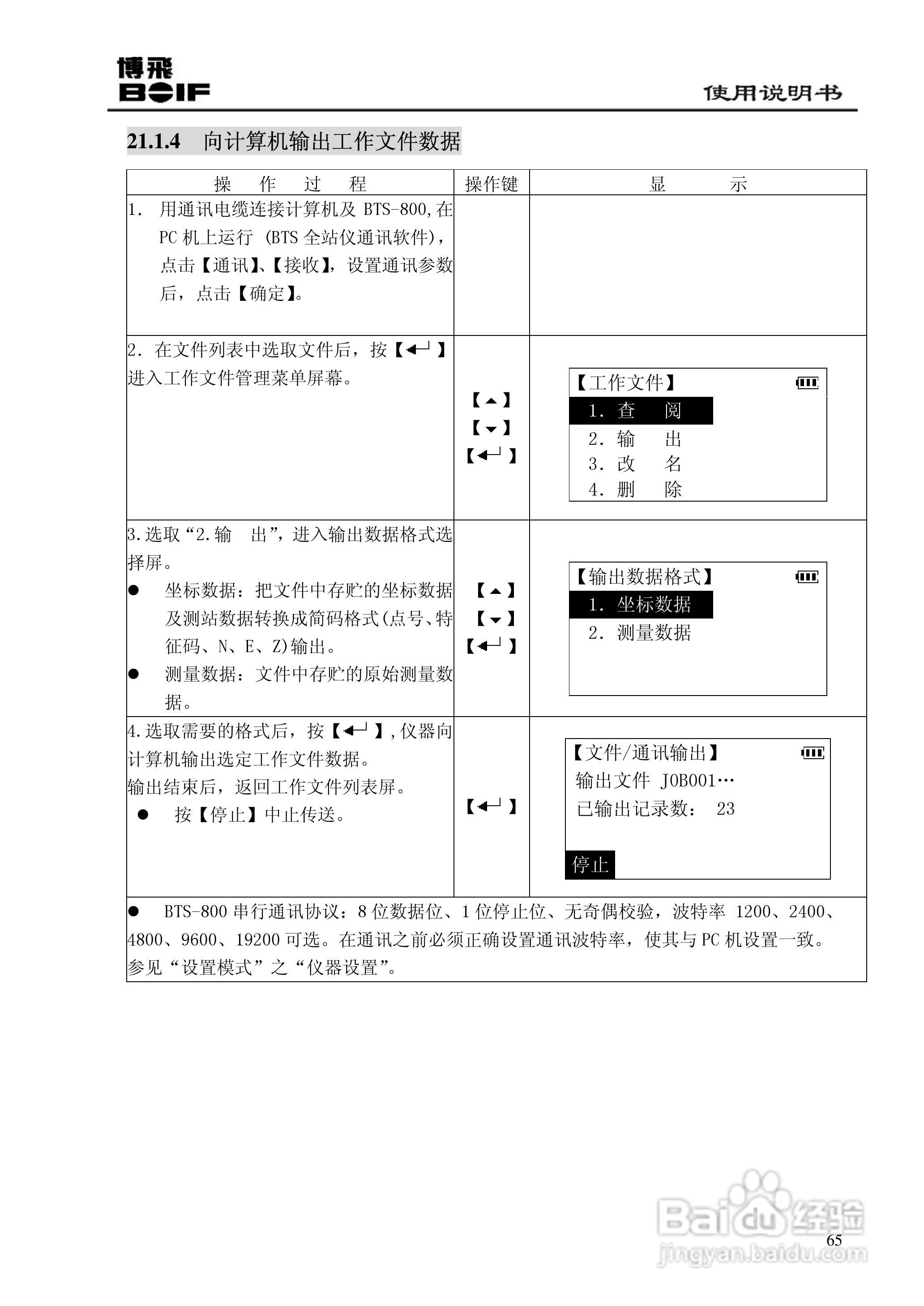
本篇为《博飞BTS800系列全站仪说明书》,主要介绍该产品的使用方法以及常见故障解决方案。
(共篇)
上一篇:
|
下一篇:
声明:
本网站引用、摘录或转载内容仅供网站访问者交流或参考,不代表本站立场,如存在版权或非法内容,请联系站长删除,联系邮箱:site.kefu@qq.com。
相关推荐
博飞BTS800系列全站仪说明书:[6]
阅读量:142
全站仪使用方法
阅读量:85
全站仪obs 码率如何设置
阅读量:170
全站仪使用说明书
阅读量:152
全站仪的操作技巧
阅读量:58
猜你喜欢
有什么好看的恐怖电影
元参的功效与作用
万象更新的意思
妙语连珠的意思
梦见羊是什么意思
security是什么意思
mine是什么意思
得意扬扬的意思
足三里的作用
视频矩阵的作用
猜你喜欢
精兵简政的意思
鼠目寸光的意思
gcp是什么意思
什么是爱心
次日是什么意思
法图麦是什么意思
hcg是什么意思
乔布斯什么时候去世的
轰轰烈烈的意思
兔不可复得而身为宋国笑的意思