小度生活
首页
美食营养
手工爱好
生活家居
返回
小度生活
首页
美食营养
游戏数码
手工爱好
生活家居
健康养生
运动户外
职场理财
情感交际
母婴教育
时尚美容
知识问答
生活知识
生活百科
搜索
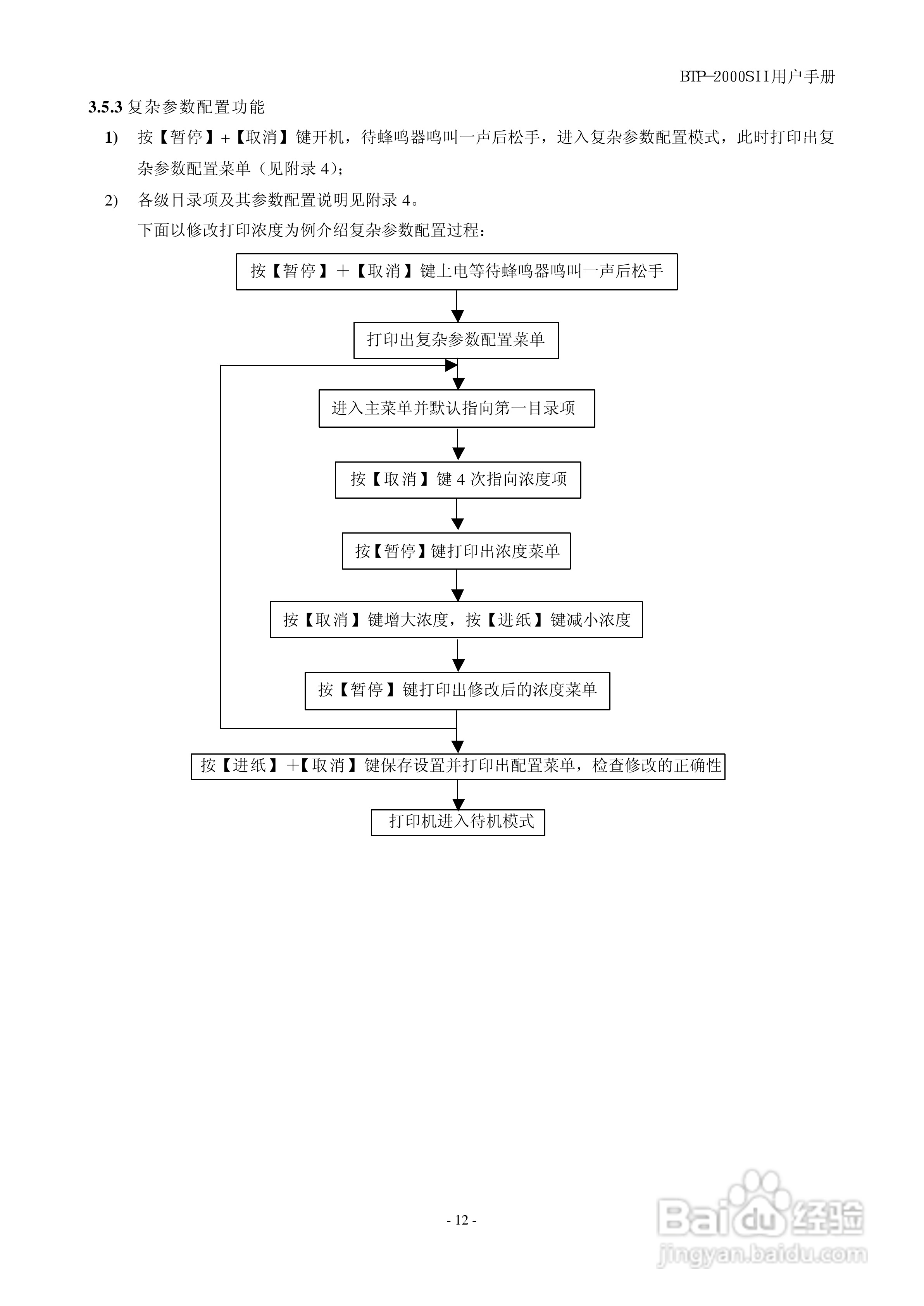
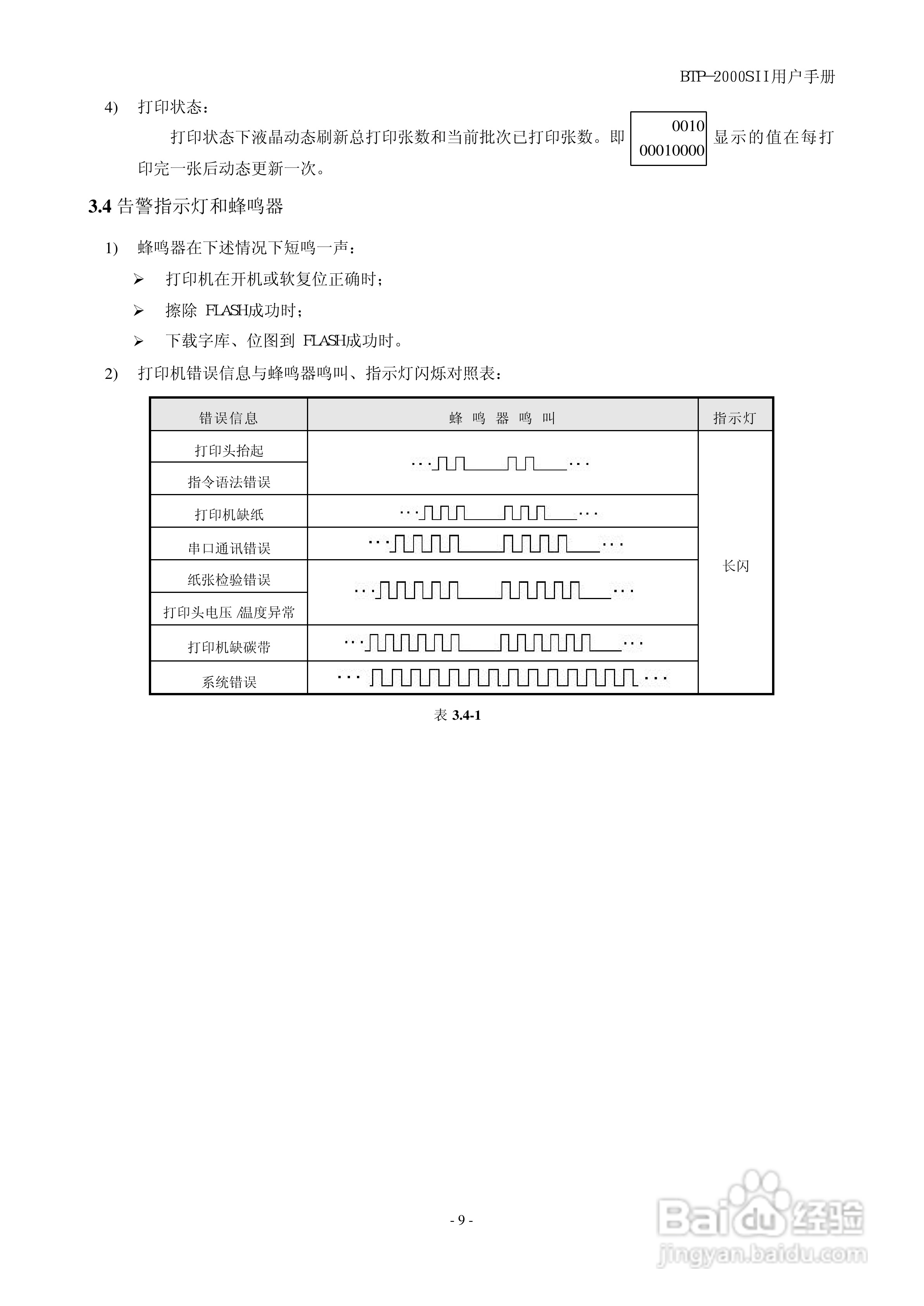
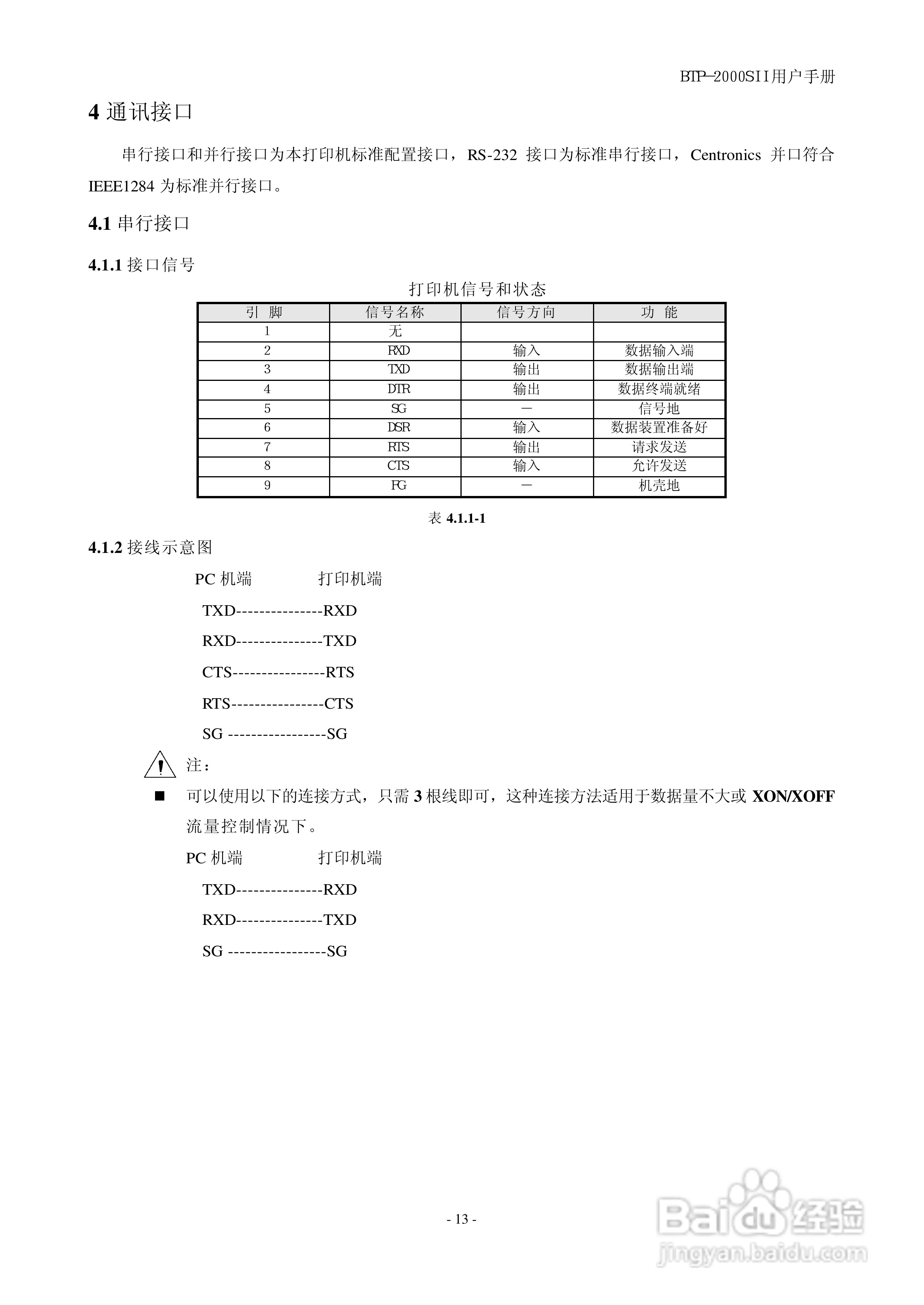
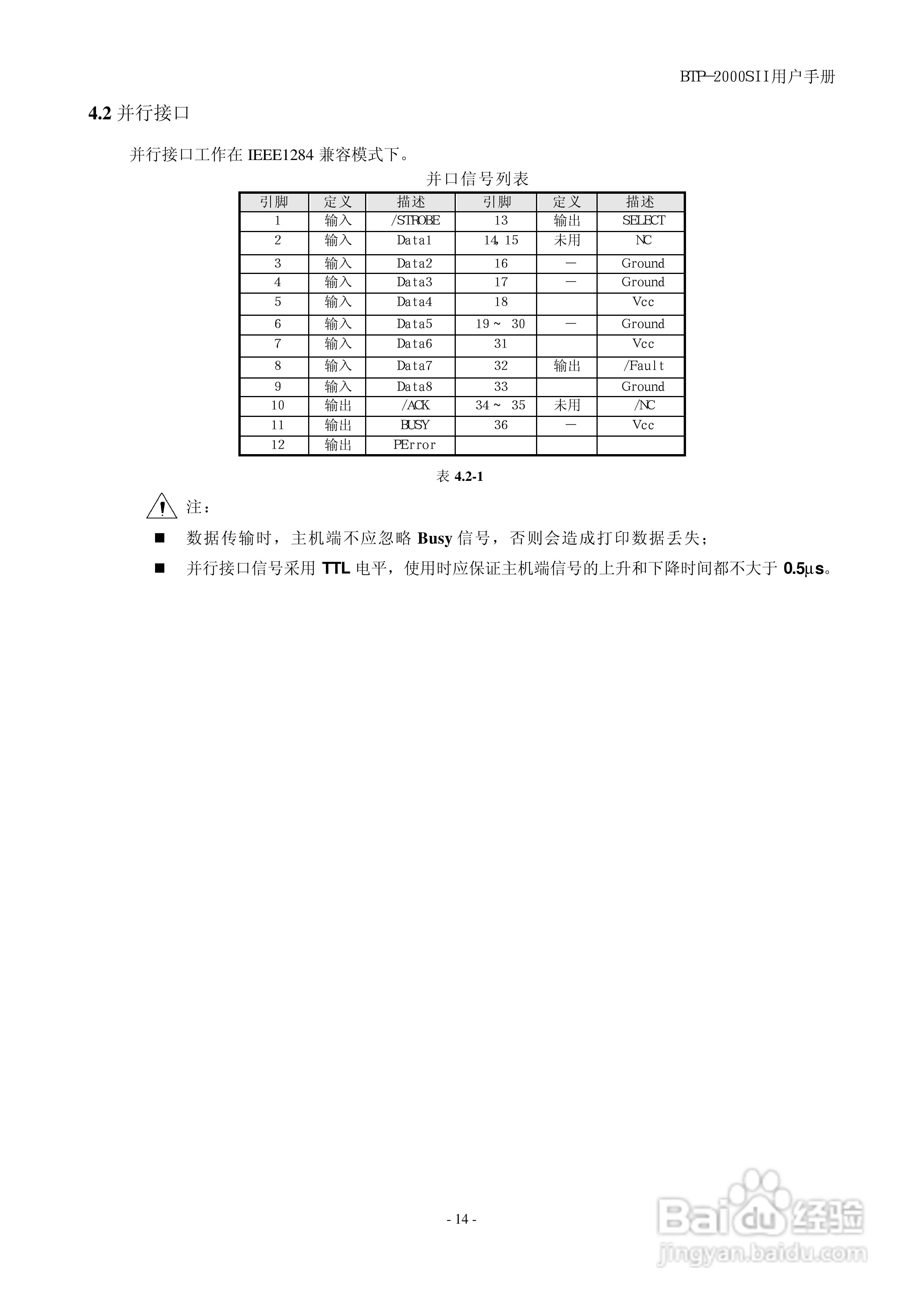
新北洋BTP-2000SII 标签打印机用户手册:[2]
2026-03-27 02:52:02
本篇为《新北洋BTP-2000SII 标签打印机用户手册》,主要介绍该产品的使用方法以及常见故障解决方案。
(共篇)
上一篇:
|
下一篇:
声明:
本网站引用、摘录或转载内容仅供网站访问者交流或参考,不代表本站立场,如存在版权或非法内容,请联系站长删除,联系邮箱:site.kefu@qq.com。
相关推荐
新北洋BTP-2000SII 标签打印机用户手册:[3]
阅读量:124
BTP-2000S 标签打印机用户手册:[2]
阅读量:122
新北洋BTP-1000PT条码/标签打印机用户手册:[2]
阅读量:138
BTP-2000S 标签打印机用户手册:[3]
阅读量:137
BTP-2000S 标签打印机用户手册:[5]
阅读量:142
猜你喜欢
怎么共享打印机
三相电表怎么看度数
采访稿怎么写
眼睛充血怎么治疗
哺乳期牙疼怎么办
电脑上怎么截图
尿液发黄是怎么回事
合理化建议怎么写
怎么会爱上他并决定跟他回家
朋友圈怎么发长视频
猜你喜欢
大写的一到十怎么写
电脑乘号怎么打
你怎么说
太阳能热水器怎么清洗
夏普电视怎么投屏
金麒麟刹车片怎么样
手表怎么调时间
不想上学怎么办
祭祀怎么读
外阴痒怎么用药是什