小度生活
首页
美食营养
手工爱好
生活家居
返回
小度生活
首页
美食营养
游戏数码
手工爱好
生活家居
健康养生
运动户外
职场理财
情感交际
母婴教育
时尚美容
知识问答
生活知识
生活百科
搜索
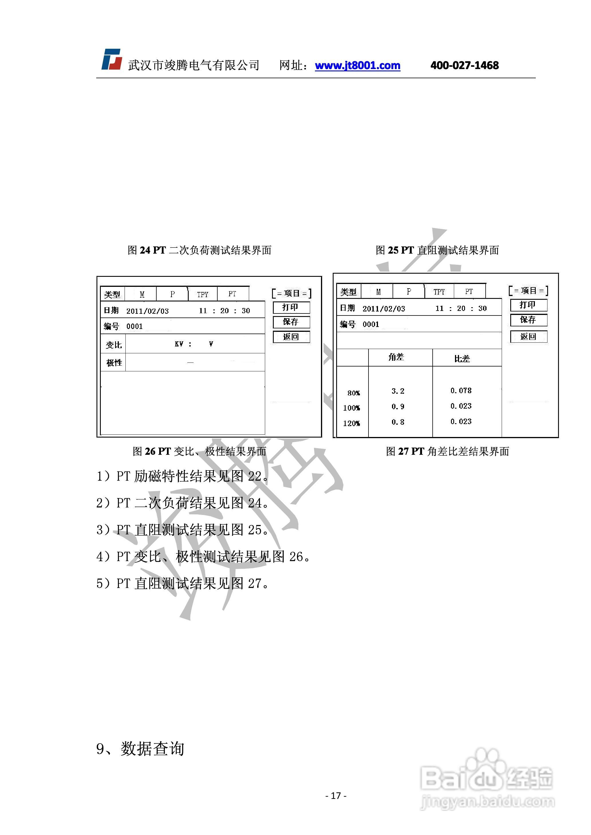
竣腾JTVA-308变频互感器综合测试仪说明书:[3]
2026-05-11 14:29:32
本篇为《竣腾JTVA-308变频互感器综合测试仪说明书》,主要介绍该产品的使用方法以及常见故障解决方案。
(共篇)
上一篇:
声明:
本网站引用、摘录或转载内容仅供网站访问者交流或参考,不代表本站立场,如存在版权或非法内容,请联系站长删除,联系邮箱:site.kefu@qq.com。
相关推荐
竣腾JTVA-308变频互感器综合测试仪说明书:[1]
阅读量:169
竣腾JTVA-D互感器测试仪D型说明书:[3]
阅读量:49
竣腾JTVA-E互感器综合特性测试仪说明书:[3]
阅读量:138
竣腾JTVA-E互感器综合特性测试仪说明书:[1]
阅读量:23
竣腾JTVA-C CT伏安变比极性综合测试仪说明书:[2]
阅读量:152
猜你喜欢
荷包蛋的蛋黄什么时候戳破才好
notes是什么意思
什么是秋天的第一杯奶茶
未央是什么意思
今年什么行业最赚钱
人杰地灵的意思
猩猩最讨厌什么线
mistake是什么意思
心潮难已的意思
description是什么意思
猜你喜欢
knock是什么意思
bicycle是什么意思
祝福的话
鉴赏的意思
骑行眼镜什么牌子好
奶酪陷阱结局什么意思
正是河豚欲上时的欲是什么意思
春日偶成的意思
泰迪和贵宾有什么区别
质朴无华的意思