小度生活
首页
美食营养
手工爱好
生活家居
返回
小度生活
首页
美食营养
游戏数码
手工爱好
生活家居
健康养生
运动户外
职场理财
情感交际
母婴教育
时尚美容
知识问答
生活知识
生活百科
搜索
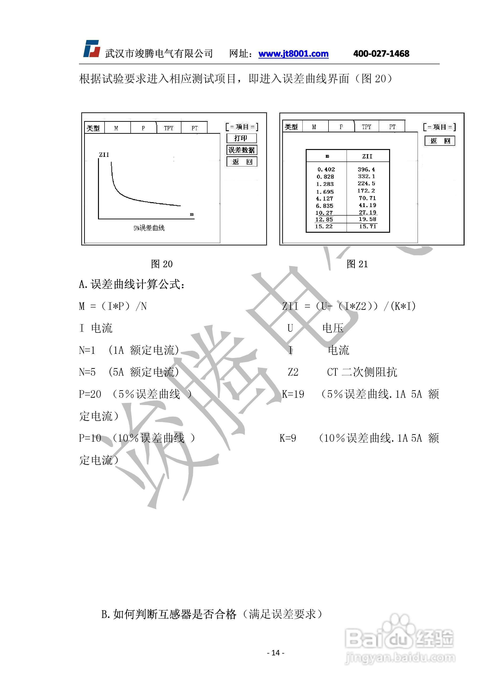
竣腾JTVA-308变频互感器综合测试仪说明书:[2]
2026-05-11 14:31:01
本篇为《竣腾JTVA-308变频互感器综合测试仪说明书》,主要介绍该产品的使用方法以及常见故障解决方案。
(共篇)
上一篇:
|
下一篇:
声明:
本网站引用、摘录或转载内容仅供网站访问者交流或参考,不代表本站立场,如存在版权或非法内容,请联系站长删除,联系邮箱:site.kefu@qq.com。
相关推荐
富士 UG 系:[14]
阅读量:50
怎样安装Windows 8系统
阅读量:125
飞利浦手机CT7668/BWUAS0P1型使用说明书:[5]
阅读量:159
道勤DQ-P1数码播放器使用说明书:[5]
阅读量:178
zblog静态分类目录访问出现403错误解决方法
阅读量:189
猜你喜欢
功夫的意思
什么叫萝莉
往往的意思
顶你个肺是什么意思
关切的意思
tiamo是什么意思
quite是什么意思
国家专项计划是什么意思
推己及人的意思
买什么基金好
猜你喜欢
心境具有什么特点
一拳超人什么时候更新
网球拍什么牌子好
天若有情天亦老的意思
池上古诗意思
当我面对什么的时候
什么是集分宝
跨年什么意思
恩施有什么好玩的地方
千禧年是什么意思