小度生活
首页
美食营养
手工爱好
生活家居
返回
小度生活
首页
美食营养
游戏数码
手工爱好
生活家居
健康养生
运动户外
职场理财
情感交际
母婴教育
时尚美容
知识问答
生活知识
生活百科
搜索
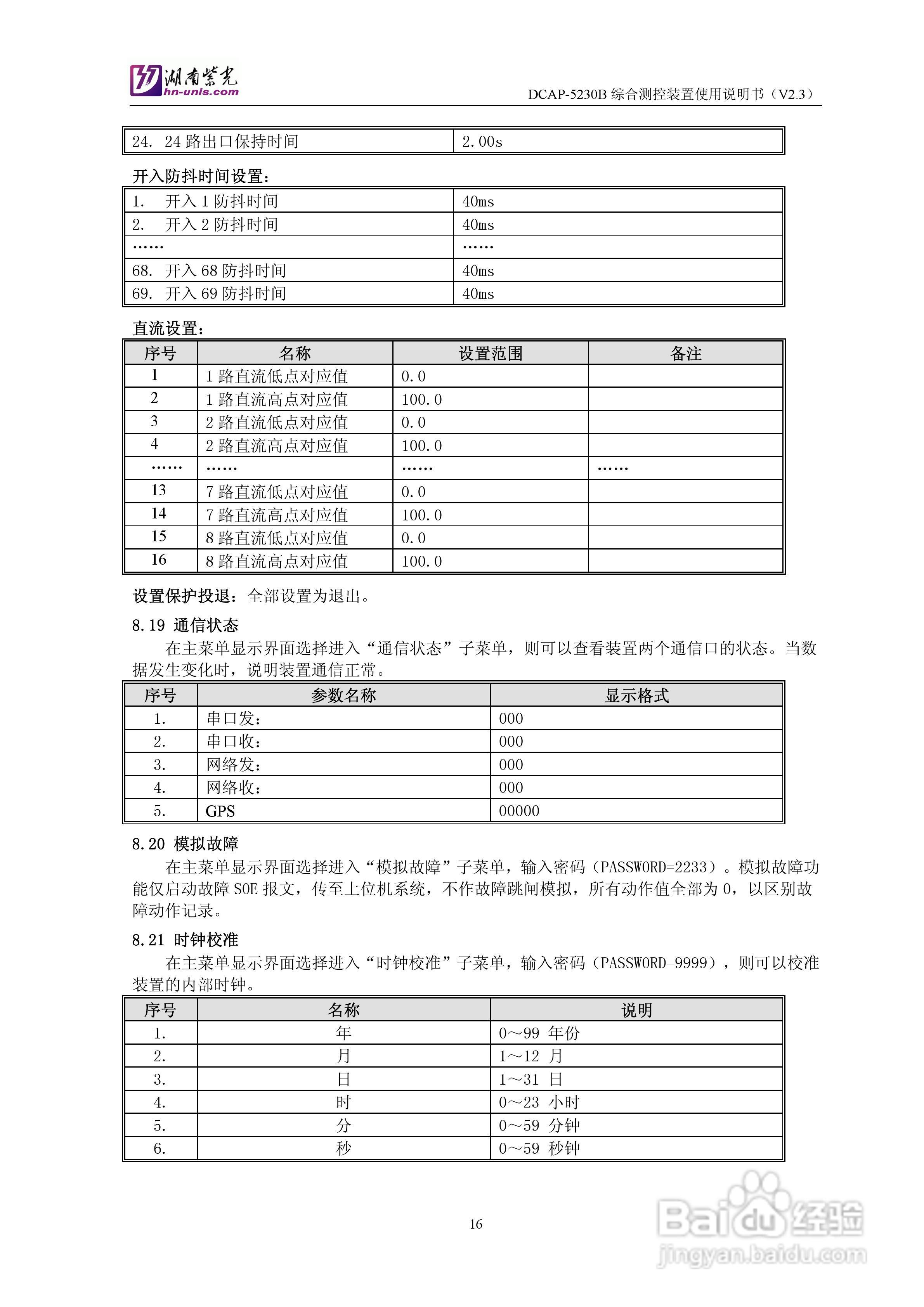
紫光DCAP-5230B综合测控装置使用说明书:[2]
2026-03-31 05:34:17
本篇为《紫光DCAP-5230B综合测控装置使用说明书》,主要介绍该产品的使用方法以及常见故障解决方案。
(共篇)
上一篇:
声明:
本网站引用、摘录或转载内容仅供网站访问者交流或参考,不代表本站立场,如存在版权或非法内容,请联系站长删除,联系邮箱:site.kefu@qq.com。
相关推荐
紫光DCAP-5230综合测控装置使用说明书:[2]
阅读量:127
紫光DCAP-3005自闭贯通监控保护装置使用说明书:[2]
阅读量:74
紫光DCAP-5082B发电机转子接地监控保护装置使用说明书:[2]
阅读量:35
紫光DCAP-5010高压电动机综合监控保护装置使用说明书:[2]
阅读量:65
紫光DCAP-5082B发电机转子接地监控保护装置使用说明书:[1]
阅读量:60
猜你喜欢
如何练出马甲线
避孕套怎么使用才正确
新宝来怎么样
贵阳 旅游
死亡证明在哪里开
山海关旅游
电脑启动慢怎么解决
河南省旅游景点
梦幻西游天宫怎么加点
纳木错旅游攻略
猜你喜欢
路由器价格
云南石林旅游攻略
如何瘦腿
净化斯坦索姆怎么刷龙
wps段落设置在哪里
肝火旺如何调理
如何分析一只股票
三七花泡水喝的功效
桂林到阳朔怎么走
0851是哪里的区号