小度生活
首页
美食营养
手工爱好
生活家居
返回
小度生活
首页
美食营养
游戏数码
手工爱好
生活家居
健康养生
运动户外
职场理财
情感交际
母婴教育
时尚美容
知识问答
生活知识
搜索
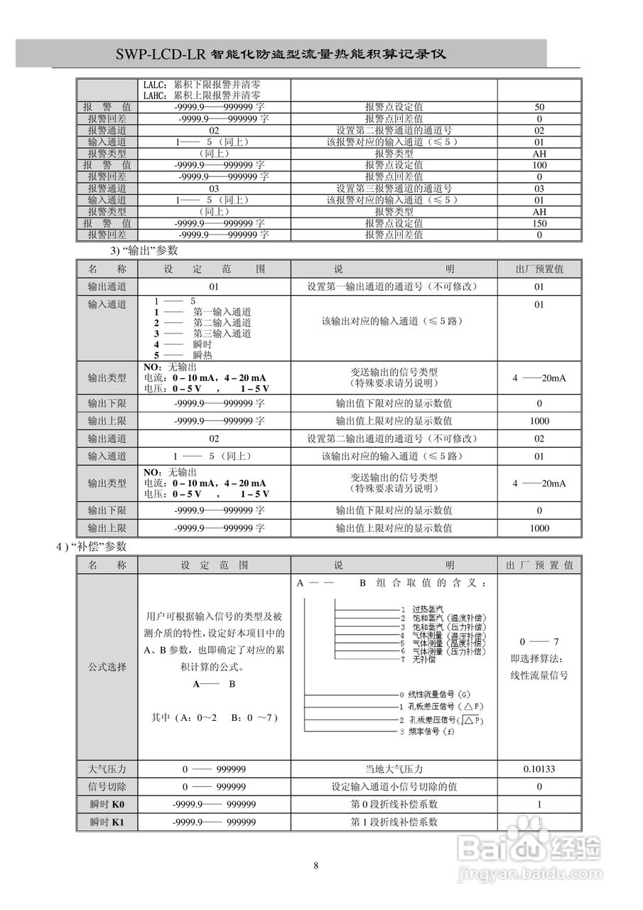
昌晖SWP-LCD-LR流量记录仪(无防盗)说明书:[1]
2025-10-22 20:39:53
本篇为《昌晖SWP-LCD-LR流量记录仪(无防盗)说明书》,主要介绍该产品的使用方法以及常见故障解决方案。
(共篇)
下一篇:
声明:
本网站引用、摘录或转载内容仅供网站访问者交流或参考,不代表本站立场,如存在版权或非法内容,请联系站长删除,联系邮箱:site.kefu@qq.com。
相关推荐
昌晖SWP-LCD-LR流量记录仪(带防盗)说明书:[1]
阅读量:104
昌晖SWP-LCD-LR流量记录仪(无防盗)说明书:[4]
阅读量:75
昌晖SWP-LCD-LR流量记录仪(带防盗)说明书:[2]
阅读量:86
昌晖SWP-LCD-NLR智能化防盗型流量/热能积算仪说明书:[1]
阅读量:145
昌晖SWP-LCD-LR流量记录仪(带防盗)说明书:[4]
阅读量:122
猜你喜欢
呼和浩特周边旅游景点
工作总结结尾怎么写
12月旅游
爱好旅游
坐月子可以开空调吗
滑膜炎是怎么造成的
黄颡鱼怎么钓
剑兰怎么养
海边旅游景点排行
呼伦贝尔大草原旅游
猜你喜欢
凉拌海带丝的做法
南昌旅游攻略
镇远古镇旅游攻略
胎儿可以亲子鉴定吗
本兮怎么了
怎么可以缓解痛经
哺乳期可以吃螃蟹吗
产后多长时间可以同房
孕妇可以吃陈皮
重庆电子工程职业学院怎么样