小度生活
首页
美食营养
手工爱好
生活家居
返回
小度生活
首页
美食营养
游戏数码
手工爱好
生活家居
健康养生
运动户外
职场理财
情感交际
母婴教育
时尚美容
知识问答
生活知识
搜索
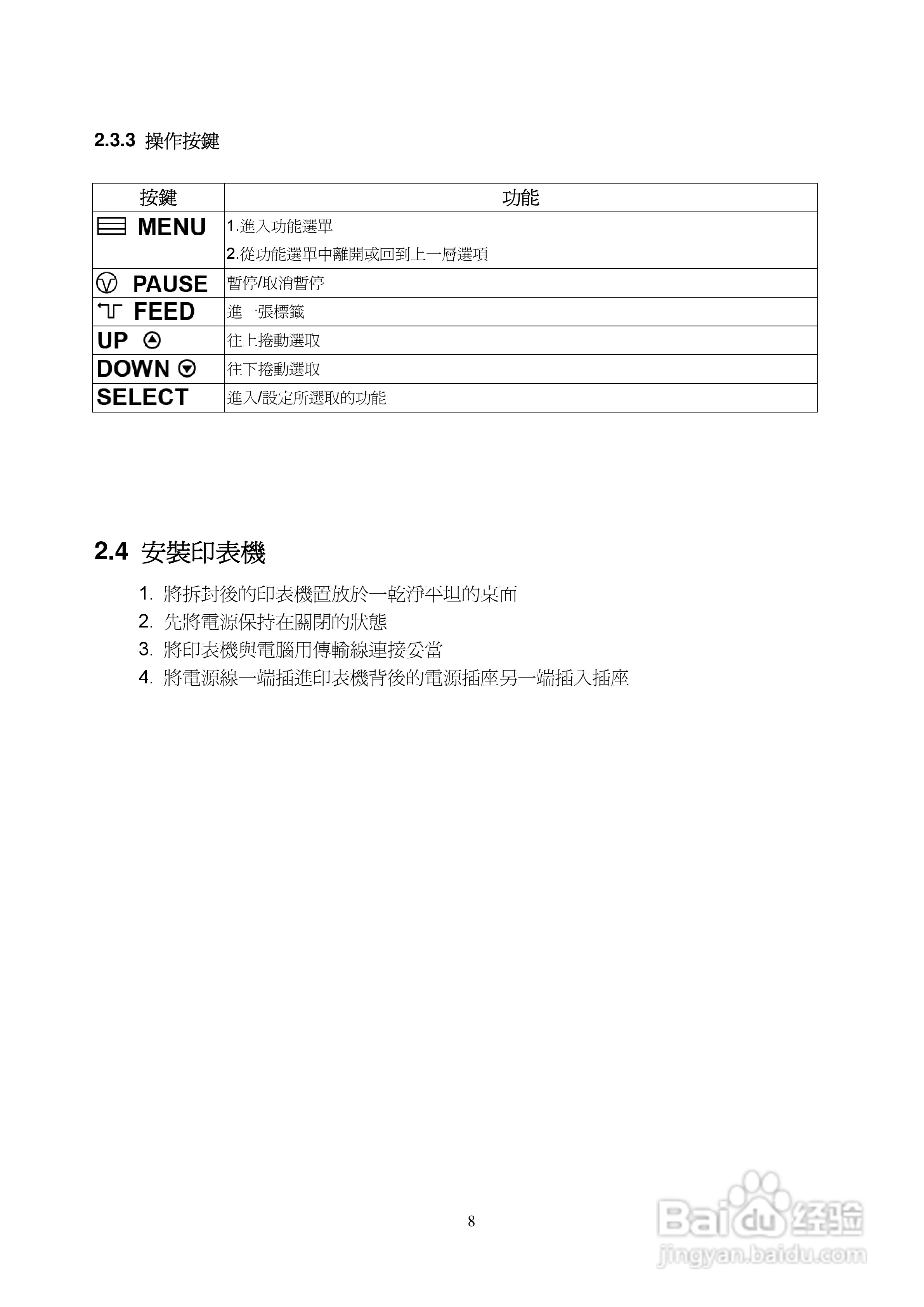
TSC TTP-2410M系列条码打印机使用说明:[2]
2026-02-06 16:34:31
本篇为《TSC TTP-2410M系列条码打印机使用说明》,主要介绍该产品的使用方法以及常见故障解决方案。
(共篇)
上一篇:
|
下一篇:
声明:
本网站引用、摘录或转载内容仅供网站访问者交流或参考,不代表本站立场,如存在版权或非法内容,请联系站长删除,联系邮箱:site.kefu@qq.com。
相关推荐
TSC TTP-244ME Plus系列条码打印机使用说明:[2]
阅读量:85
TSC TTP-245C系列条码打印机使用说明:[2]
阅读量:91
TSC TTP-244ME Plus系列条码打印机使用说明:[5]
阅读量:159
TSC TTP-244ME Plus系列条码打印机使用说明:[3]
阅读量:146
TSC TTP-244ME Plus系列条码打印机使用说明:[1]
阅读量:123
猜你喜欢
concert是什么意思
甘霖的意思
盘是什么意思
夏令时什么时候开始
什么是门户网站
盘你是什么意思
无房证明需要什么材料
预科班是什么意思
完好无损的意思
否认是什么意思
猜你喜欢
买空调要注意什么
画电路图用什么软件
猕猴桃属于什么水果
墨迹是什么意思
癸水是什么意思
埋怨的意思
曾经沧海难为水的意思
勾稽关系是什么意思
原浆酒是什么意思
飞机场是什么意思