Autocad 粗糙度块的快速绘制
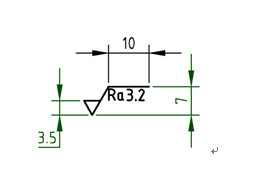
1、首先打开autocad(这好像是废话),我们先看看标准的,上图

2、绘制外形线条,先画一条直线长度随意,不要太极端就行。

3、使用偏移工具,偏移距离3.5,点了偏移之后输入3.5就行

4、选择刚画先,偏移出总共三条,接下来画三角形,选择线条画,选好端点输入<-60,就能出来向下60度角的线,<60就是向上的,画成如图,端点已圈出


5、修剪一下,最上端横线长10.


6、进行块的定义,块定义在“插入”中

7、定义输入如图

8、在指定点输入,{打开交点捕捉}

9、创建块,如图

10、这样就创建好了,可以在块的插入中找到它,并插入

声明:本网站引用、摘录或转载内容仅供网站访问者交流或参考,不代表本站立场,如存在版权或非法内容,请联系站长删除,联系邮箱:site.kefu@qq.com。
阅读量:121
阅读量:190
阅读量:165
阅读量:74
阅读量:169