小度生活
首页
美食营养
手工爱好
生活家居
返回
小度生活
首页
美食营养
游戏数码
手工爱好
生活家居
健康养生
运动户外
职场理财
情感交际
母婴教育
时尚美容
知识问答
生活知识
生活百科
搜索
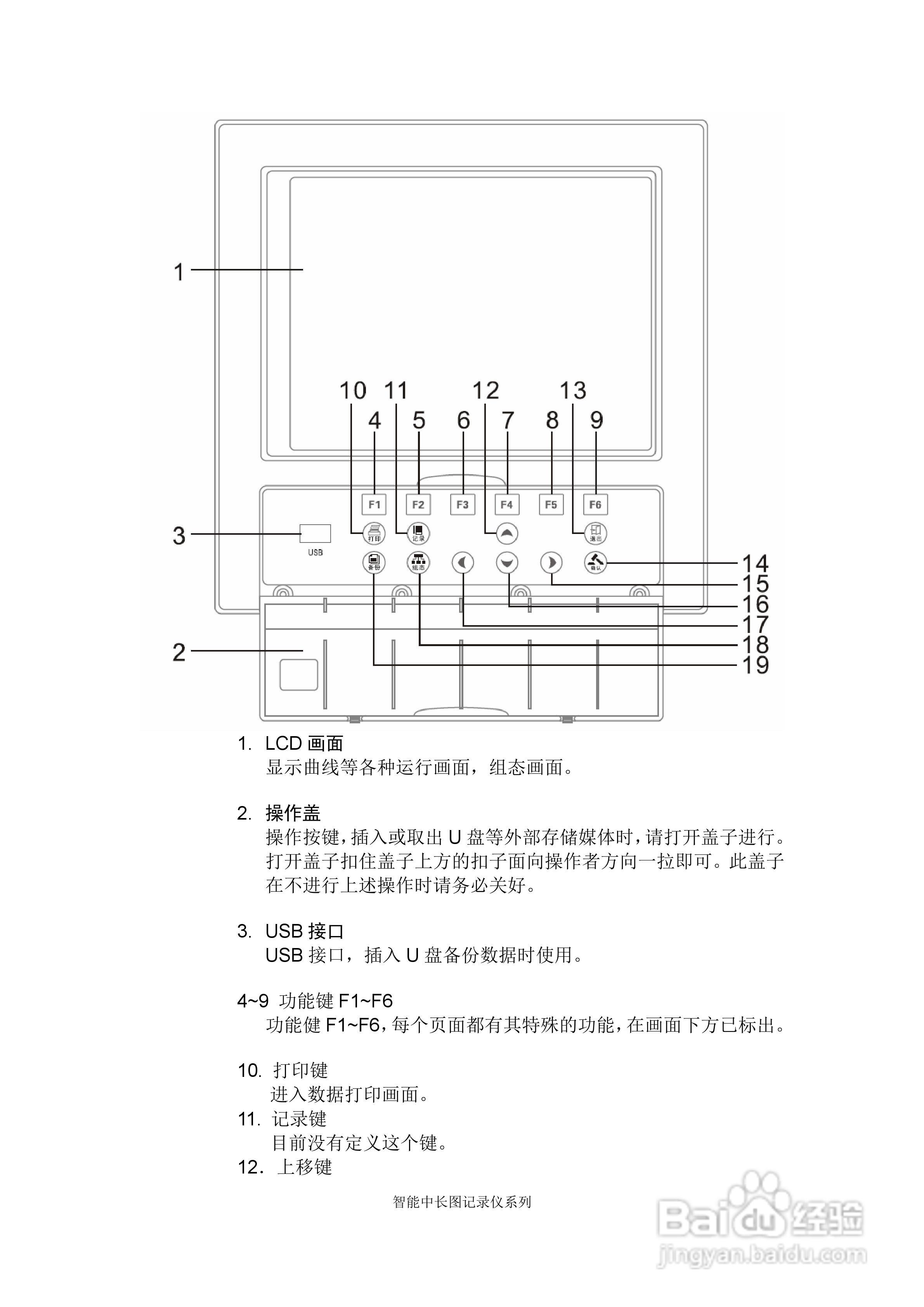
同扬cj8100无纸记录仪说明书:[4]
2026-03-27 00:50:24
本篇为《同扬cj8100无纸记录仪说明书》,主要介绍该产品的使用方法以及常见故障解决方案。
(共篇)
上一篇:
|
下一篇:
声明:
本网站引用、摘录或转载内容仅供网站访问者交流或参考,不代表本站立场,如存在版权或非法内容,请联系站长删除,联系邮箱:site.kefu@qq.com。
相关推荐
同扬cj8100无纸记录仪说明书:[1]
阅读量:186
同扬cj8100无纸记录仪说明书:[2]
阅读量:168
同扬CJ4100无纸记录仪说明书:[1]
阅读量:122
同扬CJ4100无纸记录仪说明书:[3]
阅读量:70
同扬CJ4100无纸记录仪说明书:[2]
阅读量:151
猜你喜欢
卧薪尝胆的意思是什么
屋漏偏逢连夜雨是什么意思
大专什么专业好
旬刊是什么意思
attention是什么意思
什么动物最怕水
sour是什么意思
什么是期房
7月6日是什么星座
风吹草低见牛羊的见是什么意思
猜你喜欢
小心翼翼的意思是什么
螨虫是什么
什么是职业规划
ocs是什么意思
论坛是什么
人体缺钾有什么症状
朝的反义词是什么
portrait是什么意思
脚肿是什么原因引起的
副司长是什么级别