小度生活
首页
美食营养
手工爱好
生活家居
返回
小度生活
首页
美食营养
游戏数码
手工爱好
生活家居
健康养生
运动户外
职场理财
情感交际
母婴教育
时尚美容
搜索
DTM-400系列光测距经纬仪中文说明书:[5]
2025-10-24 06:32:52
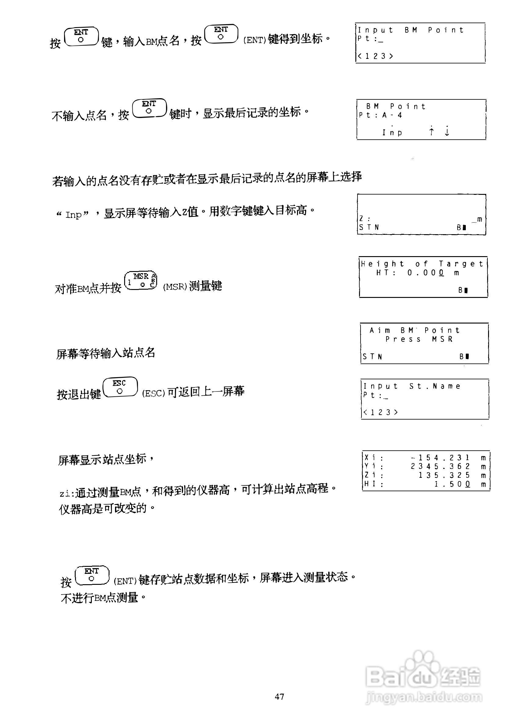
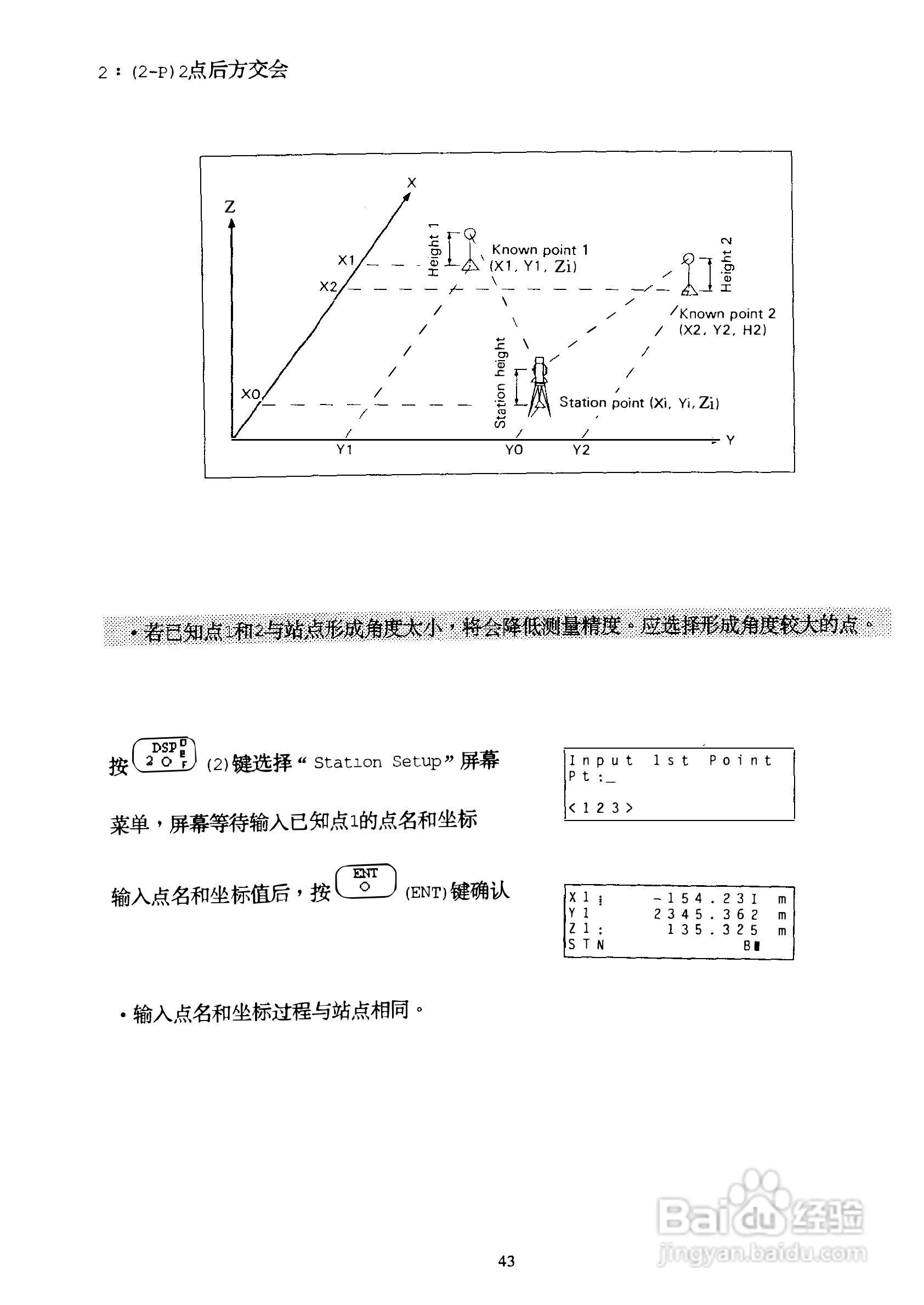
本篇为《DTM-400系列光测距经纬仪中文说明书》,主要介绍该产品的使用方法以及常见故障解决方案。
(共篇)
上一篇:
|
下一篇:
声明:
本网站引用、摘录或转载内容仅供网站访问者交流或参考,不代表本站立场,如存在版权或非法内容,请联系站长删除,联系邮箱:site.kefu@qq.com。
相关推荐
DTM-400系列光测距经纬仪中文说明书:[10]
阅读量:149
尼康DTM-522、532、552_DTM_NPL 332、352系列全站仪使:[5]
阅读量:75
尼康DTM-522、532、552_DTM_NPL 332、352系列全站仪使:[10]
阅读量:179
尼康DTM-522、532、552_DTM_NPL 332、352系列全站仪使:[3]
阅读量:178
尼康DTM-522、532、552_DTM_NPL 332、352系列全站仪使:[21]
阅读量:36
猜你喜欢
立加羽念什么
头寸是什么意思
win是什么意思
education是什么意思
预录取是什么意思啊
尿血是什么原因
4月23日是什么星座
什么是期权
入宅是什么意思
阅历是什么意思
猜你喜欢
端午节送什么
痛苦的近义词是什么
斩钉截铁的截是什么意思
两个o型血能生出什么血型的孩子
芒果不能和什么一起吃
魑魅魍魉什么意思
无创dna是检查什么的
什么是无理数
15万左右买什么车好
2月5日是什么星座