小度生活
首页
美食营养
手工爱好
生活家居
返回
小度生活
首页
美食营养
游戏数码
手工爱好
生活家居
健康养生
运动户外
职场理财
情感交际
母婴教育
时尚美容
知识问答
生活知识
生活百科
搜索
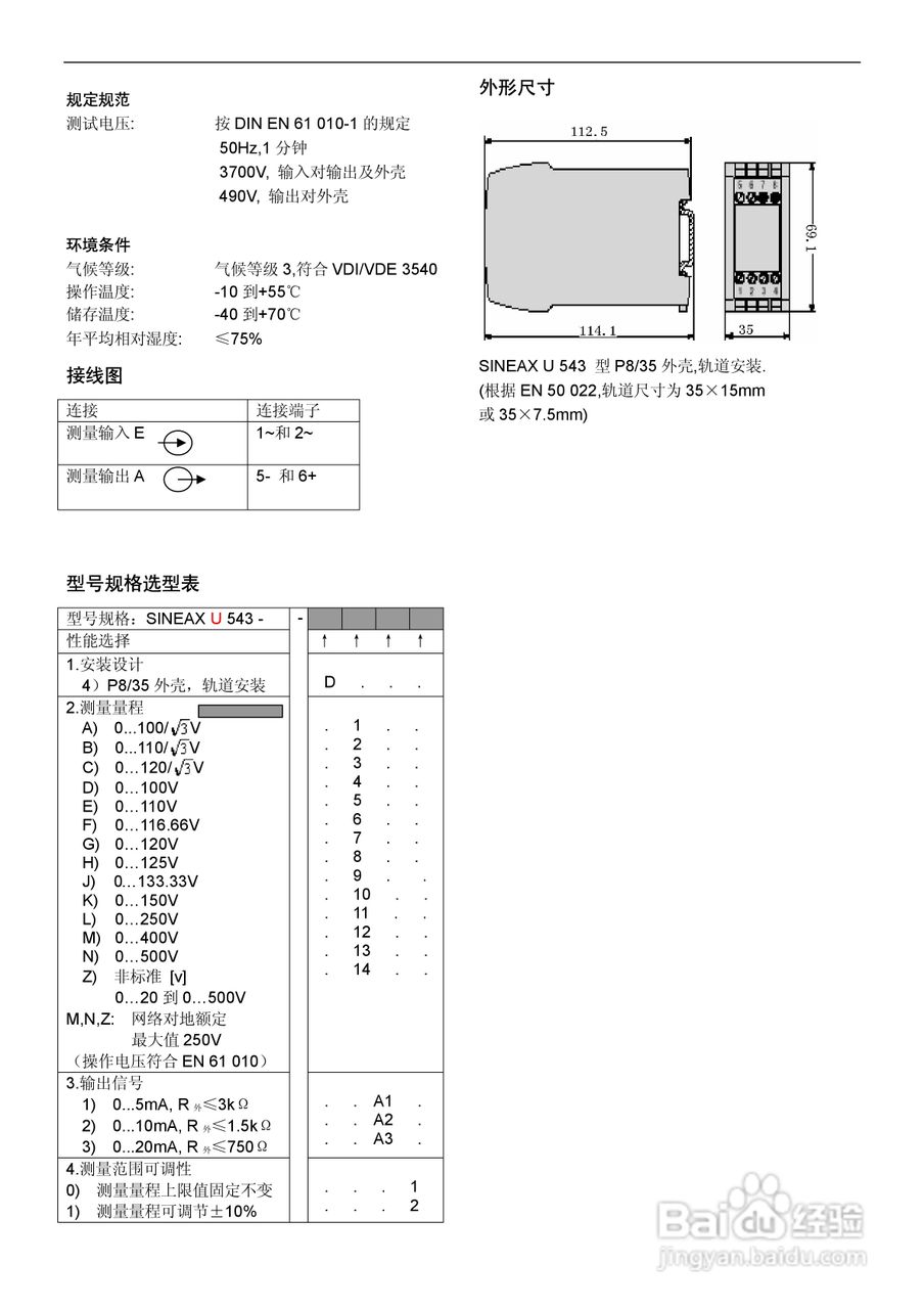
德国GMC公司SINEAX U543交流电压变送器说明书
2026-03-25 23:45:09
声明:
本网站引用、摘录或转载内容仅供网站访问者交流或参考,不代表本站立场,如存在版权或非法内容,请联系站长删除,联系邮箱:site.kefu@qq.com。
相关推荐
国电南自 WMZ-41A危机母线保护装置使用说明书:[6]
阅读量:46
英雄联盟adc:[4]薇恩VN暗夜猎手
阅读量:60
HWJT-08D微机励磁调节器使用说明书:[6]
阅读量:93
三星VP-D905(i)摄录一体机使用说明书:[10]
阅读量:181
容错CAN设备GCAN-403的基本使用
阅读量:159
猜你喜欢
怎么提高自己的口才
芦荟如何美容
西门子咖啡机怎么用
孔雀的生活习性
acura是什么车
服务密码怎么获取
仙人跳是什么意思
曾梦想仗剑走天涯是什么歌
仙家悠闲生活
右箭头怎么打
猜你喜欢
汇祥跑步机怎么样
口腔溃疡如何治疗
生活的艺术
梦见猫是什么预兆
下面外面瘙痒怎么办
11月20日是什么星座
mvp是什么意思
生活需要作文
生活教育
cancel是什么意思中文