小度生活
首页
美食营养
手工爱好
生活家居
返回
小度生活
首页
美食营养
游戏数码
手工爱好
生活家居
健康养生
运动户外
职场理财
情感交际
母婴教育
时尚美容
搜索
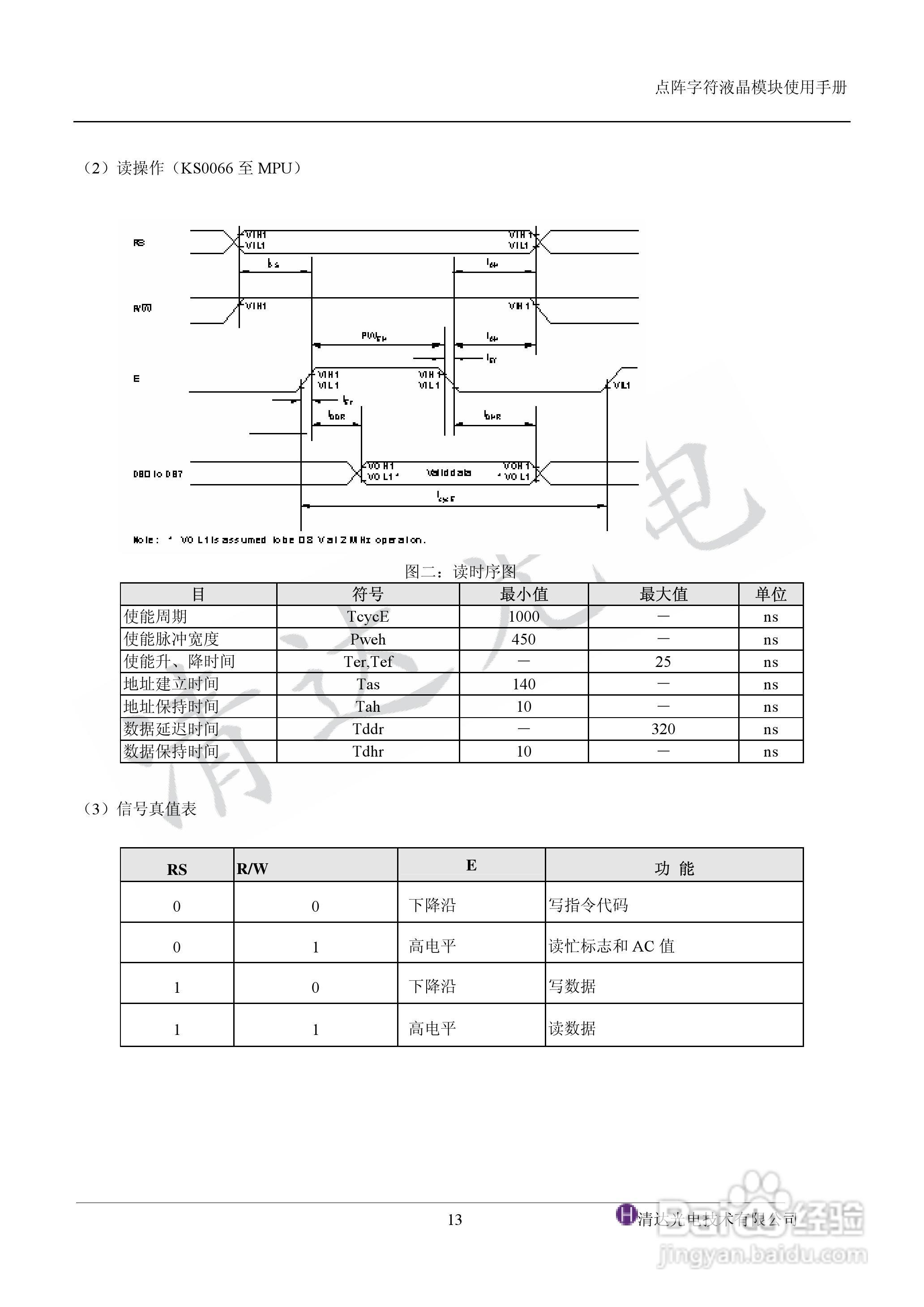
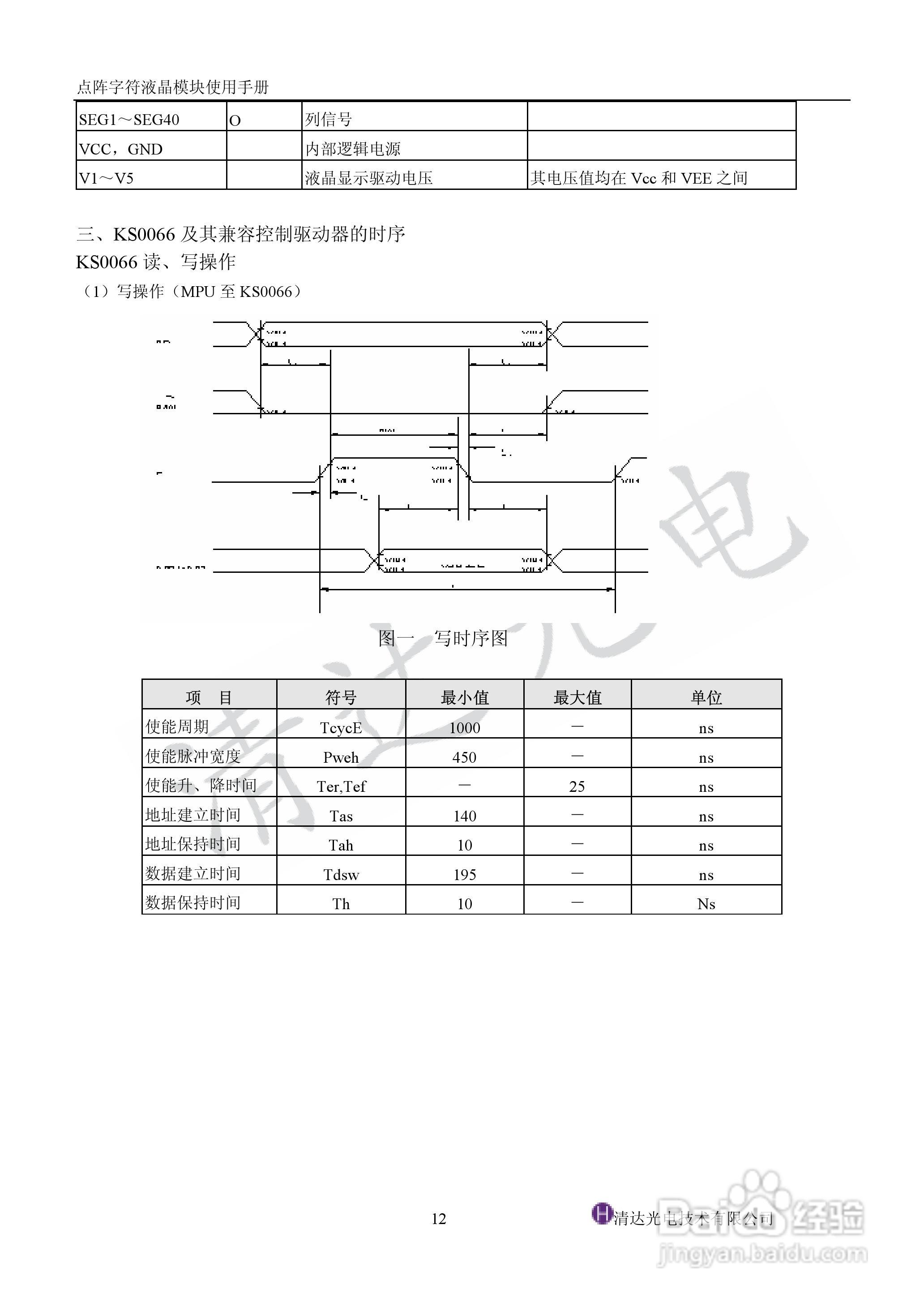
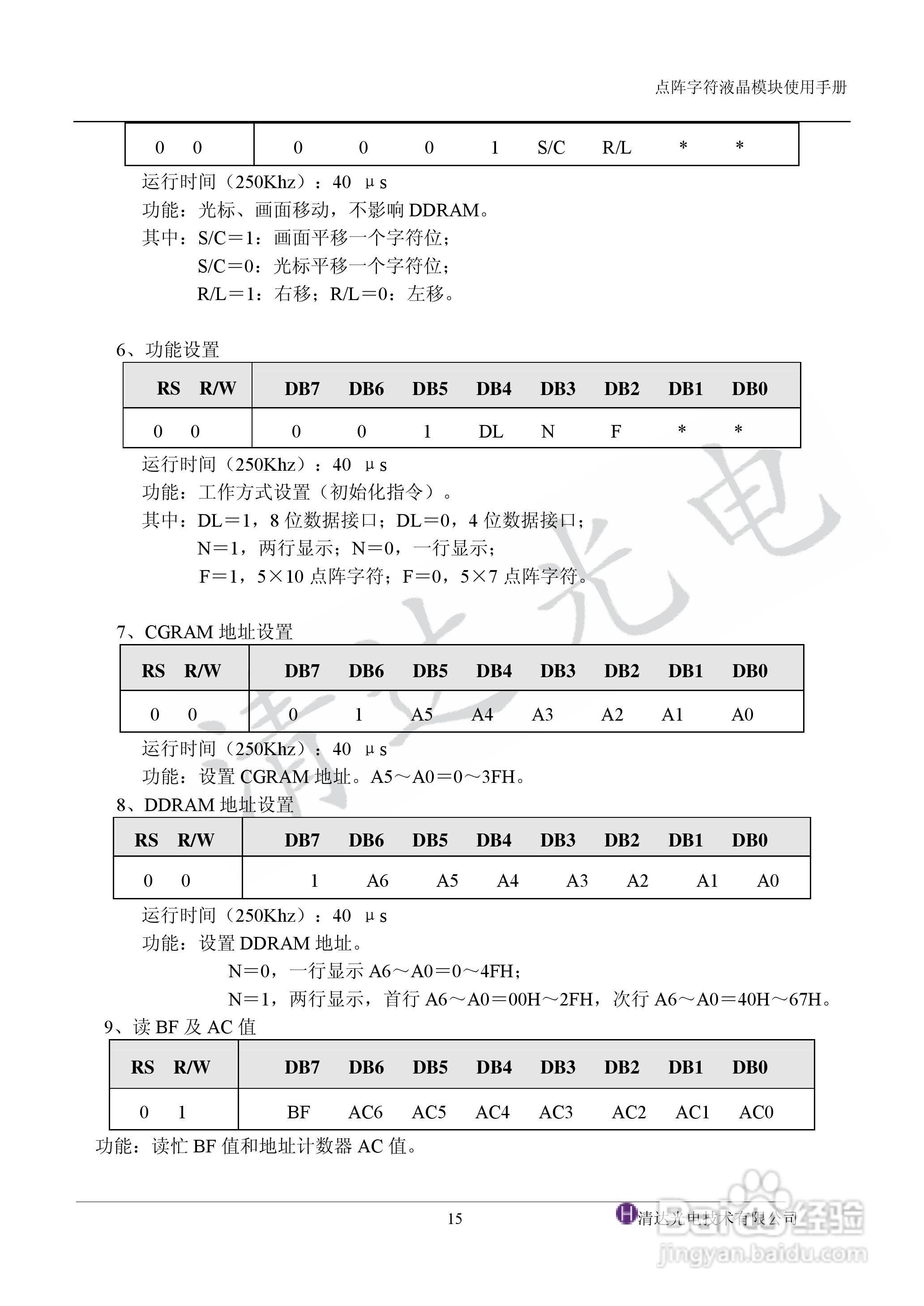
KS0066控制器中文使用说明书:[2]
2025-10-23 20:36:03
本篇为《KS0066控制器中文使用说明书》,主要介绍该产品的使用方法以及常见故障解决方案。
(共篇)
上一篇:
|
下一篇:
声明:
本网站引用、摘录或转载内容仅供网站访问者交流或参考,不代表本站立场,如存在版权或非法内容,请联系站长删除,联系邮箱:site.kefu@qq.com。
相关推荐
KS0066控制器中文使用说明书:[1]
阅读量:42
控制器暂停功能的实现步骤
阅读量:137
KS0066控制器中文使用说明书:[3]
阅读量:117
8037钠监测仪中文使用说明书:[2]
阅读量:76
深圳亚特尔M60-2P电机保护器中文使用说明书:[2]
阅读量:39
猜你喜欢
伐木累是什么意思
performance是什么意思
uhd是什么意思
沪昆高铁什么时候通车
小学生用什么铅笔好
胜天半子是什么意思
trc是什么意思
领导生日送什么礼物
hid是什么意思
一开多控什么意思
猜你喜欢
forever是什么意思
地役权是什么意思
中国结象征什么
委屈是什么意思
云南什么时候去最好
声名狼藉的意思
塔楼是什么意思
孕妇用什么牌子的护肤品好
荡涤的意思
什么叫微信