小度生活
首页
美食营养
手工爱好
生活家居
返回
小度生活
首页
美食营养
游戏数码
手工爱好
生活家居
健康养生
运动户外
职场理财
情感交际
母婴教育
时尚美容
知识问答
生活知识
生活百科
搜索
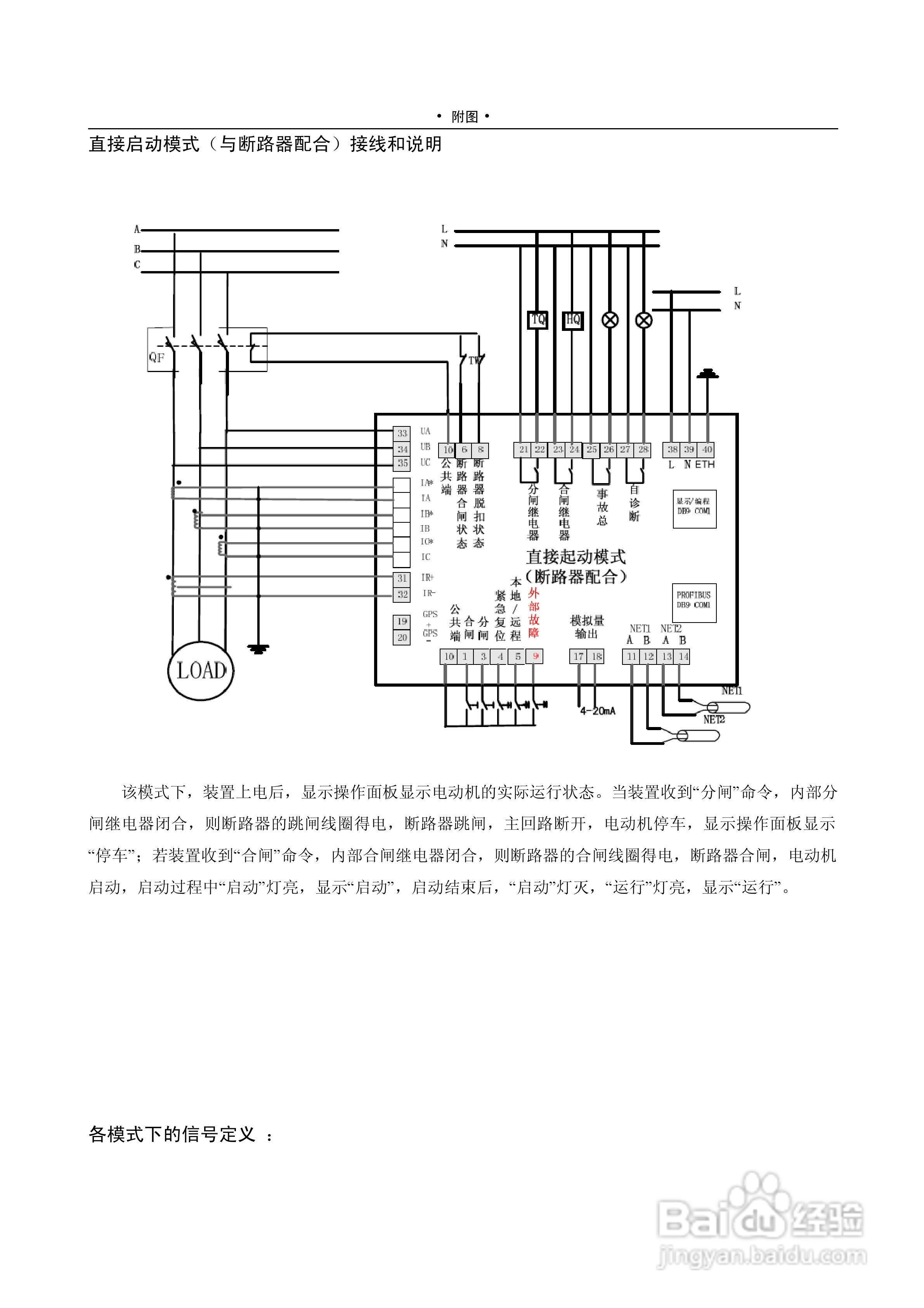
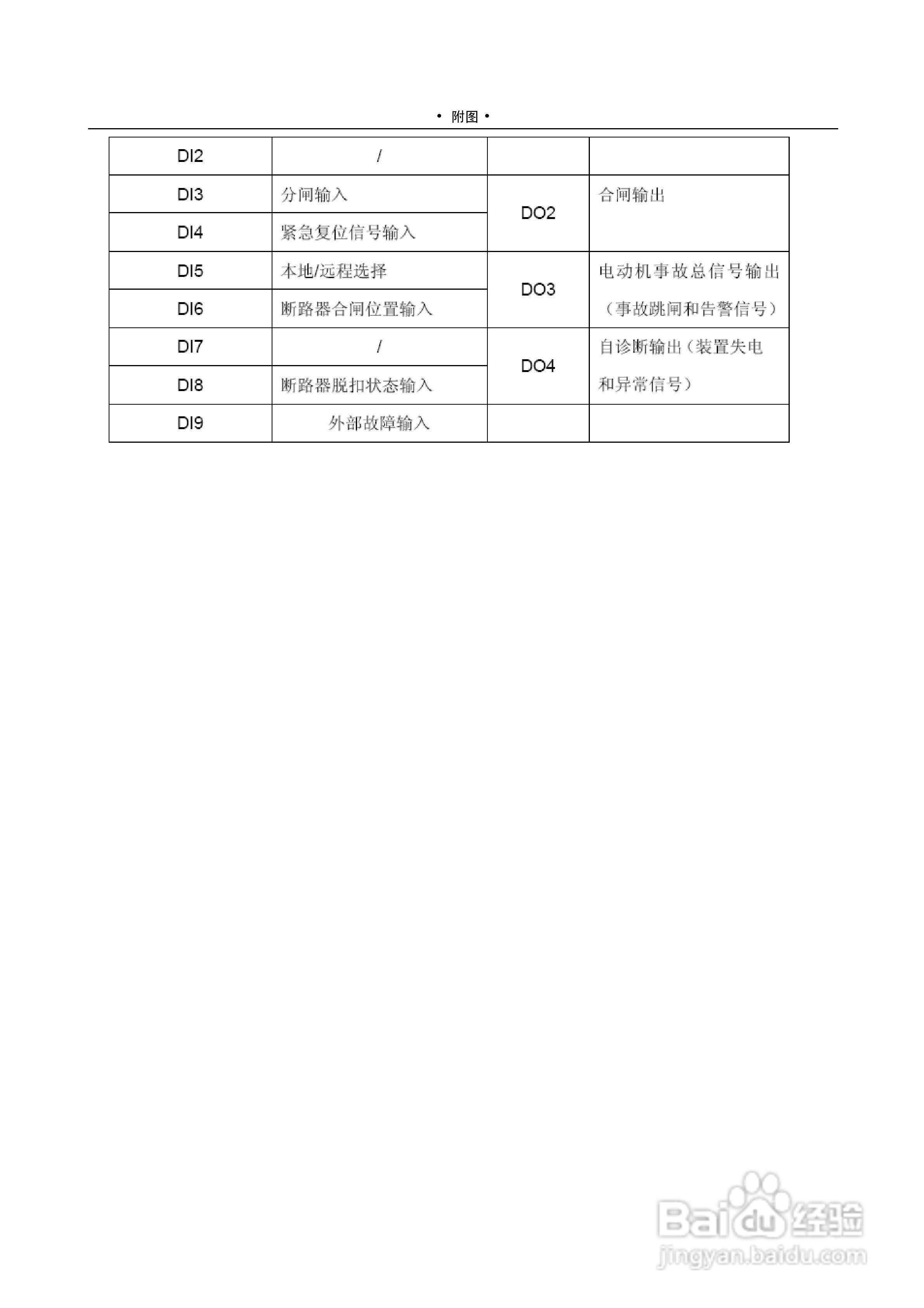
MMP-1020低压电动机保护测控装置说明书:[4]
2026-04-30 08:21:16
本篇为《MMP-1020低压电动机保护测控装置说明书》,主要介绍该产品的使用方法以及常见故障解决方案。
(共篇)
上一篇:
|
下一篇:
声明:
本网站引用、摘录或转载内容仅供网站访问者交流或参考,不代表本站立场,如存在版权或非法内容,请联系站长删除,联系邮箱:site.kefu@qq.com。
相关推荐
MMP-1020低压电动机保护测控装置说明书:[3]
阅读量:155
爱光MMP-5000L1低压电动机保护测控装置说明书:[4]
阅读量:152
爱光MMP-5000L1低压电动机保护测控装置说明书:[1]
阅读量:38
爱光MMP-5000L1低压电动机保护测控装置说明书:[5]
阅读量:57
爱光MMP-1微机电动机综合保护装置说明书:[1]
阅读量:132
猜你喜欢
温文尔雅的近义词
短发卷发发型图片
教诲的近义词是什么
马桶漏水怎么修
雪白的近义词
白血球低是怎么回事
乳房有硬块是怎么回事
看见的近义词
ie组件异常怎么修复
英雄联盟崩溃怎么解决
猜你喜欢
百分点怎么算
汽车博物馆
汽车蜡怎么打
山西医科大学怎么样
一望无际的近义词
怎么煮绿豆粥
凉拌藕片怎么做好吃
妈富隆怎么吃
怎么用手吹口哨
大饼脸适合什么发型