小度生活
首页
美食营养
手工爱好
生活家居
返回
小度生活
首页
美食营养
游戏数码
手工爱好
生活家居
健康养生
运动户外
职场理财
情感交际
母婴教育
时尚美容
知识问答
生活知识
生活百科
搜索
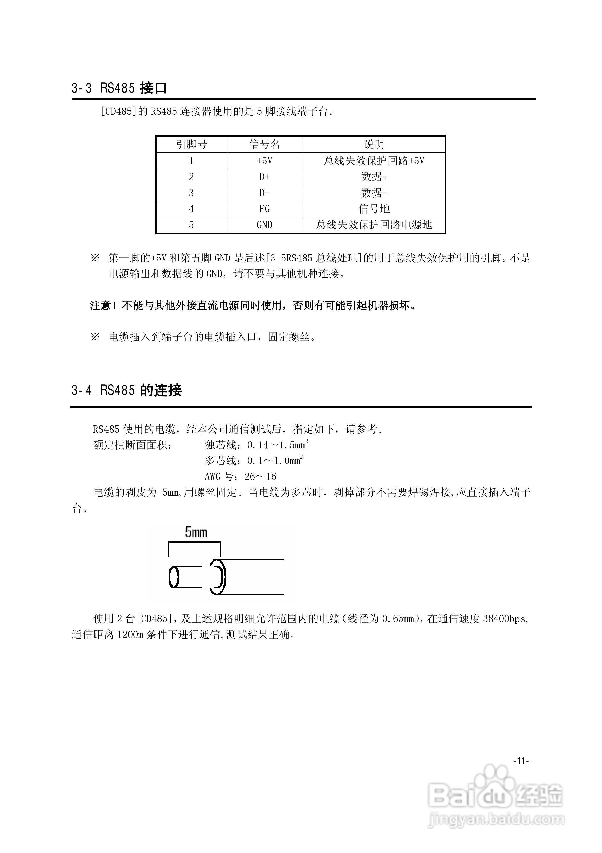
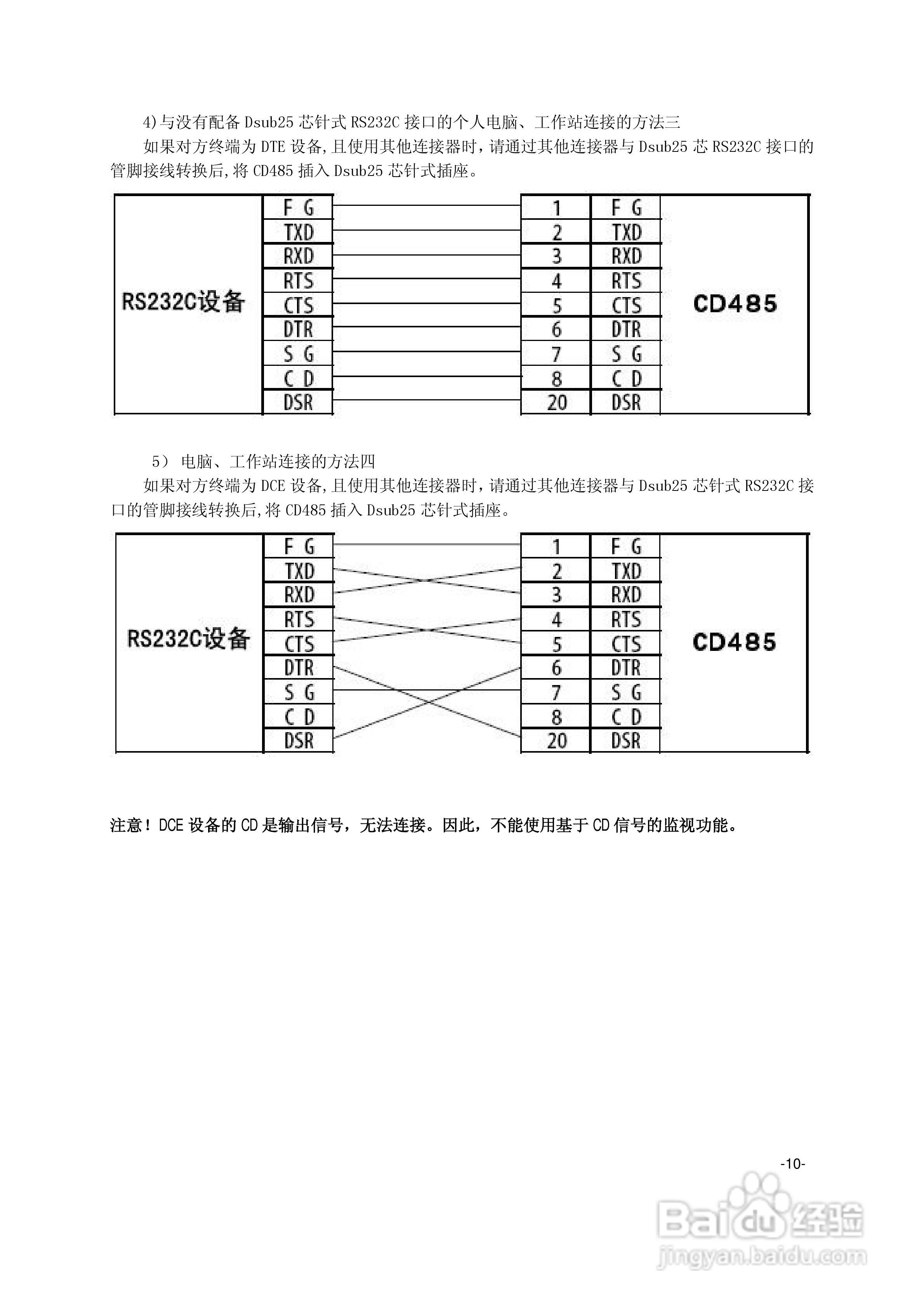
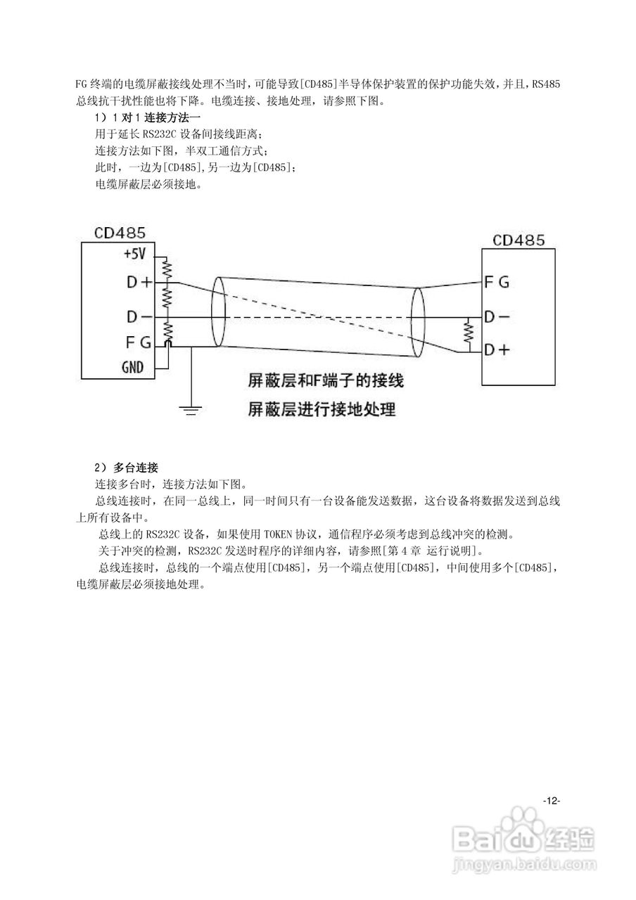
菱科CD485 RS232C/RS485转换器用户手册:[2]
2026-03-31 18:49:07
本篇为《菱科CD485 RS232C/RS485转换器用户手册》,主要介绍该产品的使用方法以及常见故障解决方案。
(共篇)
上一篇:
|
下一篇:
声明:
本网站引用、摘录或转载内容仅供网站访问者交流或参考,不代表本站立场,如存在版权或非法内容,请联系站长删除,联系邮箱:site.kefu@qq.com。
相关推荐
菱科CD485 RS232C/RS485转换器用户手册:[3]
阅读量:41
ODR-C31 以太网至RS232/422/485 转换器用户手册:[2]
阅读量:149
CANopen-RS485网关设备用户手册1
阅读量:106
如何进行RS485通信
阅读量:182
33.STM32的RS485通信实验
阅读量:78
猜你喜欢
pdf如何修改
生活是美好的
985 211是什么意思
如何提高课堂教学效率
如何有效学习
如何配股
ie浏览器如何升级
失业保险如何领取
如何排除体内毒素
赛维洗衣生活馆
猜你喜欢
汽车生活
子宫前位是什么意思
闪屏是怎么回事
如何缓解学习压力
印度人的生活习惯
招商掌上生活
福州外语外贸学院怎么样
一条大河波浪宽是什么歌曲
口臭如何治疗
如何辟谷减肥