小度生活
首页
美食营养
手工爱好
生活家居
返回
小度生活
首页
美食营养
游戏数码
手工爱好
生活家居
健康养生
运动户外
职场理财
情感交际
母婴教育
时尚美容
知识问答
生活知识
搜索
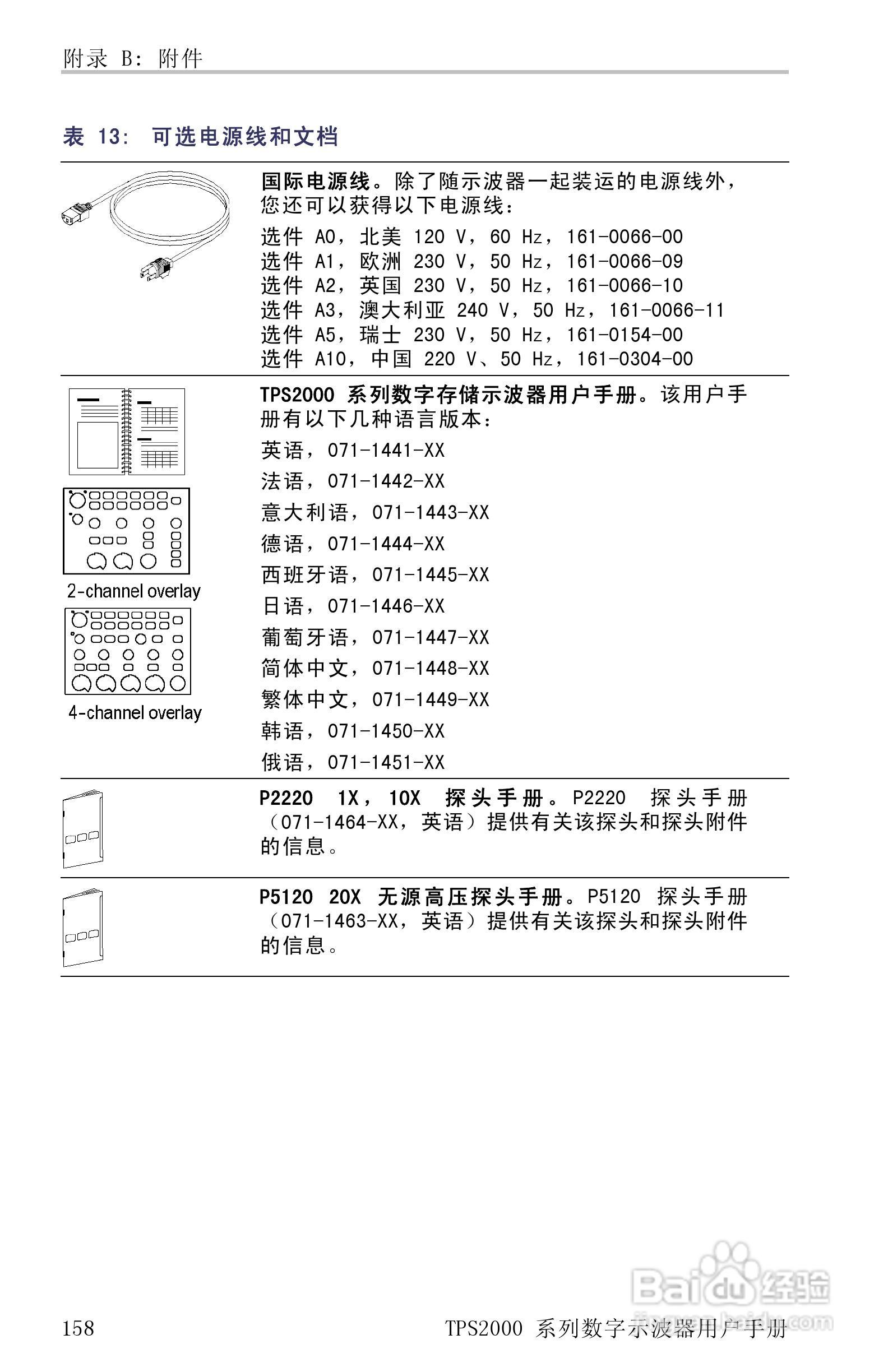
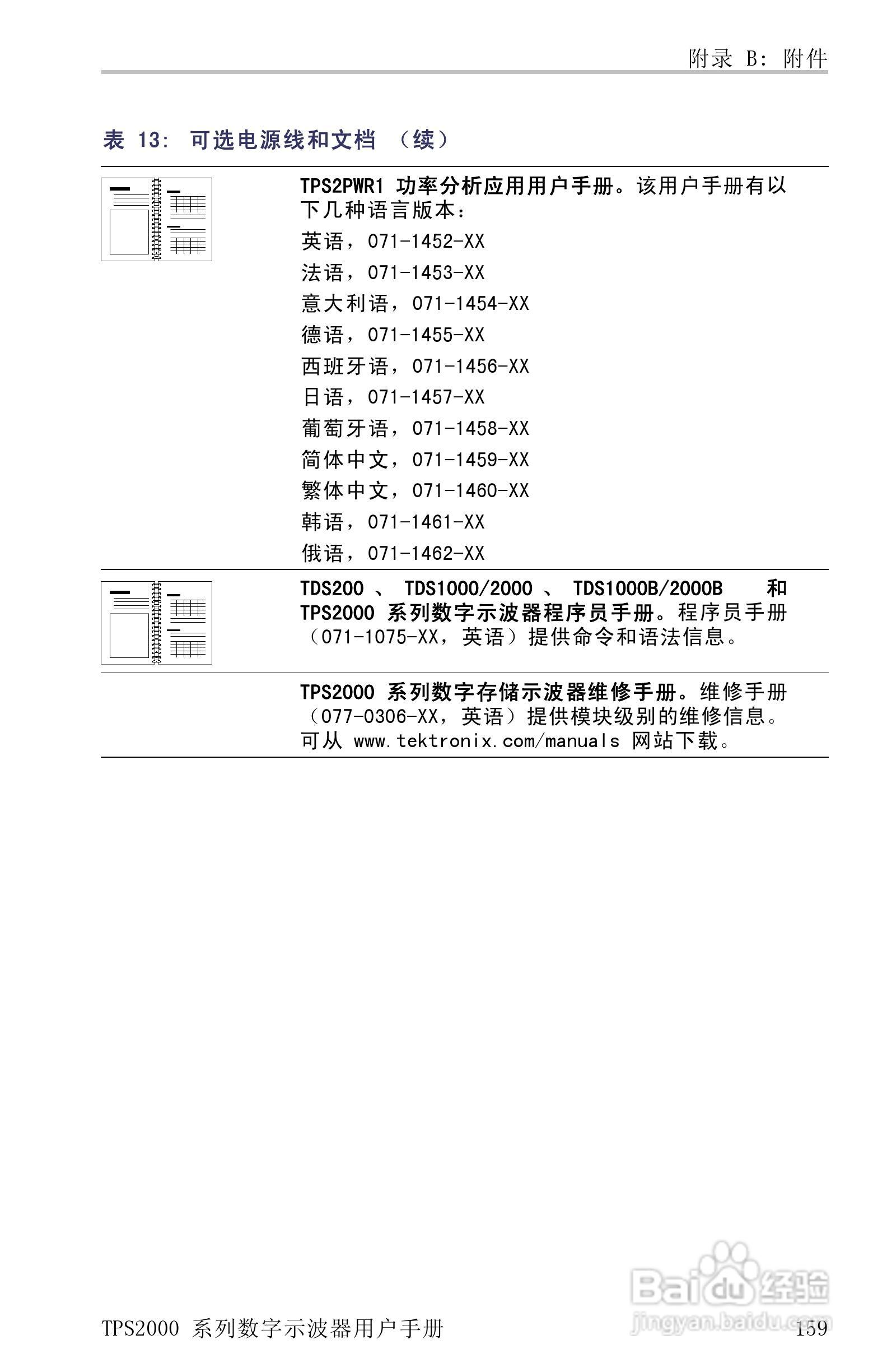
泰克TPS2024数字存储示波器用户手册:[19]
2026-01-26 18:20:01
本篇为《泰克TPS2024数字存储示波器用户手册》,主要介绍该产品的使用方法以及常见故障解决方案。
(共篇)
上一篇:
|
下一篇:
声明:
本网站引用、摘录或转载内容仅供网站访问者交流或参考,不代表本站立场,如存在版权或非法内容,请联系站长删除,联系邮箱:site.kefu@qq.com。
相关推荐
泰克TPS2024数字存储示波器用户手册:[17]
阅读量:184
泰克TPS2024数字存储示波器用户手册:[13]
阅读量:149
示波器快速入门使用指南
阅读量:129
示波器的使用方法介绍
阅读量:129
示波器屏幕显示日期和时间的一种设置方法
阅读量:160
猜你喜欢
职能是什么意思
ui是什么
什么的草地
碧池是什么意思
手串什么材质的好
bak文件是什么
细雨对什么
女人的安全期是什么时候
氟利昂是什么东西
dinner是什么意思
猜你喜欢
考试什么的都去死吧
出柜是什么意思
dick什么意思
什么的天空
善存片适合什么人吃
菊花什么时候开
再给我两分钟是什么歌
离异是什么意思
投影仪什么牌子好
毛坯房是什么意思