小度生活
首页
美食营养
手工爱好
生活家居
返回
小度生活
首页
美食营养
游戏数码
手工爱好
生活家居
健康养生
运动户外
职场理财
情感交际
母婴教育
时尚美容
知识问答
生活知识
搜索
丹纳赫AKM系列伺服马达说明书:[2]
2025-10-29 05:55:49
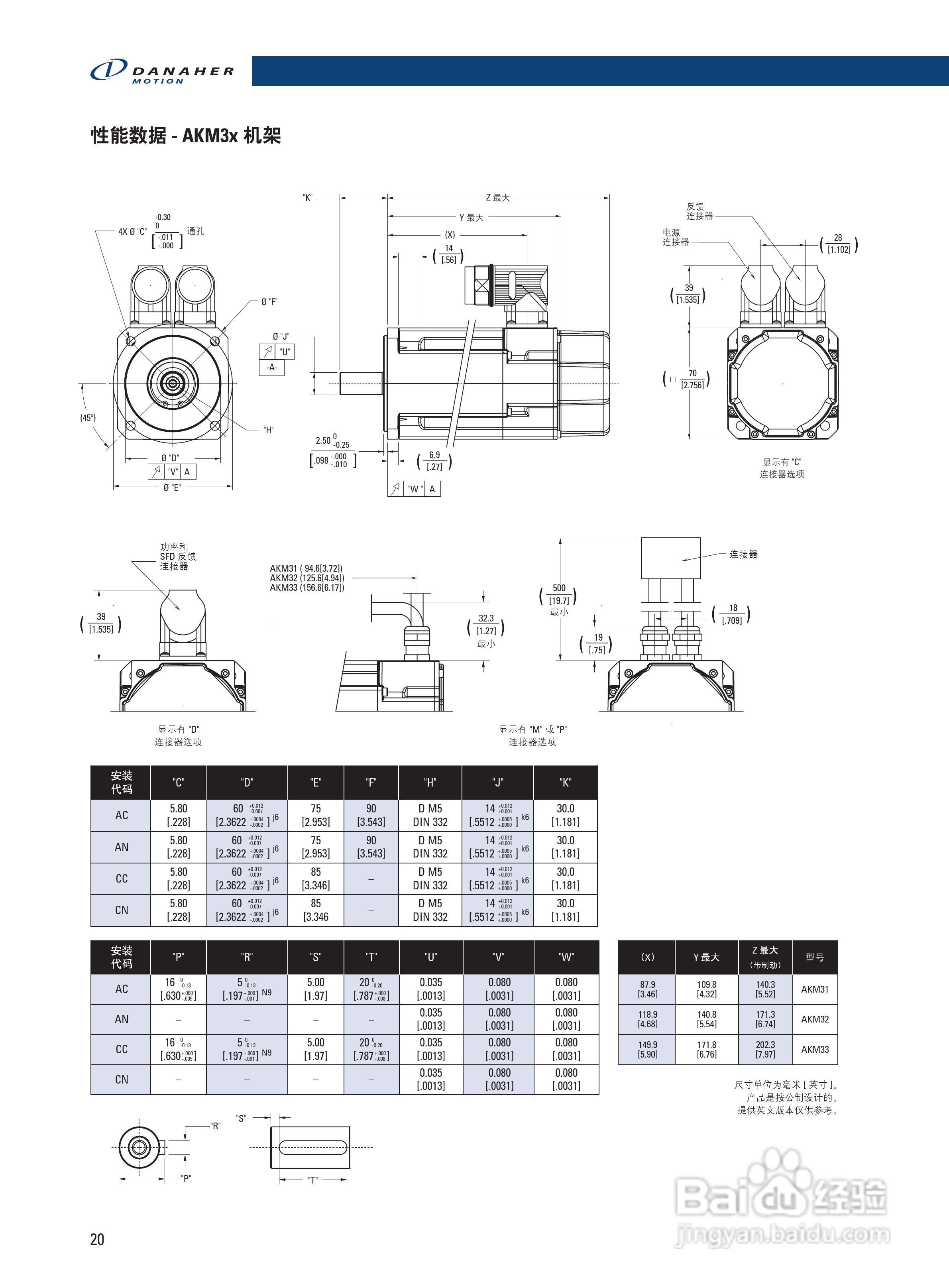
本篇为《丹纳赫AKM系列伺服马达说明书》,主要介绍该产品的使用方法以及常见故障解决方案。
(共篇)
上一篇:
|
下一篇:
声明:
本网站引用、摘录或转载内容仅供网站访问者交流或参考,不代表本站立场,如存在版权或非法内容,请联系站长删除,联系邮箱:site.kefu@qq.com。
相关推荐
丹纳赫AKM系列伺服马达说明书:[1]
阅读量:145
丹纳赫CDDR系列伺服马达说明书:[2]
阅读量:107
丹纳赫CDDR系列伺服马达说明书:[3]
阅读量:109
丹纳赫防爆电机说明书:[2]
阅读量:106
丹纳赫防爆电机说明书:[4]
阅读量:101
猜你喜欢
授信额度是什么意思
ice是什么意思
typ是什么意思
sweet是什么意思
买机票需要什么证件
对冲是什么意思
build是什么意思
spell是什么意思
3c是什么意思
might是什么意思
猜你喜欢
next是什么意思
地役权是什么意思
三股势力指的是什么
冲马煞南是什么意思
潜移默化的意思
学什么好找工作
现在用什么手机好
讥笑的意思
瞬息的意思
相濡以沫的意思