小度生活
首页
美食营养
手工爱好
生活家居
返回
小度生活
首页
美食营养
游戏数码
手工爱好
生活家居
健康养生
运动户外
职场理财
情感交际
母婴教育
时尚美容
知识问答
生活知识
生活百科
搜索
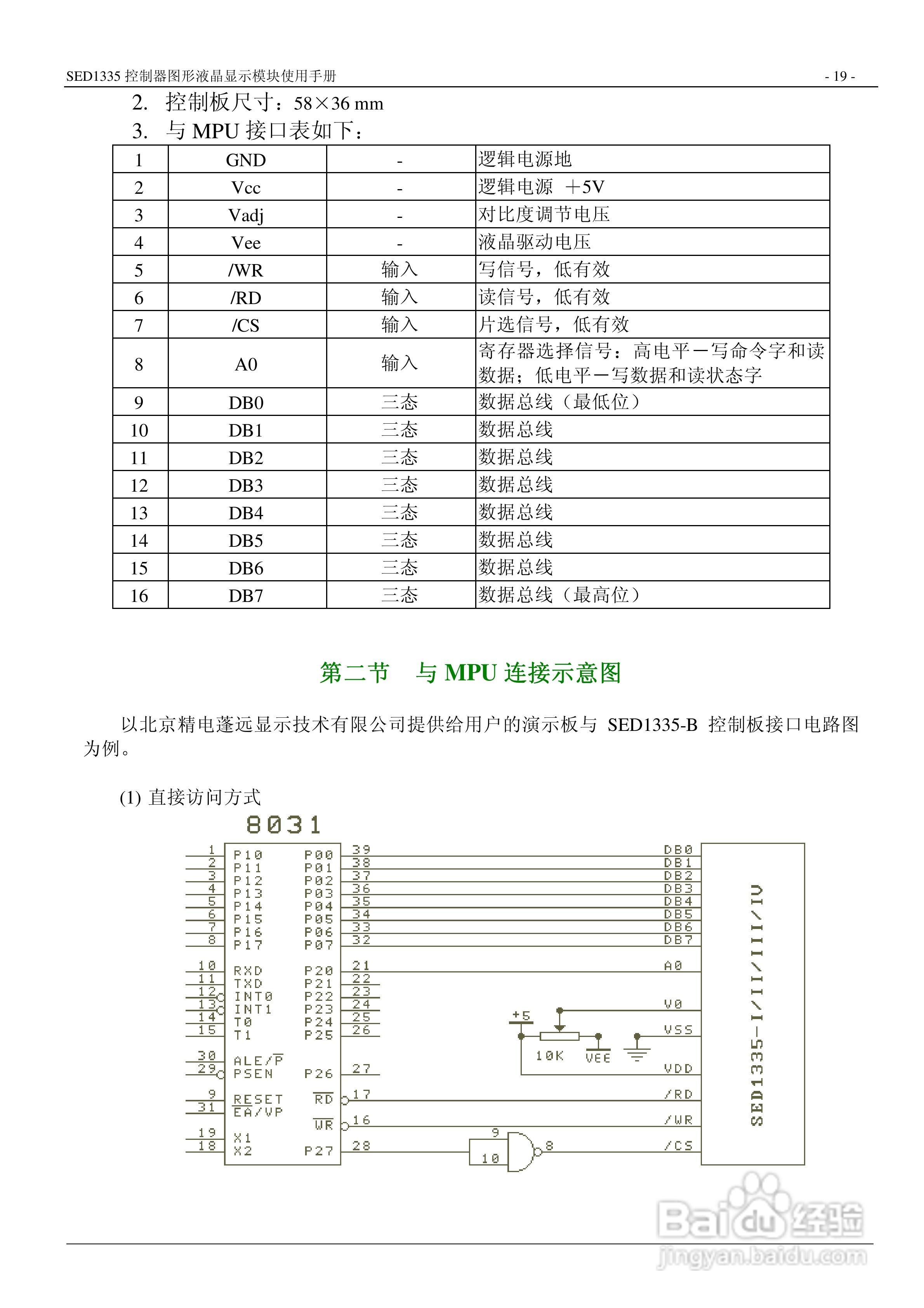
SED1335 控制器图形液晶显示模块使用手册:[2]
2026-04-02 16:52:55
本篇为《SED1335 控制器图形液晶显示模块使用手册》,主要介绍该产品的使用方法以及常见故障解决方案。
(共篇)
上一篇:
|
下一篇:
声明:
本网站引用、摘录或转载内容仅供网站访问者交流或参考,不代表本站立场,如存在版权或非法内容,请联系站长删除,联系邮箱:site.kefu@qq.com。
相关推荐
SED1335 控制器图形液晶显示模块使用手册:[1]
阅读量:91
SED1335 控制器图形液晶显示模块使用手册:[3]
阅读量:191
SED1335控制器使用说明书:[1]
阅读量:99
CA320240B液晶显示模块使用手册:[2]
阅读量:123
瑞通CM240128-2SLYB 图形点阵液晶显示模块使用手册:[2]
阅读量:56
猜你喜欢
趾高气扬是什么意思
default是什么意思
打尖是什么意思
简直的意思
emmmm是什么意思
圣诞祝福语
上海外滩有什么好玩的
世态炎凉的意思
暖气片什么样的好
周末祝福信息
猜你喜欢
暖水瓶什么牌子好
石敢当是什么意思
goose是什么意思
芦荟膏有什么作用
分外妖娆的意思
公主病是什么意思
海淘用什么信用卡好
tired的意思
info是什么意思
什么是文艺片