小度生活
首页
美食营养
手工爱好
生活家居
返回
小度生活
首页
美食营养
游戏数码
手工爱好
生活家居
健康养生
运动户外
职场理财
情感交际
母婴教育
时尚美容
知识问答
生活知识
搜索
ABB REL670线路距离保护/控制装置说明书:[5]
2025-11-06 22:38:21
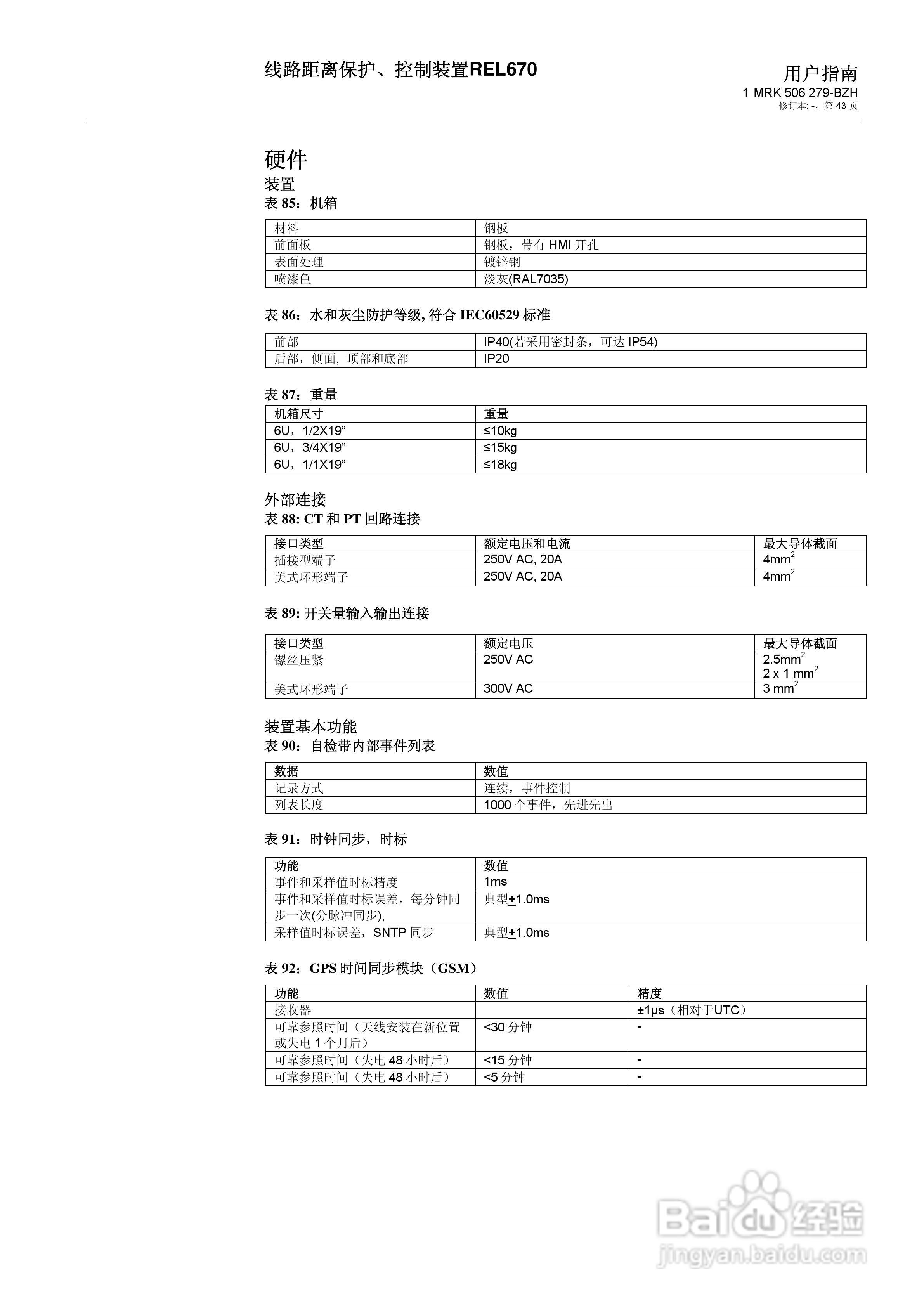
本篇为《ABB REL670线路距离保护/控制装置说明书》,主要介绍该产品的使用方法以及常见故障解决方案。
(共篇)
上一篇:
|
下一篇:
声明:
本网站引用、摘录或转载内容仅供网站访问者交流或参考,不代表本站立场,如存在版权或非法内容,请联系站长删除,联系邮箱:site.kefu@qq.com。
相关推荐
ABB REL670线路距离保护/控制装置说明书:[6]
阅读量:133
ABB RED670线路差动保护用户手册:[5]
阅读量:99
ABB REG670发电机保护说明书:[5]
阅读量:184
ABB RED670线路差动保护用户手册:[2]
阅读量:105
ABB REG670发电机保护说明书:[3]
阅读量:122
猜你喜欢
卵黄囊什么时候出现
什么留在心里
get是什么意思
顺遂什么意思
净资产是指什么
墨水用什么洗
揉豆豆超级快时会什么感觉
什么数字最听话
耳机什么牌子的好
什么是小型微利企业
猜你喜欢
堪称是什么意思
两不愁三保障是指什么
什么东西越擦越小
送父母什么礼物好
菊苣的作用
信念是什么意思
elegant什么意思
大猪蹄子是什么意思
msds是什么意思
工装裤配什么上衣