小度生活
首页
美食营养
手工爱好
生活家居
返回
小度生活
首页
美食营养
游戏数码
手工爱好
生活家居
健康养生
运动户外
职场理财
情感交际
母婴教育
时尚美容
知识问答
生活知识
生活百科
搜索
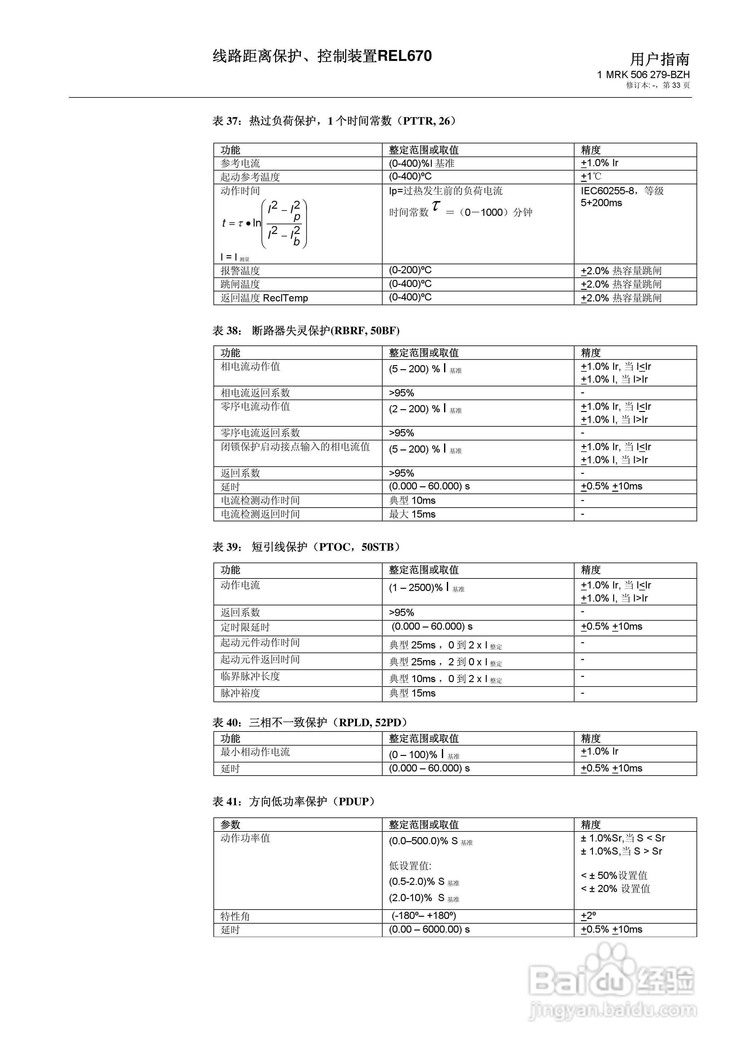
ABB REL670线路距离保护/控制装置说明书:[4]
2026-04-12 03:04:53
本篇为《ABB REL670线路距离保护/控制装置说明书》,主要介绍该产品的使用方法以及常见故障解决方案。
(共篇)
上一篇:
|
下一篇:
声明:
本网站引用、摘录或转载内容仅供网站访问者交流或参考,不代表本站立场,如存在版权或非法内容,请联系站长删除,联系邮箱:site.kefu@qq.com。
相关推荐
ABB REL670线路距离保护/控制装置说明书:[7]
阅读量:33
ABB RED670线路差动保护用户手册:[4]
阅读量:74
ABB REG670发电机保护说明书:[4]
阅读量:196
ABB RED670线路差动保护用户手册:[2]
阅读量:176
ABB REG670发电机保护说明书:[5]
阅读量:160
猜你喜欢
实习单位鉴定怎么写
过敏性鼻炎的最佳治疗方法
怎么样算阳痿
教育方法
婴儿帽子的编织方法
如何炖鸡好吃
怎么打字快
电子商务专业怎么样
蘑菇的种植方法
遇到坏人怎么办
猜你喜欢
月亮图片大全唯美大图
反问句改陈述句的方法
新生儿吐奶怎么回事
名牌鞋子品牌大全
o型腿矫正方法
求值域的方法
长安cs35怎么样
成都好吃的火锅
大便干燥怎么调理
骨刺的最佳治疗方法