小度生活
首页
美食营养
手工爱好
生活家居
返回
小度生活
首页
美食营养
游戏数码
手工爱好
生活家居
健康养生
运动户外
职场理财
情感交际
母婴教育
时尚美容
知识问答
生活知识
搜索
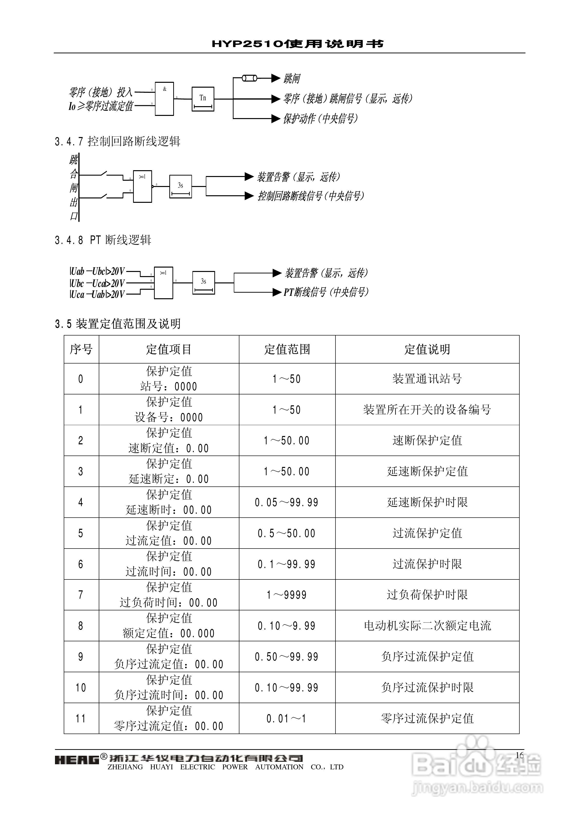
HYP2510 微机进线备自投保护监控装置使用说明书:[2]
2025-10-23 08:30:53
本篇为《HYP2510 微机进线备自投保护监控装置使用说明书》,主要介绍该产品的使用方法以及常见故障解决方案。
(共篇)
上一篇:
声明:
本网站引用、摘录或转载内容仅供网站访问者交流或参考,不代表本站立场,如存在版权或非法内容,请联系站长删除,联系邮箱:site.kefu@qq.com。
相关推荐
华仪电力HYP2520微机母联备自投保护监控装置使用说明:[2]
阅读量:176
华仪电力HYP2520微机母联备自投保护监控装置使用说明:[1]
阅读量:116
UT-9961A分段备自投保护测控装置使用说明书:[2]
阅读量:63
微机继电保护测试仪交流试验操作方法
阅读量:31
微机继电保护测试仪差动保护注意事项
阅读量:148
猜你喜欢
什么是大满贯
数字人民币是什么意思
leg是什么意思
theory什么意思
really是什么意思
什么是微课程
平行志愿是什么意思
sounds是什么意思
pvp是什么意思
曲终人散什么意思
猜你喜欢
不由自主的意思
5g网络什么时候上市
哗众取宠的意思
郁郁葱葱的意思是什么
醋泡黑豆的作用
赤芍的作用与功效
斟酌的意思
anxiety什么意思
番禺有什么好玩的地方
eliauk是什么意思