小度生活
首页
美食营养
手工爱好
生活家居
返回
小度生活
首页
美食营养
游戏数码
手工爱好
生活家居
健康养生
运动户外
职场理财
情感交际
母婴教育
时尚美容
知识问答
生活知识
生活百科
搜索
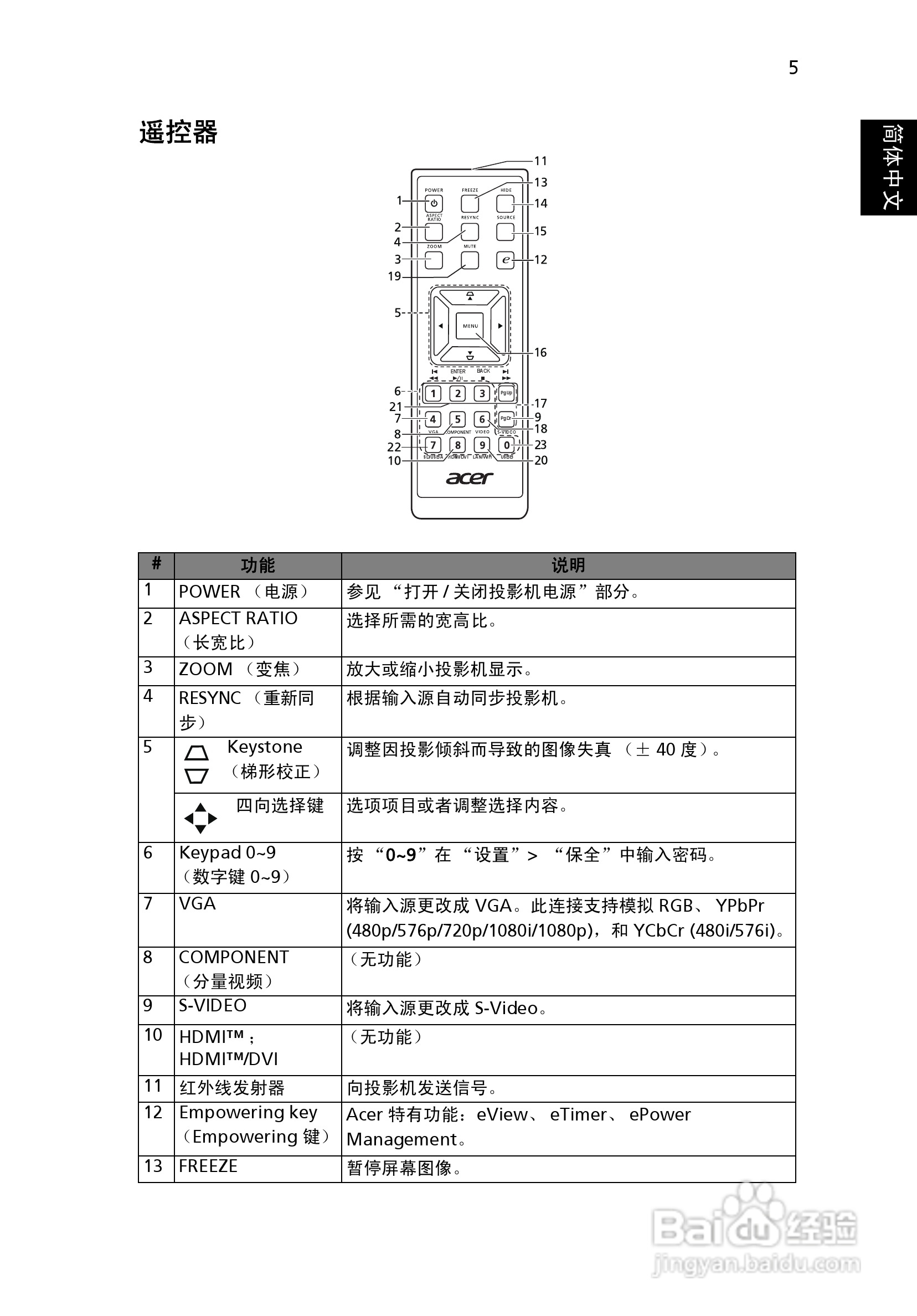
Acer S1110投影机使用说明书:[2]
2026-05-03 23:24:43
本篇为《Acer S1110投影机使用说明书》,主要介绍该产品的使用方法以及常见故障解决方案。
(共篇)
上一篇:
|
下一篇:
声明:
本网站引用、摘录或转载内容仅供网站访问者交流或参考,不代表本站立场,如存在版权或非法内容,请联系站长删除,联系邮箱:site.kefu@qq.com。
相关推荐
Acer S1110投影机使用说明书:[3]
阅读量:137
Acer投影机X1261说明书:[2]
阅读量:87
Acer投影机P7280 P7280i说明书:[2]
阅读量:68
Acer投影机X1160 X1160P说明书:[2]
阅读量:82
Acer投影机P7290说明书:[2]
阅读量:96
猜你喜欢
反问句的作用
苹果醋的功效与作用
运动减肥食谱
风雨同舟什么意思
高中三角函数知识点
桂花酒的功效与作用
房地产知识
共轭亚油酸的作用
花椒的功效与作用
艾绒的功效与作用
猜你喜欢
土霉素片的功效与作用
小学什么时候放寒假
叶酸片的作用
冬季防火安全知识
长高运动
什么让我感动作文
什么是bi
curtain什么意思
综合知识考什么
银杏叶片的功效与作用