小度生活
首页
美食营养
手工爱好
生活家居
返回
小度生活
首页
美食营养
游戏数码
手工爱好
生活家居
健康养生
运动户外
职场理财
情感交际
母婴教育
时尚美容
知识问答
生活知识
生活百科
搜索
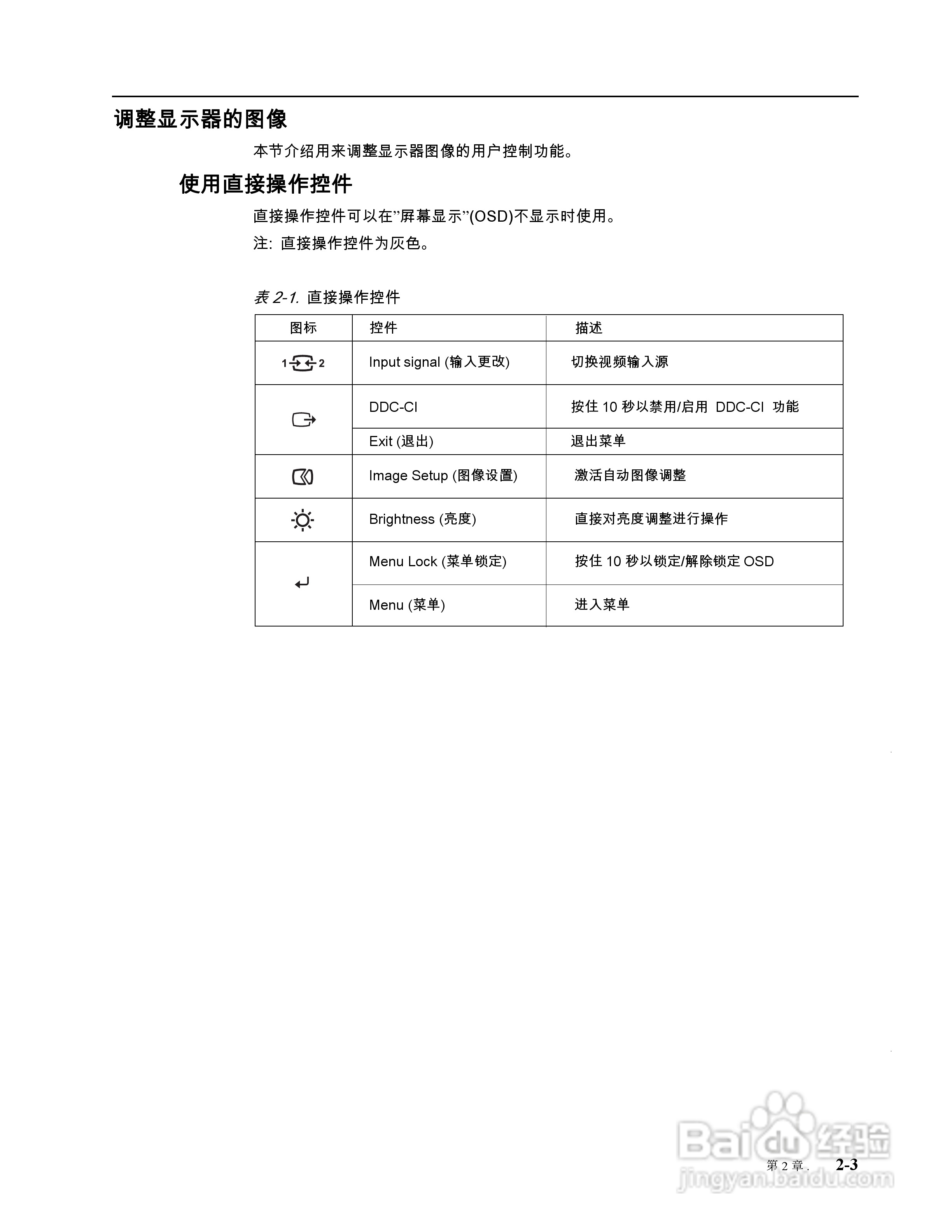
联想LT1953wF液晶显示器使用说明书:[2]
2026-05-18 13:38:41
/>
(共篇)
上一篇:
|
下一篇:
声明:
本网站引用、摘录或转载内容仅供网站访问者交流或参考,不代表本站立场,如存在版权或非法内容,请联系站长删除,联系邮箱:site.kefu@qq.com。
相关推荐
联想L1950液晶显示器使用说明书:[2]
阅读量:21
联想L195液晶显示器使用说明书:[2]
阅读量:155
联想L2262WA液晶显示器使用说明书:[2]
阅读量:40
联想电脑bios设置图解教程
阅读量:121
联想电脑如何一键恢复出厂设置
阅读量:138
猜你喜欢
氯化钙是什么
现在流行什么发型
rng是什么
舍本逐末是什么意思
微信视频号是什么
招财是什么
svn是什么
brave什么意思
务必什么意思
运动会跑步加油稿
猜你喜欢
菜刀什么牌子好
land rover是什么车
receive什么意思
偷什么东西不犯法
nice to meet you什么意思
水蚤养殖
车标r是什么车
什么是it行业
ah是什么意思
节操是什么