小度生活
首页
美食营养
手工爱好
生活家居
返回
小度生活
首页
美食营养
游戏数码
手工爱好
生活家居
健康养生
运动户外
职场理财
情感交际
母婴教育
时尚美容
搜索
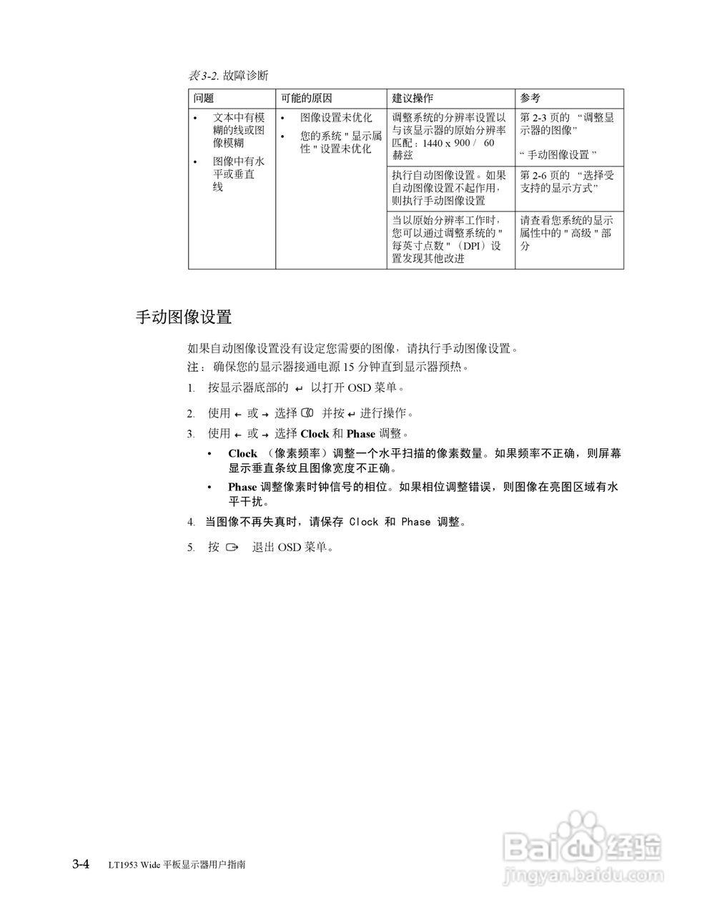
联想LT1953wF液晶显示器使用说明书:[3]
2025-10-22 14:42:12
/>
(共篇)
上一篇:
声明:
本网站引用、摘录或转载内容仅供网站访问者交流或参考,不代表本站立场,如存在版权或非法内容,请联系站长删除,联系邮箱:site.kefu@qq.com。
相关推荐
win7 系统无法通过局域网共享Hp laserjet打印机
阅读量:115
win10系统怎么共享文件夹
阅读量:195
如何删除本地凭据以防止域账号经常被锁
阅读量:170
Ncomputing桌面虚拟化连接不上服务器的解决方法
阅读量:174
中兴网络摄像头 小兴看看 配置攻略
阅读量:152
猜你喜欢
幼稚是什么意思
什么是竞走
配债是什么意思
null是什么意思
发行市盈率是什么意思
什么东西天气越热爬的越高
pi是什么意思
工商企业管理学什么
容重是什么意思
预付账款是什么意思
猜你喜欢
鞭策的意思
dig是什么意思
什么花代表什么
天真无邪什么意思
脱式计算是什么意思
公务员考试考什么科目
virus是什么意思
肺炎支原体抗体阳性是什么意思
aeroplane什么意思
梦见自己怀孕是什么意思