小度生活
首页
美食营养
手工爱好
生活家居
返回
小度生活
首页
美食营养
游戏数码
手工爱好
生活家居
健康养生
运动户外
职场理财
情感交际
母婴教育
时尚美容
知识问答
生活知识
生活百科
搜索
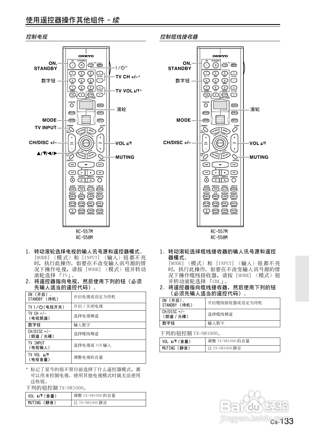
安桥AV接收机TX-NR1000型使用说明书:[7]
2026-04-22 11:47:12
(共篇)
上一篇:
|
下一篇:
声明:
本网站引用、摘录或转载内容仅供网站访问者交流或参考,不代表本站立场,如存在版权或非法内容,请联系站长删除,联系邮箱:site.kefu@qq.com。
相关推荐
安桥AV接收机TX-NR1000型使用说明书:[8]
阅读量:61
安桥AV接收机TX-NR1000型使用说明书:[2]
阅读量:34
安桥AV接收机TX-NR900型使用说明书:[1]
阅读量:144
安桥AV接收机TX-NR900型使用说明书:[3]
阅读量:126
使用说明书wf2651使用指南
阅读量:187
猜你喜欢
管培生是什么意思
普洱生茶的功效与作用
beloved是什么意思
cap是什么意思
mobile是什么意思
cpi是什么意思啊
冰箱什么牌子性价比高
意思
通报批评属于什么处分
价值规律的内容和作用
猜你喜欢
什么是微信营销
手机暂停服务什么意思
群蚁排衙的意思
dc是什么意思
什么是结汇
supper是什么意思
庇护的意思
备胎是什么意思
化险为夷什么意思
望而生畏的意思