小度生活
首页
美食营养
手工爱好
生活家居
返回
小度生活
首页
美食营养
游戏数码
手工爱好
生活家居
健康养生
运动户外
职场理财
情感交际
母婴教育
时尚美容
知识问答
生活知识
生活百科
搜索
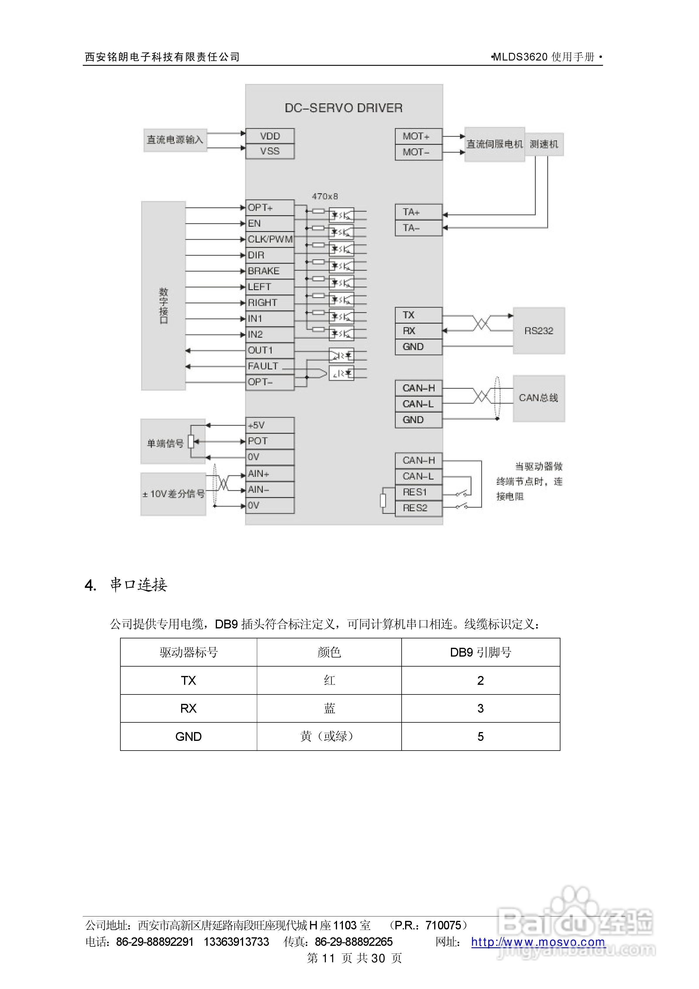
铭朗科技MLDS3620直流伺服驱动器说明书:[2]
2026-03-29 06:34:05
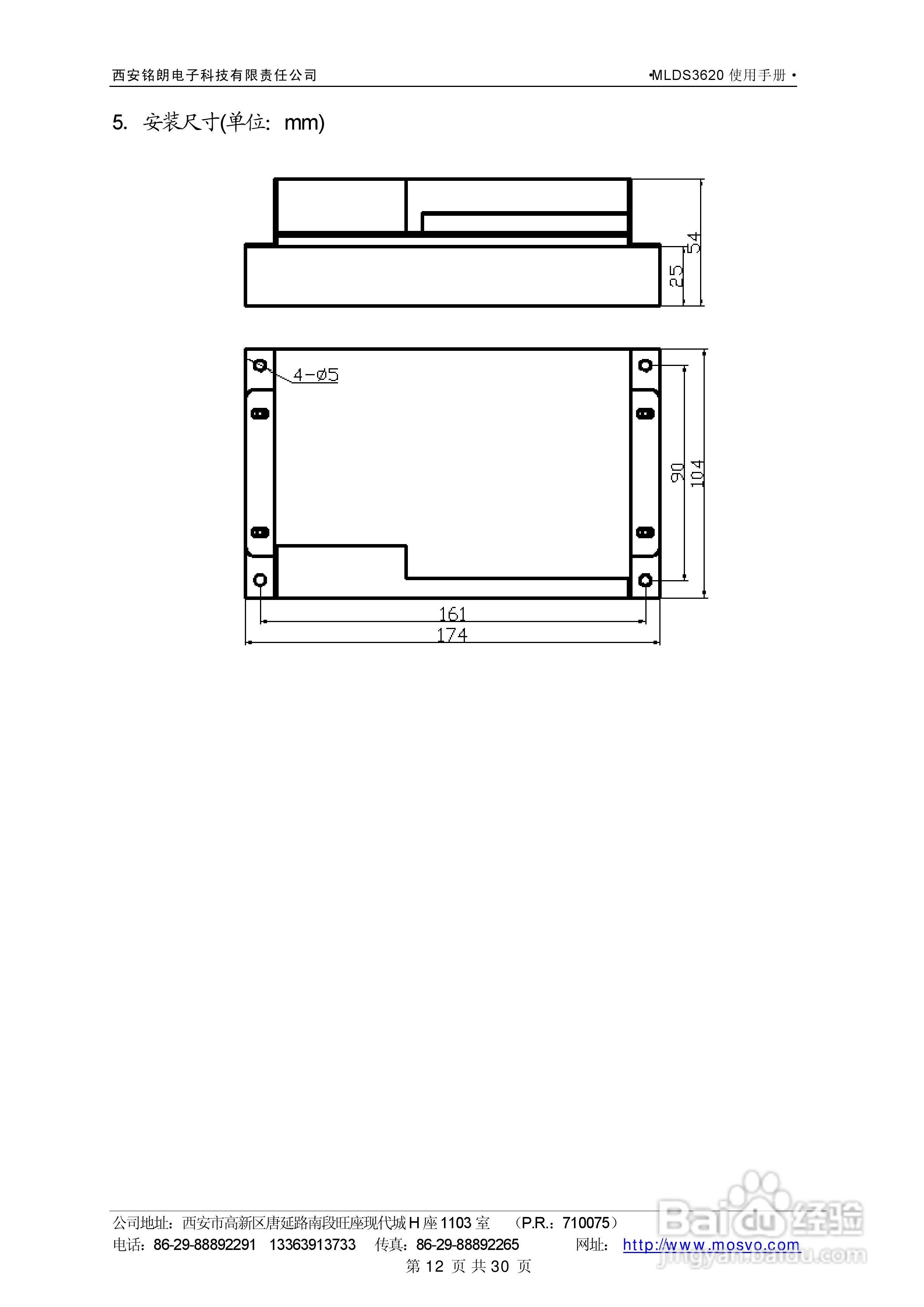
本篇为《铭朗科技MLDS3620直流伺服驱动器说明书》,主要介绍该产品的使用方法以及常见故障解决方案。
(共篇)
上一篇:
|
下一篇:
声明:
本网站引用、摘录或转载内容仅供网站访问者交流或参考,不代表本站立场,如存在版权或非法内容,请联系站长删除,联系邮箱:site.kefu@qq.com。
相关推荐
铭朗科技MLDS2402直流伺服驱动器说明书:[2]
阅读量:96
铭朗科技MLDS2402直流伺服驱动器说明书:[1]
阅读量:114
铭朗科技MLDS2410直流伺服驱动器说明书:[3]
阅读量:59
铭朗科技MLDS2410直流伺服驱动器说明书:[1]
阅读量:35
铭朗科技MLDS2410-A直流伺服驱动器说明书:[1]
阅读量:182
猜你喜欢
8月8日是什么星座
棒槌是什么意思
lanvin是什么牌子
手机nfc功能是什么
什么的礼物填空
破月是什么意思
农村户口有什么好处
什么叫合数
8月15日是什么节
香油是什么油
猜你喜欢
11月14日是什么星座
10月29日是什么星座
现在什么生意好做
什么的英文
肚子胀是什么原因
ie是什么意思
刻公章需要什么手续
放管服指什么
飞机杯是什么
魁拔4什么时候上映