小度生活
首页
美食营养
手工爱好
生活家居
返回
小度生活
首页
美食营养
游戏数码
手工爱好
生活家居
健康养生
运动户外
职场理财
情感交际
母婴教育
时尚美容
知识问答
生活知识
生活百科
搜索
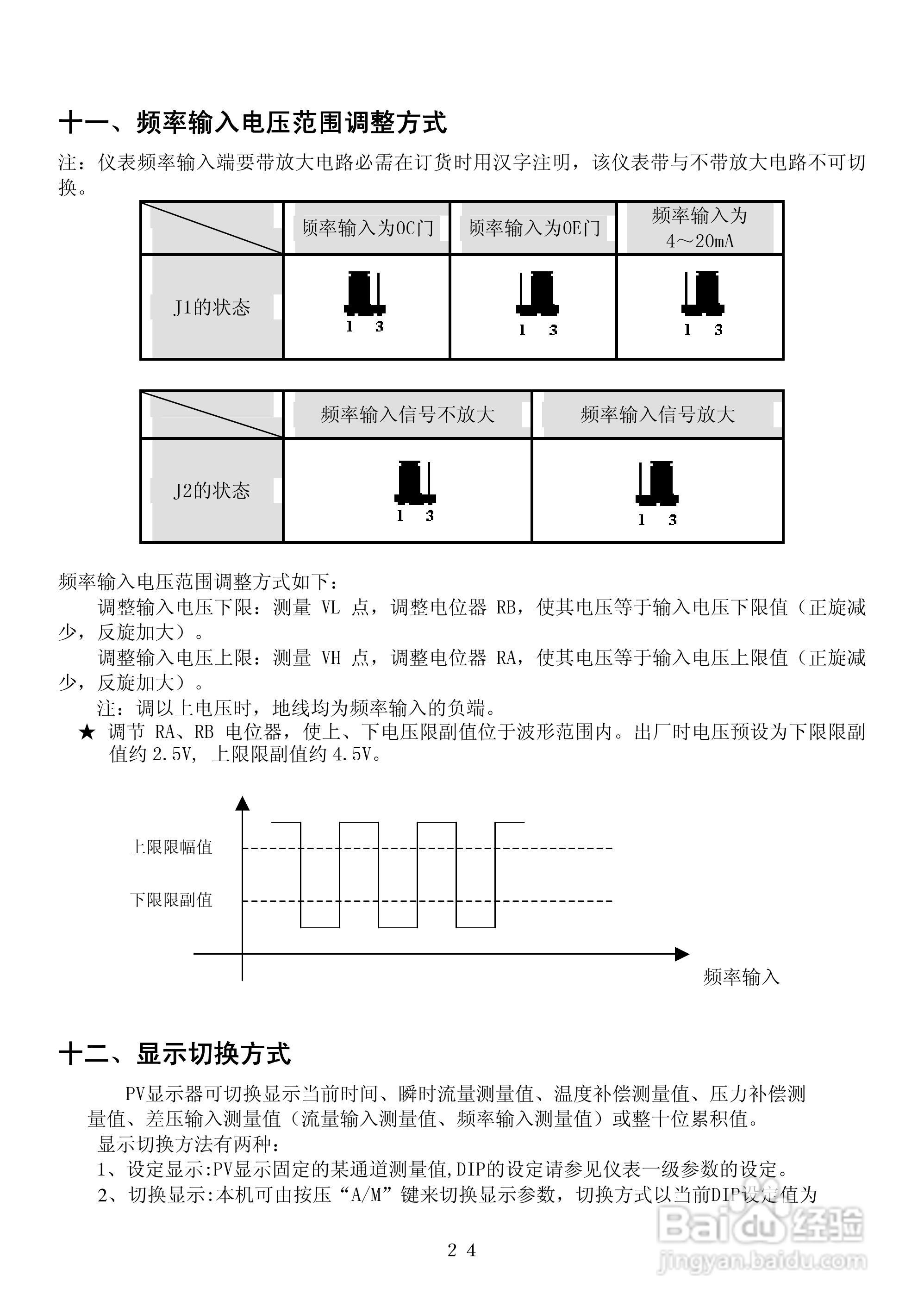
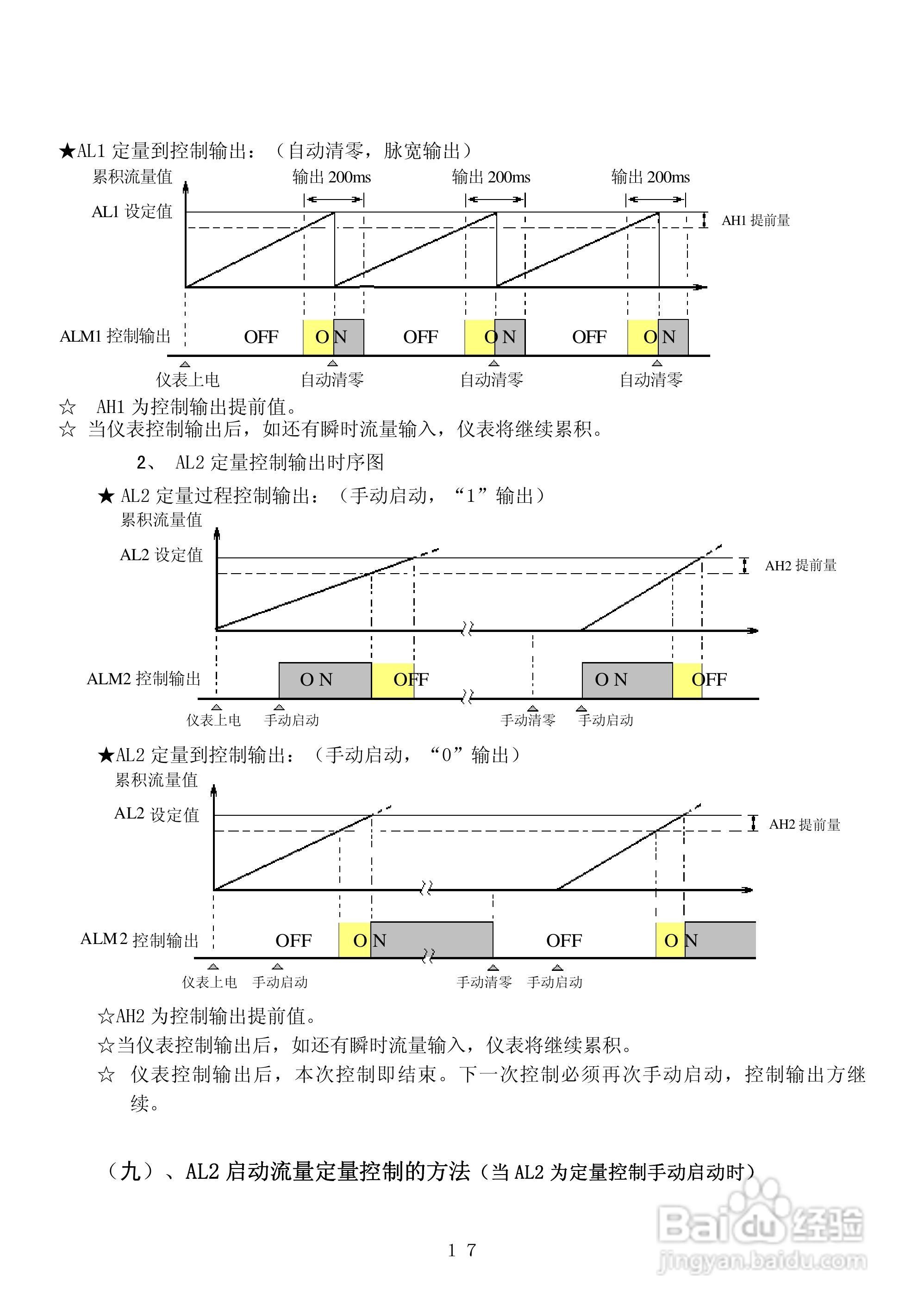
SWP-CF-LK智能流量积算控制仪操作手:[3]
2026-03-31 04:00:30
本篇为《SWP-CF-LK智能流量积算控制仪操作手》,主要介绍该产品的使用方法以及常见故障解决方案。
(共篇)
上一篇:
|
下一篇:
声明:
本网站引用、摘录或转载内容仅供网站访问者交流或参考,不代表本站立场,如存在版权或非法内容,请联系站长删除,联系邮箱:site.kefu@qq.com。
相关推荐
SWP-CF-LK智能流量积算控制仪操作手:[6]
阅读量:79
昌晖CF-LK智能流量积算控制仪说明书:[3]
阅读量:153
昌晖CF-LK智能流量积算控制仪说明书:[2]
阅读量:51
昌晖CF-LK智能流量积算控制仪说明书:[6]
阅读量:41
昌晖CF-LK智能流量积算控制仪说明书:[5]
阅读量:70
猜你喜欢
营长是什么级别
亚麻带日语什么意思
随迁子女是什么意思
vdc是什么意思
cad是什么意思
内敛是什么意思
欣然是什么意思
阿胶什么时候吃最好
向日葵什么时候开花
read是什么意思
猜你喜欢
腼腆是什么意思
高级会计师报名需要什么条件
1月23日是什么星座
肛门口有个软软的肉疙瘩是什么
津津有味的反义词是什么
谷雨是什么季节
lae是什么意思
开本是什么意思
moon是什么意思
什么是a股