小度生活
首页
美食营养
手工爱好
生活家居
返回
小度生活
首页
美食营养
游戏数码
手工爱好
生活家居
健康养生
运动户外
职场理财
情感交际
母婴教育
时尚美容
知识问答
生活知识
生活百科
搜索
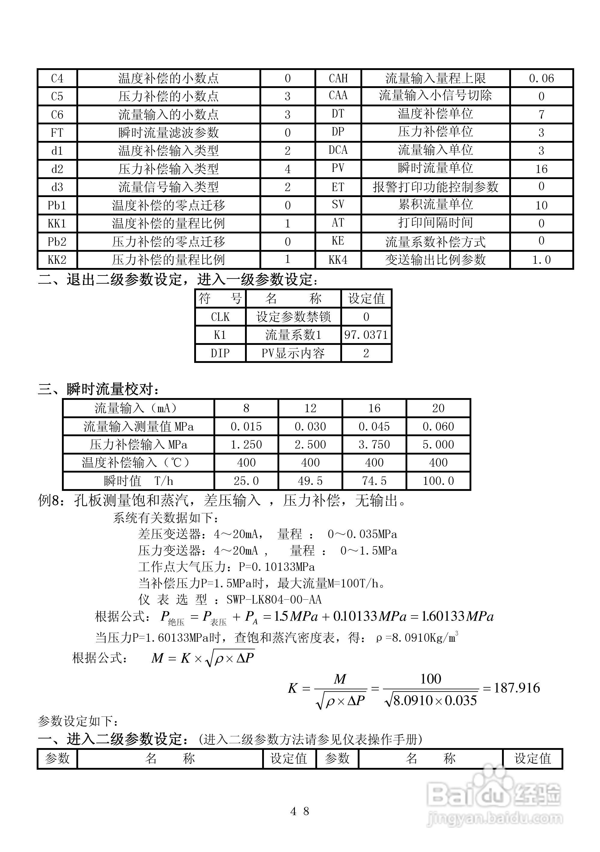
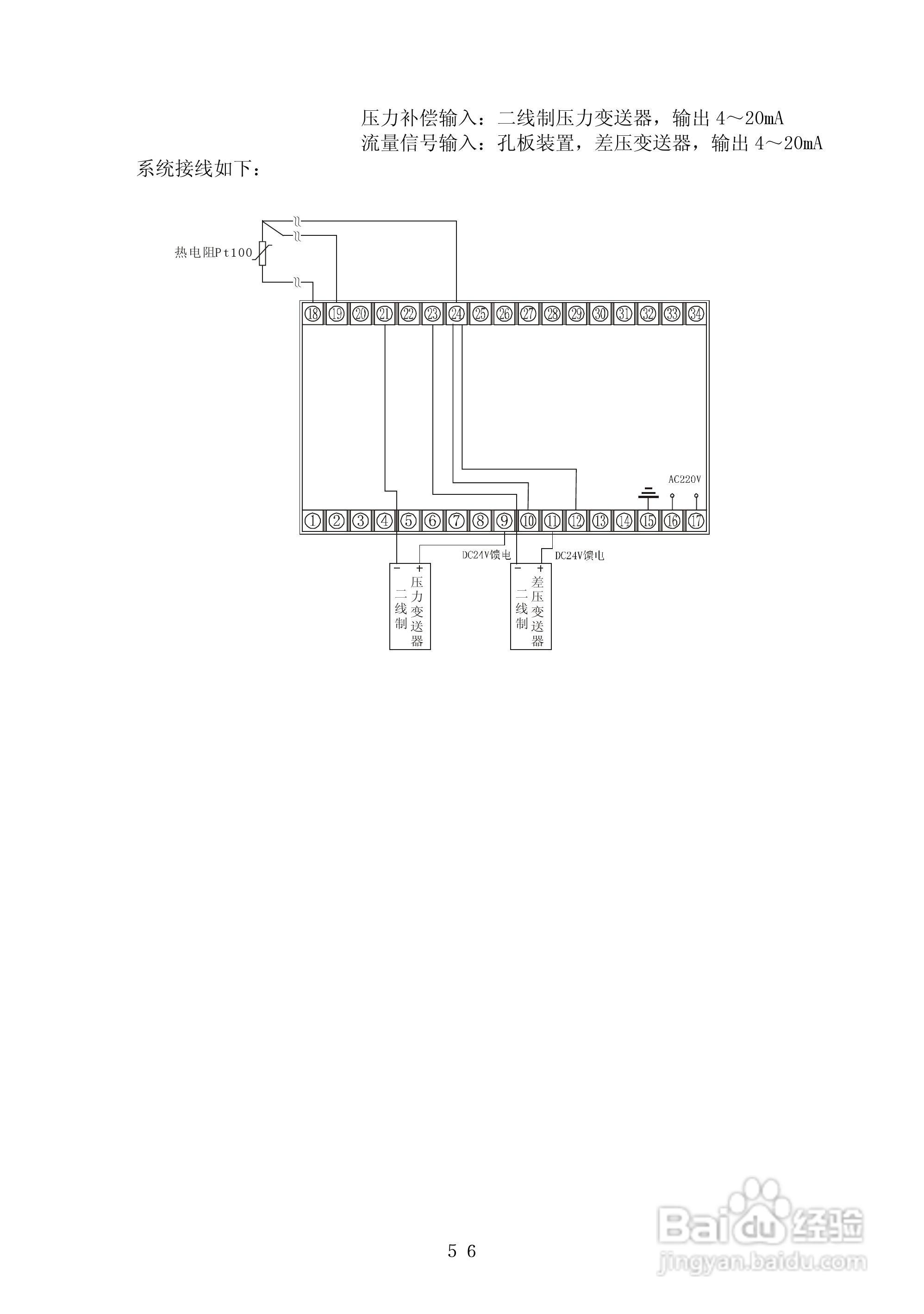
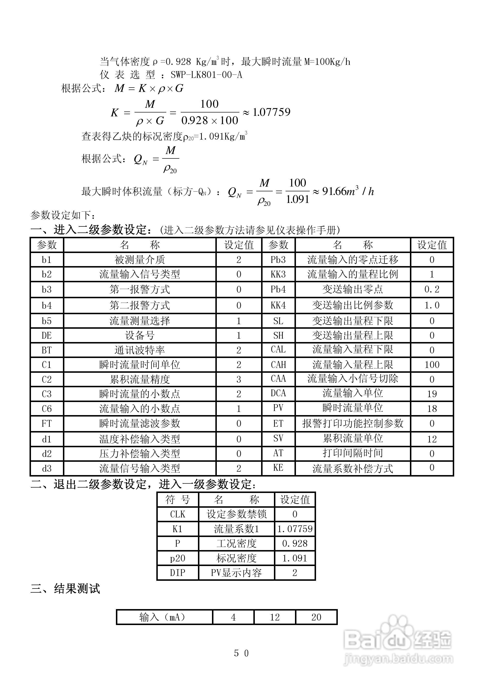
SWP-CF-LK智能流量积算控制仪操作手:[6]
2026-03-31 04:01:28
本篇为《SWP-CF-LK智能流量积算控制仪操作手》,主要介绍该产品的使用方法以及常见故障解决方案。
(共篇)
上一篇:
声明:
本网站引用、摘录或转载内容仅供网站访问者交流或参考,不代表本站立场,如存在版权或非法内容,请联系站长删除,联系邮箱:site.kefu@qq.com。
相关推荐
SWP-CF-LK智能流量积算控制仪操作手:[3]
阅读量:74
SWP-CF-LK智能流量积算控制仪操作手:[4]
阅读量:45
昌晖CF-LK智能流量积算控制仪说明书:[6]
阅读量:27
昌晖CF-LK智能流量积算控制仪说明书:[3]
阅读量:166
昌晖CF-LK智能流量积算控制仪说明书:[5]
阅读量:106
猜你喜欢
江南大学怎么样
喝酒头疼怎么缓解
怎么恢复qq聊天记录
贷款利息怎么计算
扣肉怎么做
dnf矛盾的结晶体怎么得
怎么把个人收款改成商家
word横线怎么打
盆腔炎怎么治疗
绿豆汤怎么煮
猜你喜欢
荷兰猪怎么养
报道怎么写
地震是怎么形成的
一嗨租车怎么样
沁园净水器怎么样
醋溜白菜怎么做
万用表怎么测电流
华为手机怎么刷机
荷兰豆怎么做好吃
用户账户控制怎么取消