小度生活
首页
美食营养
手工爱好
生活家居
返回
小度生活
首页
美食营养
游戏数码
手工爱好
生活家居
健康养生
运动户外
职场理财
情感交际
母婴教育
时尚美容
知识问答
生活知识
生活百科
搜索
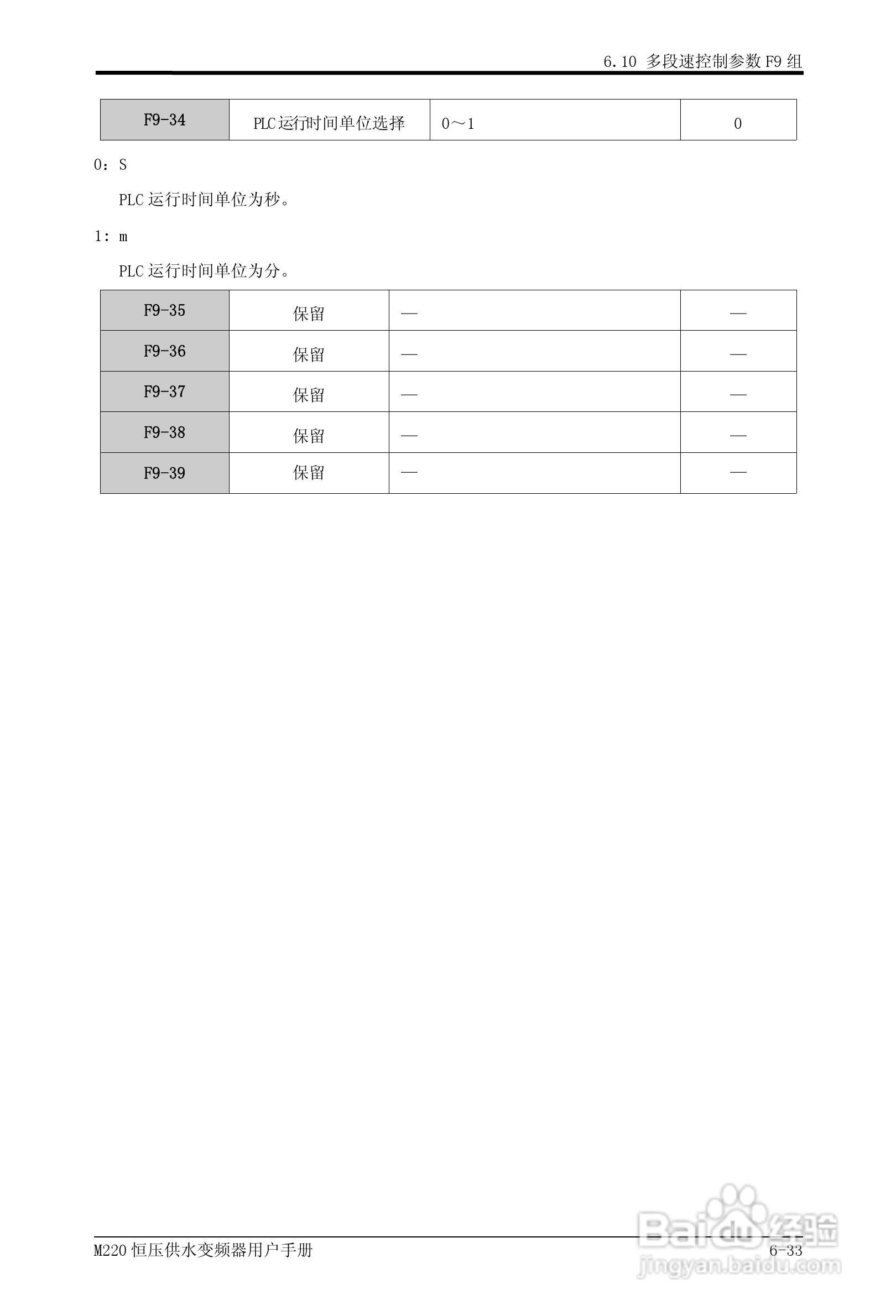
易驱M220-4T0930FPVER0M00变频器使用说明书:[8]
2026-04-05 07:16:51
本篇为《易驱M220-4T0930FPVER0M00变频器使用说明书》,主要介绍该产品的使用方法以及常见故障解决方案。
(共篇)
上一篇:
|
下一篇:
声明:
本网站引用、摘录或转载内容仅供网站访问者交流或参考,不代表本站立场,如存在版权或非法内容,请联系站长删除,联系邮箱:site.kefu@qq.com。
相关推荐
易驱M220-4T0930FPVER0M00变频器使用说明书:[11]
阅读量:121
易驱M200-2S0022VER0M00通用变频器使用说明书:[4]
阅读量:30
易驱M200-2S0022VER0M00通用变频器使用说明书:[8]
阅读量:60
易驱M200-2S0022VER0M00通用变频器使用说明书:[2]
阅读量:35
易驱M200-2S0022VER0M00通用变频器使用说明书:[9]
阅读量:68
猜你喜欢
什么是创新
age是什么意思
4月14日是什么星座
sounds是什么意思
结肠癌是什么原因引起
苹果13什么时候上市的
武汉有什么好玩的地方
你把我拉黑你把我删除是什么歌
fs是什么意思
1月3日是什么星座
猜你喜欢
惊厥是什么意思
pk是什么意思
称赞的反义词是什么
公费师范生是什么意思啊
两个木一个耳朵旁是什么字
殉情是什么意思
属蛇的和什么属相最配
1982年属什么
社保卡有什么用
cot是什么意思