小度生活
首页
美食营养
手工爱好
生活家居
返回
小度生活
首页
美食营养
游戏数码
手工爱好
生活家居
健康养生
运动户外
职场理财
情感交际
母婴教育
时尚美容
知识问答
生活知识
生活百科
搜索
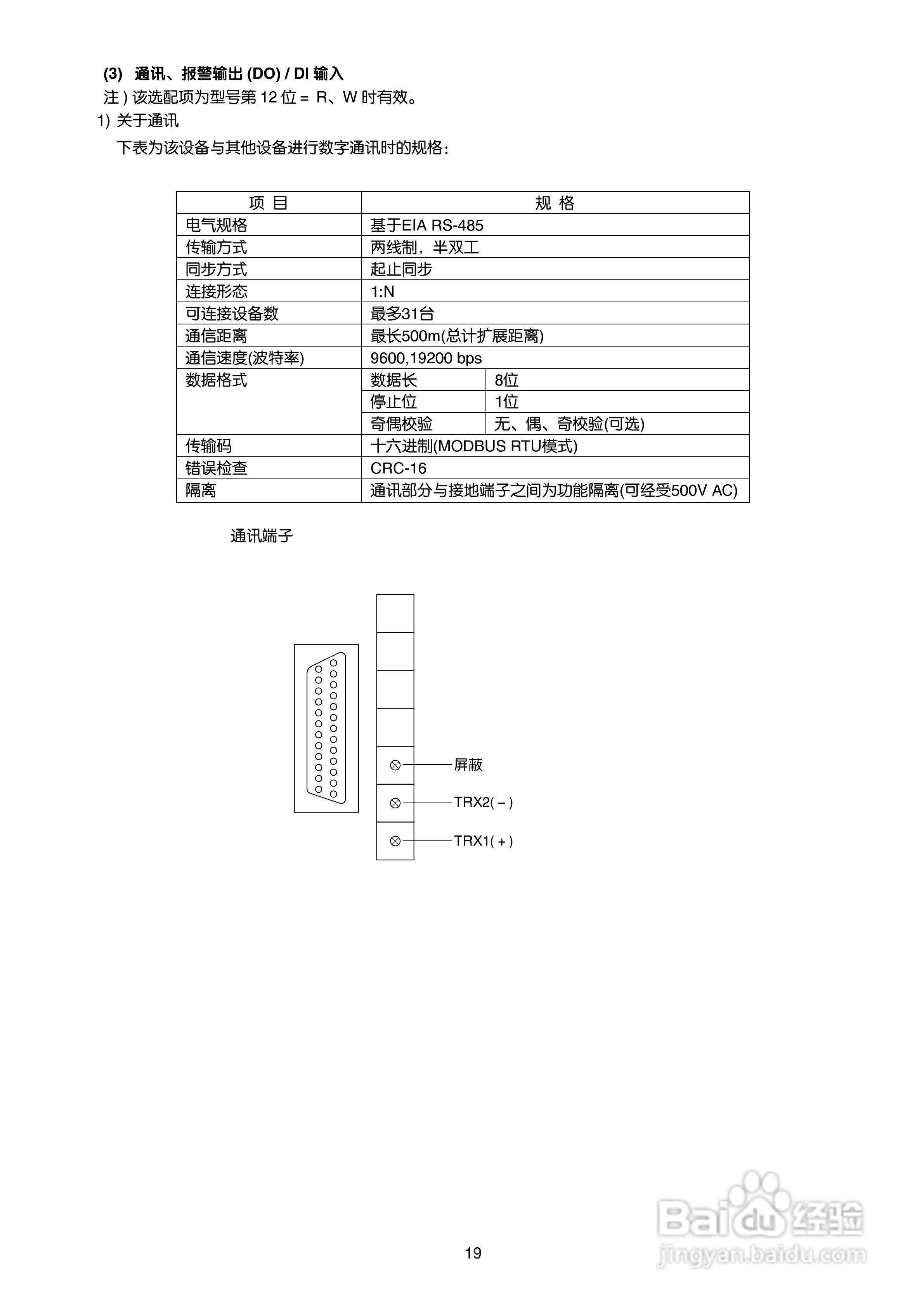
富士电机TN1PHN-C无纸记录仪使用说明书:[3]
2026-04-06 09:19:08
本篇为《富士电机TN1PHN-C无纸记录仪使用说明书》,主要介绍该产品的使用方法以及常见故障解决方案。
(共篇)
上一篇:
|
下一篇:
声明:
本网站引用、摘录或转载内容仅供网站访问者交流或参考,不代表本站立场,如存在版权或非法内容,请联系站长删除,联系邮箱:site.kefu@qq.com。
相关推荐
富士电机TN1PHN-C无纸记录仪使用说明书:[11]
阅读量:86
富士PHN无纸记录仪使用说明书:[3]
阅读量:131
富士PHN无纸记录仪使用说明书:[6]
阅读量:178
富士PHN无纸记录仪使用说明书:[8]
阅读量:89
富士PHN无纸记录仪使用说明书:[7]
阅读量:57
猜你喜欢
血压低是怎么回事
怎么去除口臭
银行卡的钱怎么转到支付宝
蒌蒿怎么读
头有点晕是怎么回事
怎么申请微信号
because怎么读
什邡怎么读
发烧了怎么办
鱿鱼怎么炒
猜你喜欢
过敏怎么办
苹果手机怎么通话录音
电脑上怎么截图按什么键
太阳穴疼是怎么回事
大纲怎么写
营业税怎么算
手机密码忘了怎么办
iphone怎么截图
指纹打卡机怎么作弊
工作述职报告怎么写