小度生活
首页
美食营养
手工爱好
生活家居
返回
小度生活
首页
美食营养
游戏数码
手工爱好
生活家居
健康养生
运动户外
职场理财
情感交际
母婴教育
时尚美容
知识问答
生活知识
生活百科
搜索
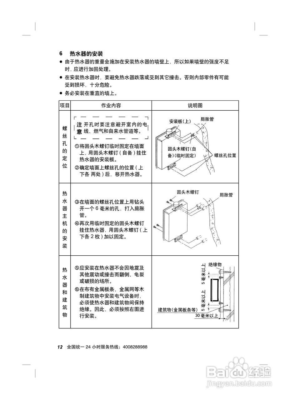
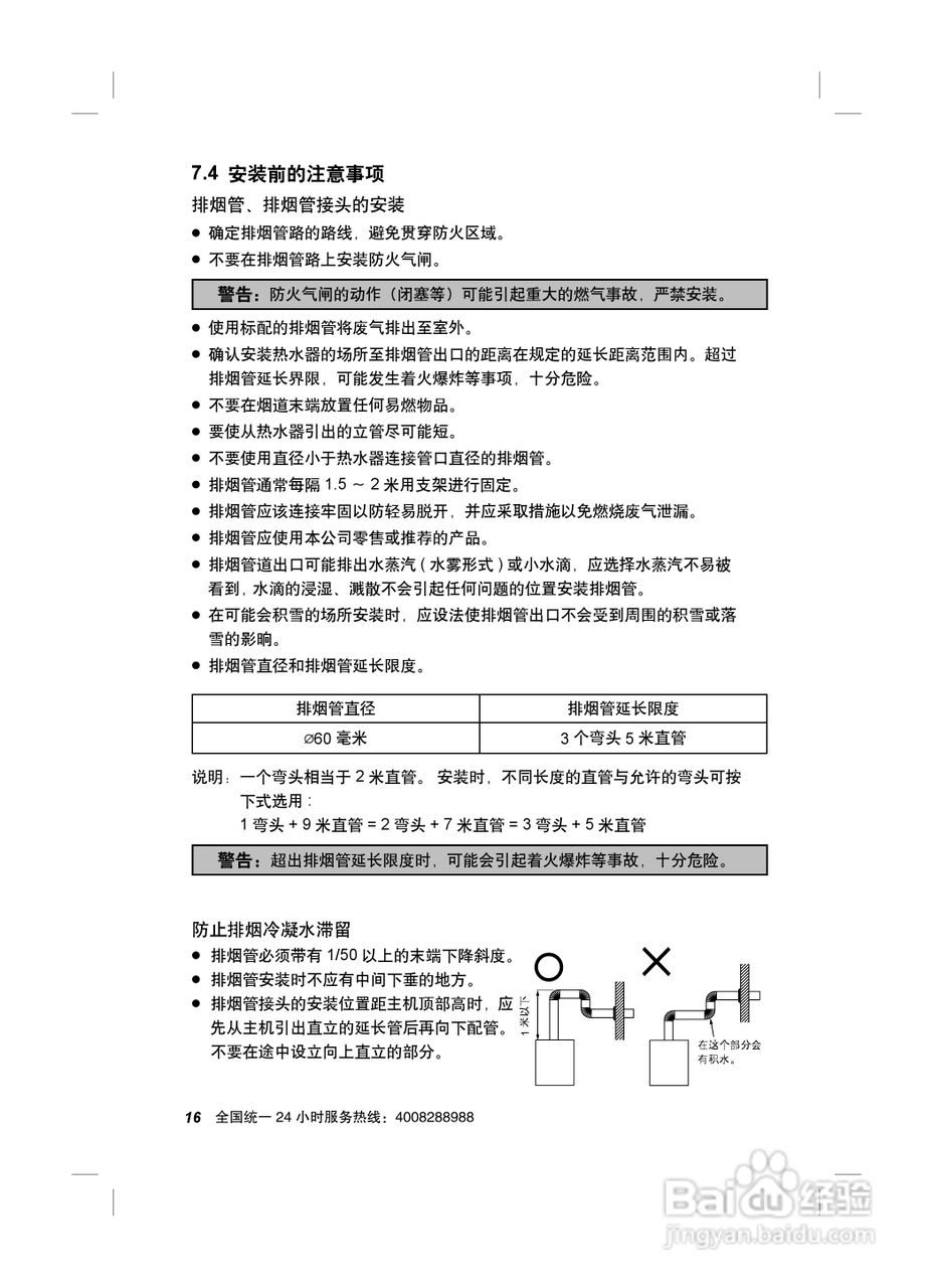
史密斯JSQ24-C2-SNX热水器使用说明书:[2]
2026-04-08 16:00:41
(共篇)
上一篇:
|
下一篇:
声明:
本网站引用、摘录或转载内容仅供网站访问者交流或参考,不代表本站立场,如存在版权或非法内容,请联系站长删除,联系邮箱:site.kefu@qq.com。
相关推荐
史密斯JSQ24-C2-SN热水器使用说明书:[2]
阅读量:114
史密斯JSQ24-C2-WXX热水器使用说明书:[2]
阅读量:28
史密斯JSQ24-C2-SN热水器使用说明书:[3]
阅读量:115
史密斯JSQ24-C2-SN热水器使用说明书:[4]
阅读量:65
史密斯JSQ24-C2-WXX热水器使用说明书:[1]
阅读量:57
猜你喜欢
知识产权局官网
室内设计属于什么专业
川芎的功效与作用
沙棘油的作用
秋天的落叶像什么
汽车轮胎知识
初一历史知识点总结
鱼竿什么牌子好
赞800米运动员
语言描写的作用
猜你喜欢
瓜蒌皮的功效与作用
蛋白质的功效与作用
海底椰的功效与作用
苦瓜茶的功效与作用
什么牌子的电视机好
什么叫代沟
什么是花柳病
中国知识产权局
运动会致辞
什么是主板