华仪MS2308地电阻测试仪使用说明书:[1]

2025-12-16 17:11:12

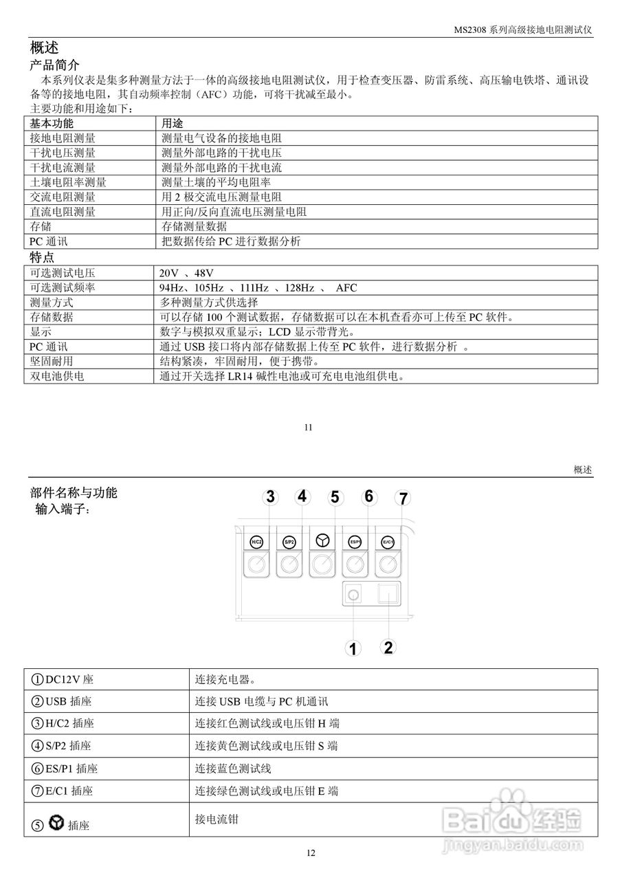
本篇为《华仪MS2308地电阻测试仪使用说明书》,主要介绍该产品的使用方法以及常见故障解决方案。

 

华仪MS2308地电阻测试仪使用说明书:[1]" alt="华仪MS2308地电阻测试仪使用说明书:[1]" referrerPolicy="no-referrer" />

华仪MS2308地电阻测试仪使用说明书:[1]" alt="华仪MS2308地电阻测试仪使用说明书:[1]" referrerPolicy="no-referrer" />

华仪MS2308地电阻测试仪使用说明书:[1]" alt="华仪MS2308地电阻测试仪使用说明书:[1]" referrerPolicy="no-referrer" />

华仪MS2308地电阻测试仪使用说明书:[1]" alt="华仪MS2308地电阻测试仪使用说明书:[1]" referrerPolicy="no-referrer" />

华仪MS2308地电阻测试仪使用说明书:[1]" alt="华仪MS2308地电阻测试仪使用说明书:[1]" referrerPolicy="no-referrer" />

华仪MS2308地电阻测试仪使用说明书:[1]" alt="华仪MS2308地电阻测试仪使用说明书:[1]" referrerPolicy="no-referrer" />

华仪MS2308地电阻测试仪使用说明书:[1]" alt="华仪MS2308地电阻测试仪使用说明书:[1]" referrerPolicy="no-referrer" />

华仪MS2308地电阻测试仪使用说明书:[1]" alt="华仪MS2308地电阻测试仪使用说明书:[1]" referrerPolicy="no-referrer" />

华仪MS2308地电阻测试仪使用说明书:[1]" alt="华仪MS2308地电阻测试仪使用说明书:[1]" referrerPolicy="no-referrer" />

华仪MS2308地电阻测试仪使用说明书:[1]" alt="华仪MS2308地电阻测试仪使用说明书:[1]" referrerPolicy="no-referrer" />

(共篇)下一篇:
声明:本网站引用、摘录或转载内容仅供网站访问者交流或参考,不代表本站立场,如存在版权或非法内容,请联系站长删除,联系邮箱:site.kefu@qq.com。
猜你喜欢