小度生活
首页
美食营养
手工爱好
生活家居
返回
小度生活
首页
美食营养
游戏数码
手工爱好
生活家居
健康养生
运动户外
职场理财
情感交际
母婴教育
时尚美容
知识问答
生活知识
生活百科
搜索
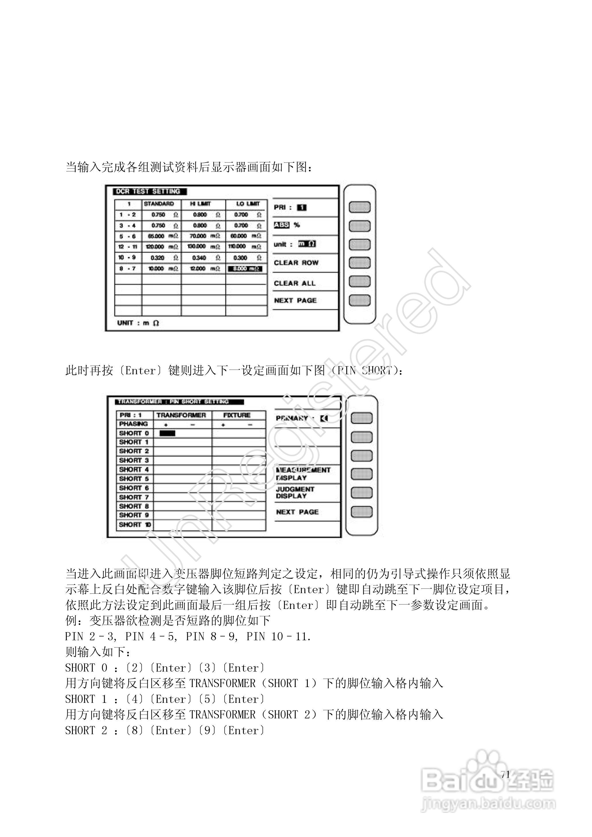
洪铭电子HM2798 变压器综合参数测试仪说明书:[8]
2026-03-29 09:18:21
本篇为《洪铭电子HM2798 变压器综合参数测试仪说明书》,主要介绍该产品的使用方法以及常见故障解决方案。
(共篇)
上一篇:
|
下一篇:
声明:
本网站引用、摘录或转载内容仅供网站访问者交流或参考,不代表本站立场,如存在版权或非法内容,请联系站长删除,联系邮箱:site.kefu@qq.com。
相关推荐
洪铭电子HM2798 变压器综合参数测试仪说明书:[9]
阅读量:102
变压器变比测试仪测试方法
阅读量:151
变压器满负载的测试方法
阅读量:138
变压器有载分接开关测试仪使用方法
阅读量:157
变压器有载分接开关测试仪操作方法
阅读量:28
猜你喜欢
麦克风怎么连接电脑
宝马x1怎么样
怎么看片
利息怎么算公式是什么
prt文件怎么打开
海信电视投屏怎么设置
抽屉怎么卸下来
施工日志怎么写
论文注释怎么加
小腿抽筋怎么办
猜你喜欢
我的世界怎么调中文
喜安智奶粉怎么样
鸡怎么炖好吃又营养
联通号码怎么查话费
怎么插入页码
coupe怎么读
瘪怎么读
cad缩放怎么用
留言条怎么写
洋怎么组词