小度生活
首页
美食营养
手工爱好
生活家居
返回
小度生活
首页
美食营养
游戏数码
手工爱好
生活家居
健康养生
运动户外
职场理财
情感交际
母婴教育
时尚美容
知识问答
生活知识
生活百科
搜索
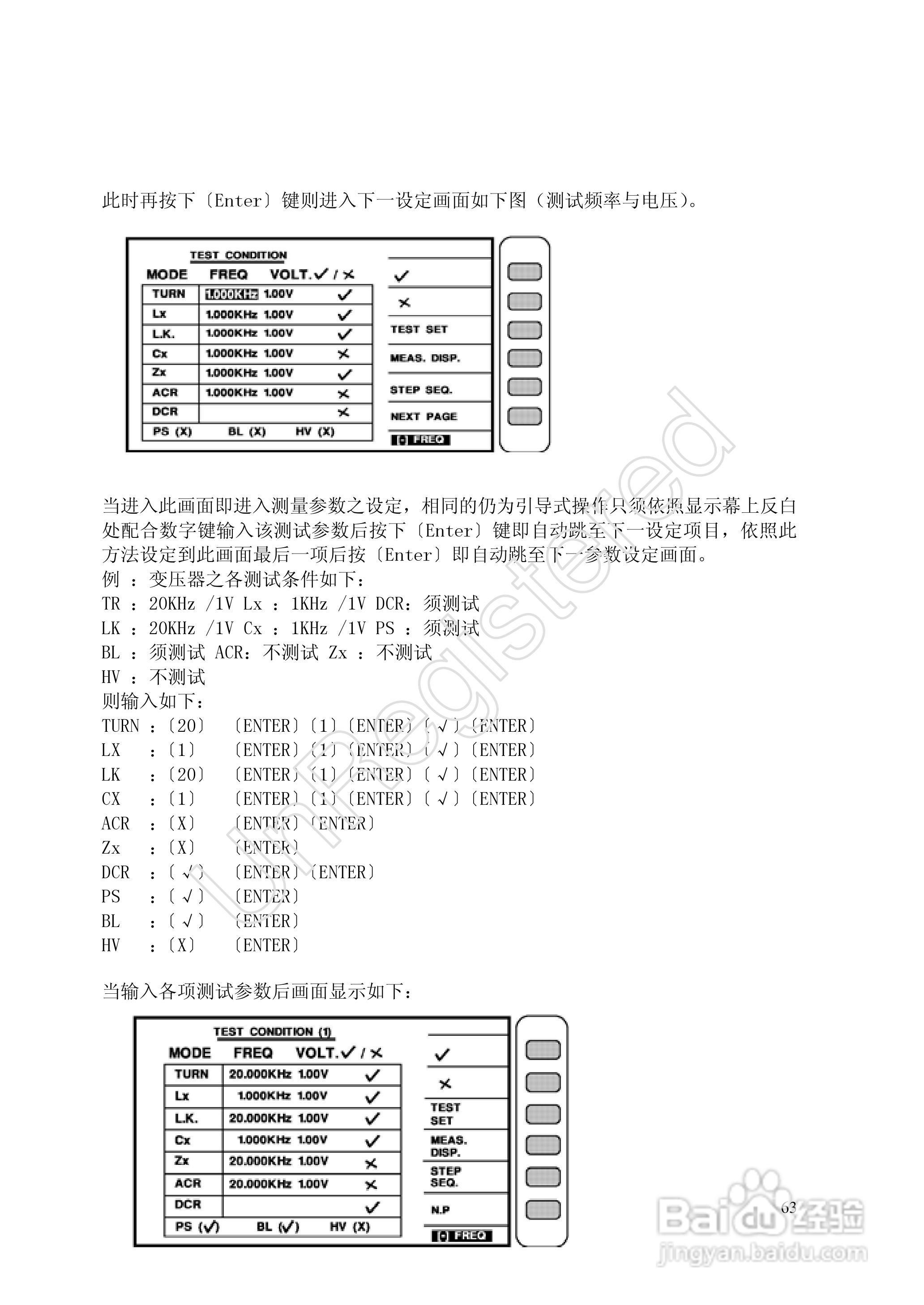
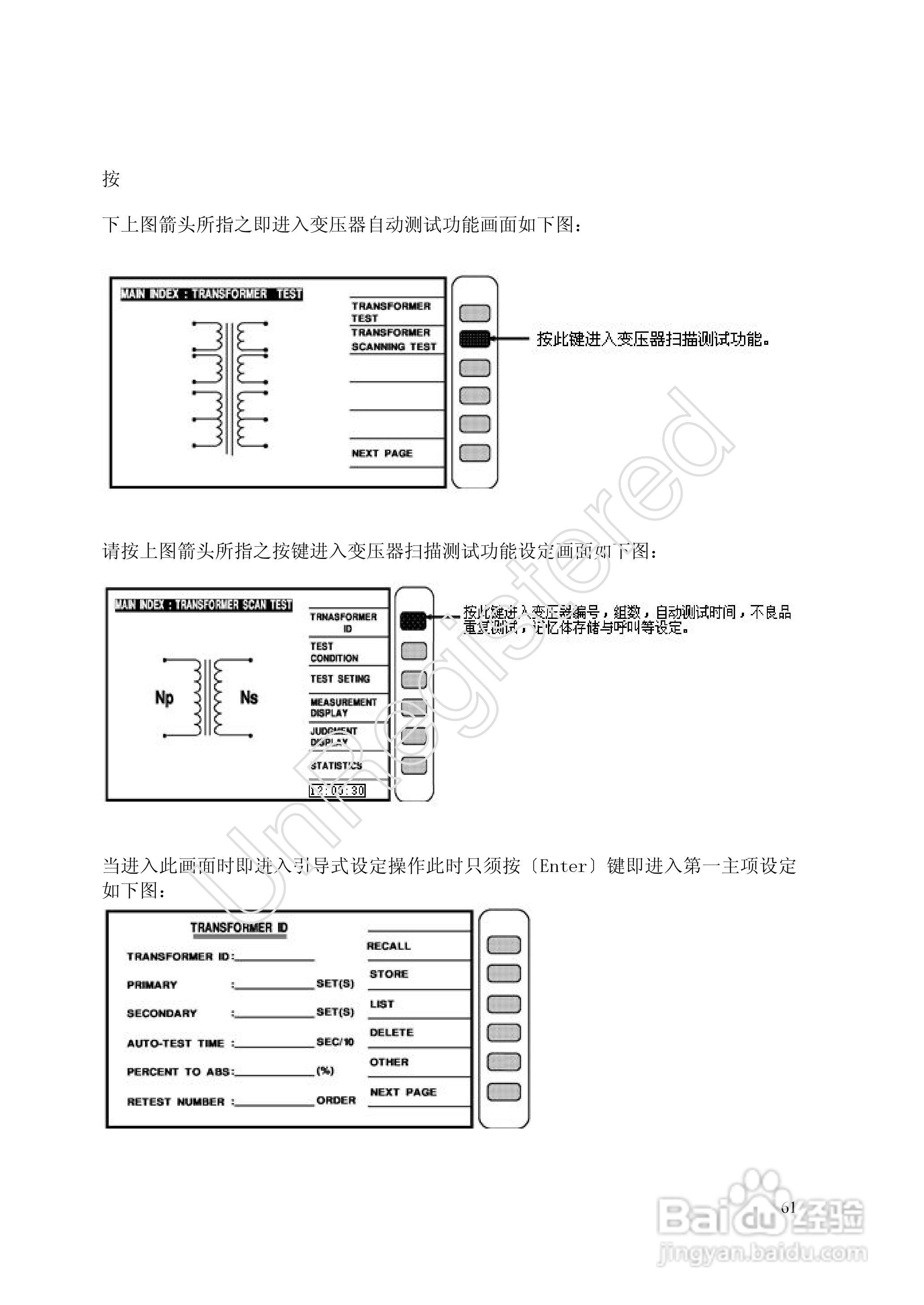
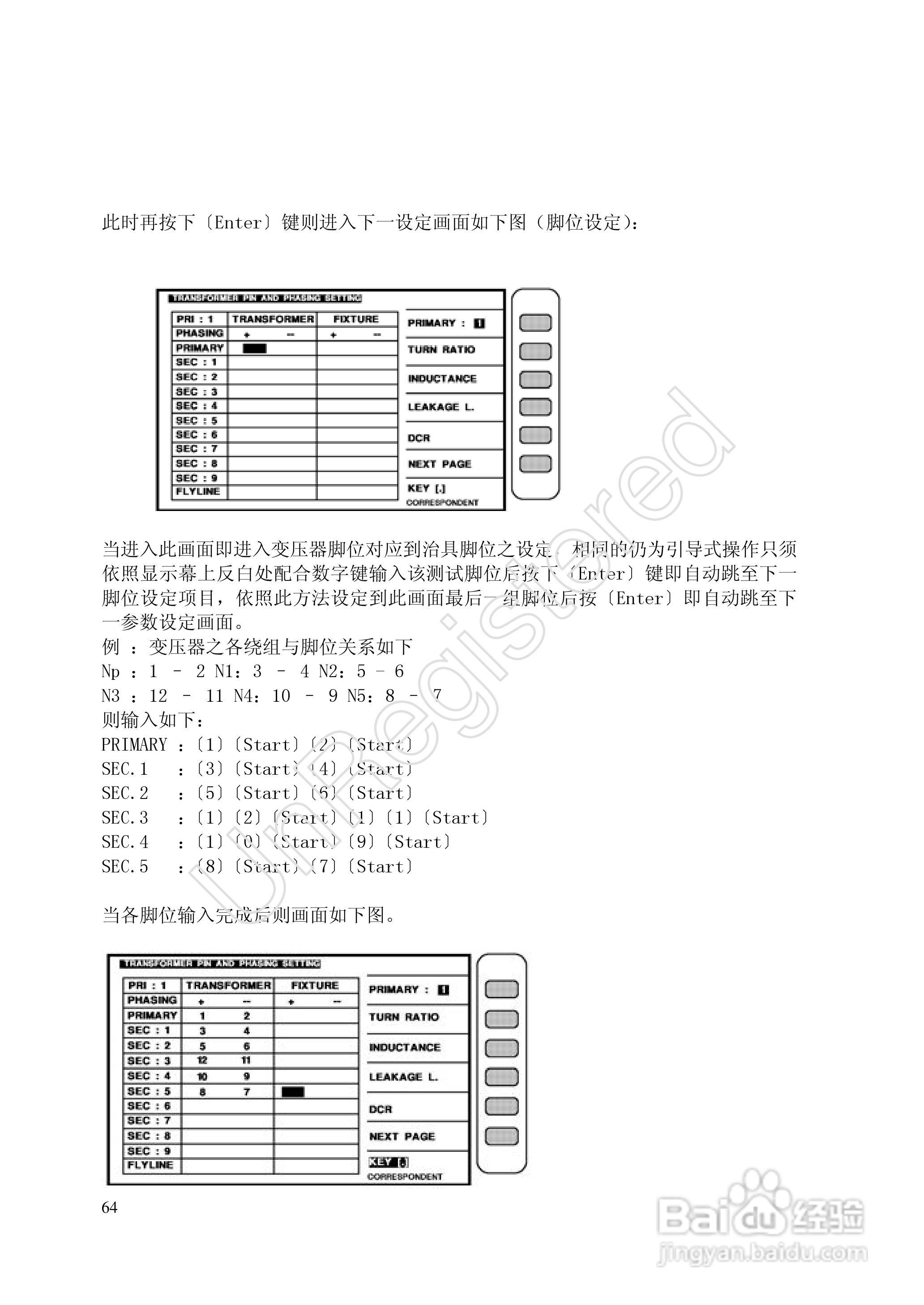
洪铭电子HM2798 变压器综合参数测试仪说明书:[7]
2026-03-29 11:17:01
本篇为《洪铭电子HM2798 变压器综合参数测试仪说明书》,主要介绍该产品的使用方法以及常见故障解决方案。
(共篇)
上一篇:
|
下一篇:
声明:
本网站引用、摘录或转载内容仅供网站访问者交流或参考,不代表本站立场,如存在版权或非法内容,请联系站长删除,联系邮箱:site.kefu@qq.com。
相关推荐
洪铭电子HM2798 变压器综合参数测试仪说明书:[9]
阅读量:45
变压器变比测试仪测试方法
阅读量:141
变压器满负载的测试方法
阅读量:155
变压器有载分接开关测试仪操作方法
阅读量:162
变压器有载分接开关测试仪使用方法
阅读量:181
猜你喜欢
什么是绩效工资
七夕送什么
1997年属什么
喝蜂蜜水有什么好处
1999年属什么
苹果12什么时候上市
lol是什么游戏
粗糙的反义词是什么
什么是互联网
buff是什么意思
猜你喜欢
母爱如什么
year是什么意思
洗钱是什么意思
孤鸾煞是什么意思
嘴角开裂是什么原因
两个维护是什么
管理员密码是什么
性激素六项主要是查什么
forever什么意思
桃花流水鳜鱼肥的上一句是什么