小度生活
首页
美食营养
手工爱好
生活家居
返回
小度生活
首页
美食营养
游戏数码
手工爱好
生活家居
健康养生
运动户外
职场理财
情感交际
母婴教育
时尚美容
知识问答
生活知识
生活百科
搜索
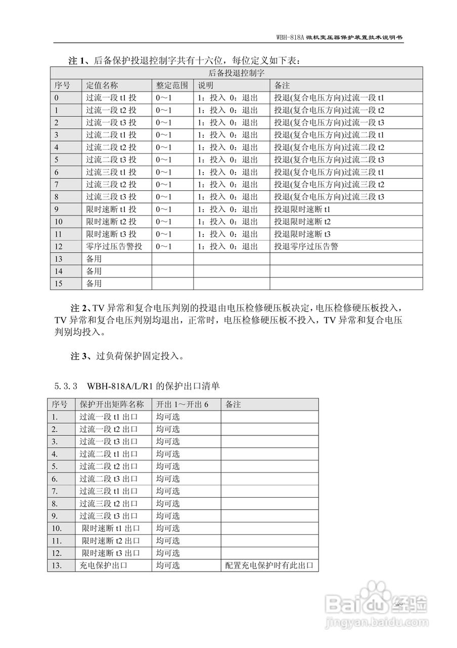
WBH-818A微机变压器保护装置技术说明书:[4]
2026-03-27 08:23:48
本篇为《WBH-818A微机变压器保护装置技术说明书》,主要介绍该产品的使用方法以及常见故障解决方案。
(共篇)
上一篇:
|
下一篇:
声明:
本网站引用、摘录或转载内容仅供网站访问者交流或参考,不代表本站立场,如存在版权或非法内容,请联系站长删除,联系邮箱:site.kefu@qq.com。
相关推荐
Freecell170912
阅读量:93
手游单挑荒野非洲草原怎么补充水分
阅读量:149
崩坏3rd活动商店攻略
阅读量:109
乐高无限水坑效果怎么关闭怎么开启
阅读量:164
在excel报表中如何使用树数据集
阅读量:159
猜你喜欢
4399小游戏大全
京酱肉丝家常做法
勃起不持久锻炼方法
板栗怎么煮好吃好剥壳
日本漫画_漫画大全_在线漫画
钓鱼技巧大全
减肥方法
怎么看内存条频率
膝关节炎治疗方法
张国荣怎么去世的
猜你喜欢
金舵瓷砖怎么样
怎么淡化法令纹
蟹爪兰的养殖方法
二十道简单易做家常菜
做肠粉的米浆怎么配
落枕怎么办简单快速的有效方法
字中间的圆点怎么打
重庆有什么好吃的
排骨怎么做好吃
去黑色素的方法