小度生活
首页
美食营养
手工爱好
生活家居
返回
小度生活
首页
美食营养
游戏数码
手工爱好
生活家居
健康养生
运动户外
职场理财
情感交际
母婴教育
时尚美容
知识问答
生活知识
生活百科
搜索
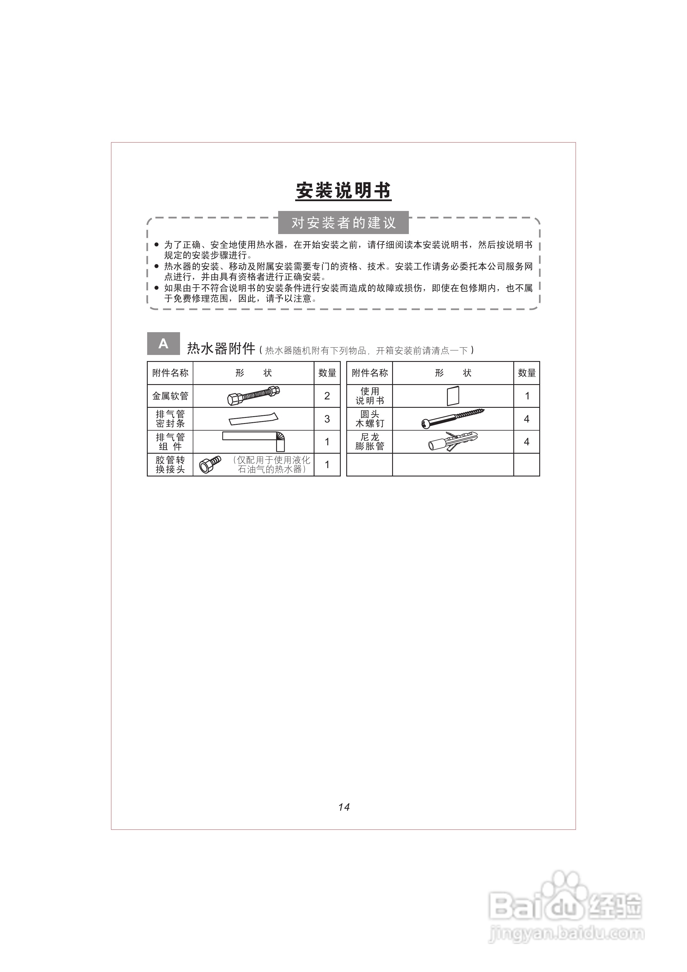
史密斯JSQ16-A2热水器安装使用说明书:[2]
2026-04-04 20:46:55
(共篇)
上一篇:
|
下一篇:
声明:
本网站引用、摘录或转载内容仅供网站访问者交流或参考,不代表本站立场,如存在版权或非法内容,请联系站长删除,联系邮箱:site.kefu@qq.com。
相关推荐
史密斯JSQ20-CA热水器使用说明书:[2]
阅读量:38
史密斯JSQ26-EX热水器使用说明书:[2]
阅读量:172
史密斯CEWHR-PEZ3热水器使用说明书:[2]
阅读量:120
史密斯RSE-18AR1热水器使用说明书:[2]
阅读量:41
史密斯RSE-10AR1热水器使用说明书:[2]
阅读量:115
猜你喜欢
so什么意思
又什么又什么四字词语
庆余年2什么时候上映
维密秀是什么意思
青睐是什么意思
四讲四有是什么
屁特别多是什么原因
孙杨事件终身禁赛是什么原因
龙傲天是什么梗
阴间到底是什么
猜你喜欢
异常的近义词是什么
什么动物没有方向感
20年是什么婚
死而后已的已是什么意思
禁令标志的作用是什么
提心吊胆是什么意思
怕什么天道轮回什么魄散魂飞
献血证有什么用
无问西东是什么意思
空调内机漏水是什么原因造成的