小度生活
首页
美食营养
手工爱好
生活家居
返回
小度生活
首页
美食营养
游戏数码
手工爱好
生活家居
健康养生
运动户外
职场理财
情感交际
母婴教育
时尚美容
知识问答
生活知识
生活百科
搜索
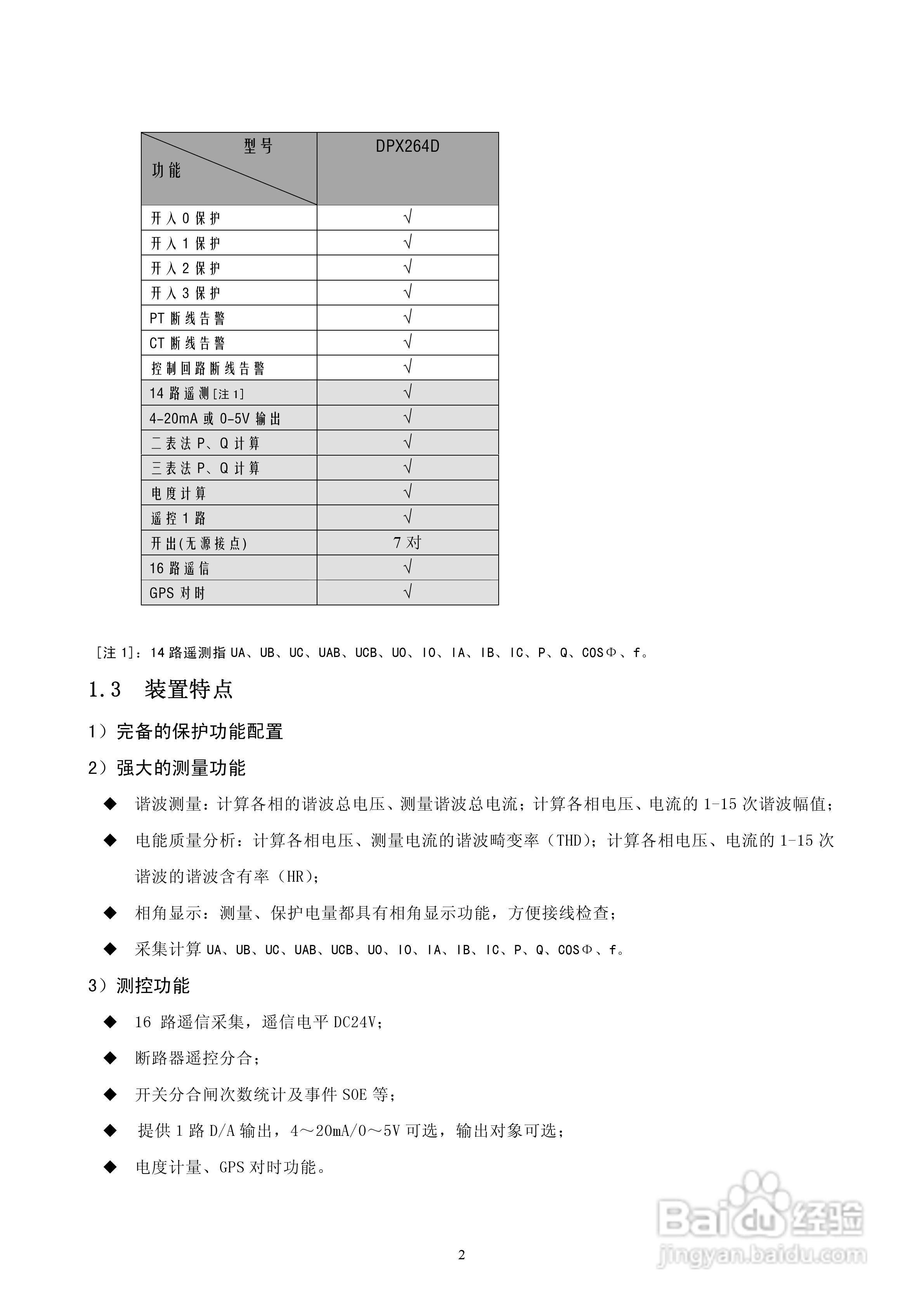
DPX264D 数字式电动机保护测控装置技术说明书:[1]
2026-03-29 05:25:31
本篇为《DPX264D 数字式电动机保护测控装置技术说明书》,主要介绍该产品的使用方法以及常见故障解决方案。
(共篇)
下一篇:
声明:
本网站引用、摘录或转载内容仅供网站访问者交流或参考,不代表本站立场,如存在版权或非法内容,请联系站长删除,联系邮箱:site.kefu@qq.com。
相关推荐
PSM669B数字式电动机保护装置技术说明书:[1]
阅读量:122
PSM669B数字式电动机保护装置技术说明书:[4]
阅读量:42
PSM669B数字式电动机保护装置技术说明书:[2]
阅读量:128
天能DMP-31B数字电动机保护测控装置说明书:[1]
阅读量:169
LDS-236/237 数字式电动机保护测控装置说明书:[4]
阅读量:66
猜你喜欢
重庆武隆旅游
温州文成旅游景点
如何去红血丝
怎么放大网页字体
如何注册公司
农村养老保险怎么买
贵阳旅游必去景点
如何学习炒股
迅捷路由器设置
山东旅游职业
猜你喜欢
茧缘蚕丝被怎么样
启初婴幼护肤怎么样
脸上的斑如何去除
悦禾旅游
华为荣耀路由器
qq好友恢复在哪里
冬天怎么养乌龟
怎么破解手机密码锁
lol怎么打排位
手机如何快速赚钱方法