小度生活
首页
美食营养
手工爱好
生活家居
返回
小度生活
首页
美食营养
游戏数码
手工爱好
生活家居
健康养生
运动户外
职场理财
情感交际
母婴教育
时尚美容
知识问答
生活知识
搜索
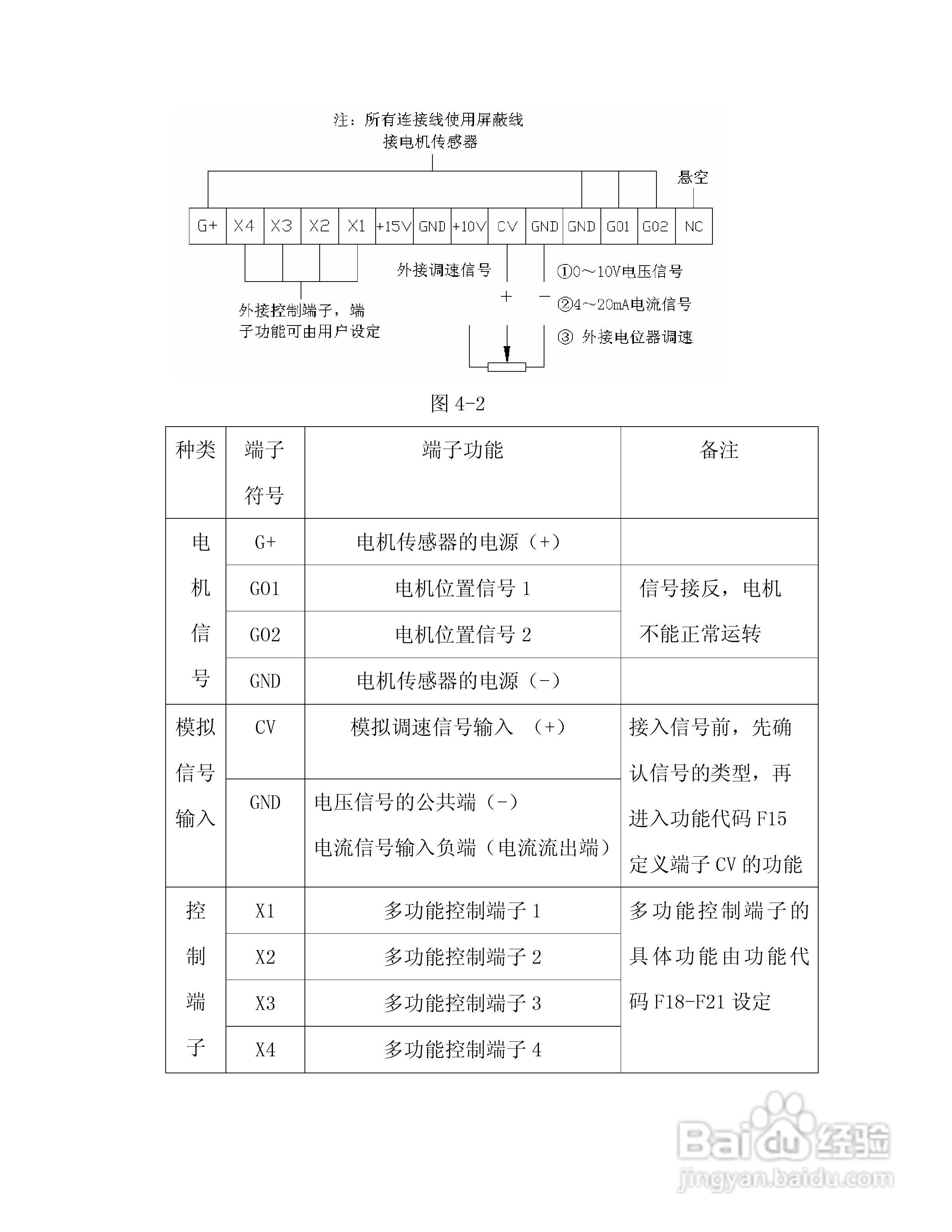
NSR/G系列开关磁阻调速控制器使用手册:[2]
2026-01-14 12:47:20
本篇为《NSR/G系列开关磁阻调速控制器使用手册》,主要介绍该产品的使用方法以及常见故障解决方案。
(共篇)
上一篇:
|
下一篇:
声明:
本网站引用、摘录或转载内容仅供网站访问者交流或参考,不代表本站立场,如存在版权或非法内容,请联系站长删除,联系邮箱:site.kefu@qq.com。
相关推荐
中达电通VFD-VJ/M/SC/20110317注塑专用型油电伺服驱动:[1]
阅读量:165
索尼 CB17ECP重装win7系统步骤(图文教程)
阅读量:194
XP操作系统设置:[63]无线网络
阅读量:180
配置Geany,win36
阅读量:77
声宝AM-PY71L、AU-PY71型冷气机说明书:[3]
阅读量:20
猜你喜欢
冰箱保鲜室结冰怎么办
舒筋健腰丸效果怎么样
维生素c吃多了会怎么样
化学螺栓怎么用
长城汽车怎么样
比亚迪f3怎么样
上颚肿痛是怎么回事
用键盘怎么关机
表白怎么说
empty怎么读
猜你喜欢
苏宁易购怎么样
偏头疼怎么缓解
蛀牙疼怎么办
电子手刹怎么用
中央财经大学怎么样
何韵诗事件是怎么回事
怎么画粽子
桑葚酒怎么做
cad立面图怎么画
血小板低了怎么办