小度生活
首页
美食营养
手工爱好
生活家居
返回
小度生活
首页
美食营养
游戏数码
手工爱好
生活家居
健康养生
运动户外
职场理财
情感交际
母婴教育
时尚美容
知识问答
生活知识
生活百科
搜索
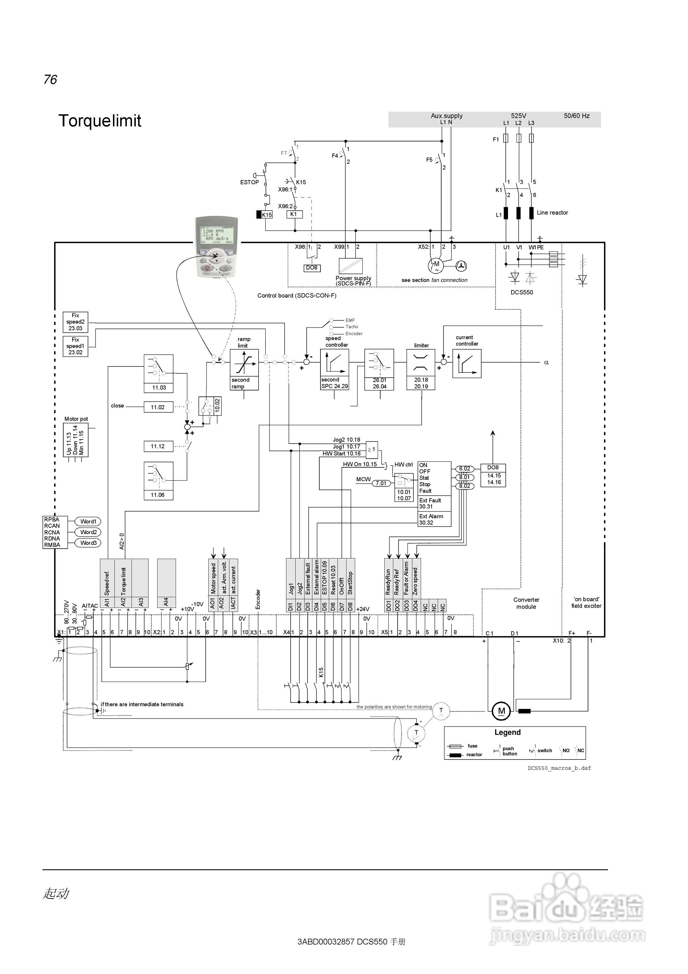
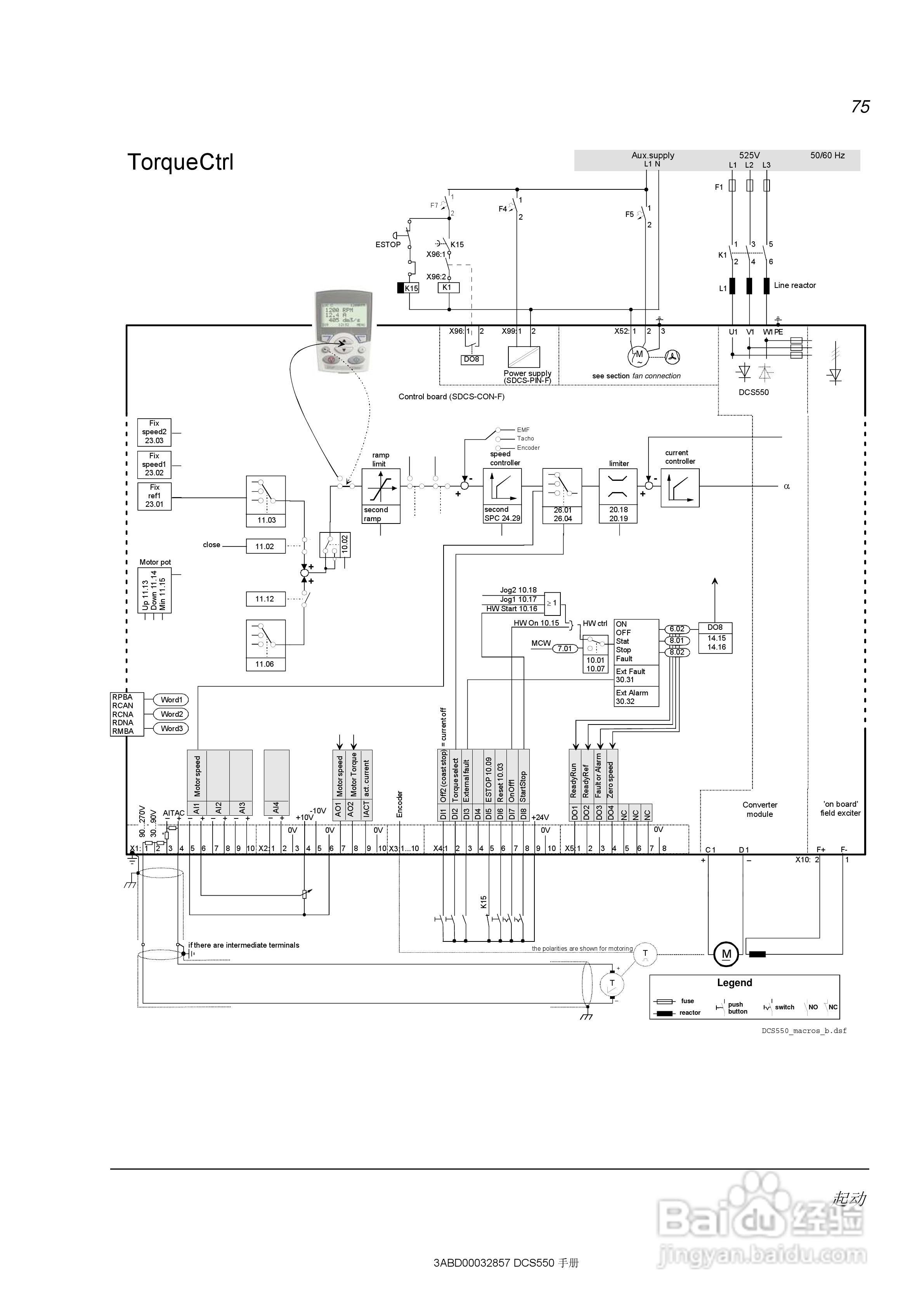
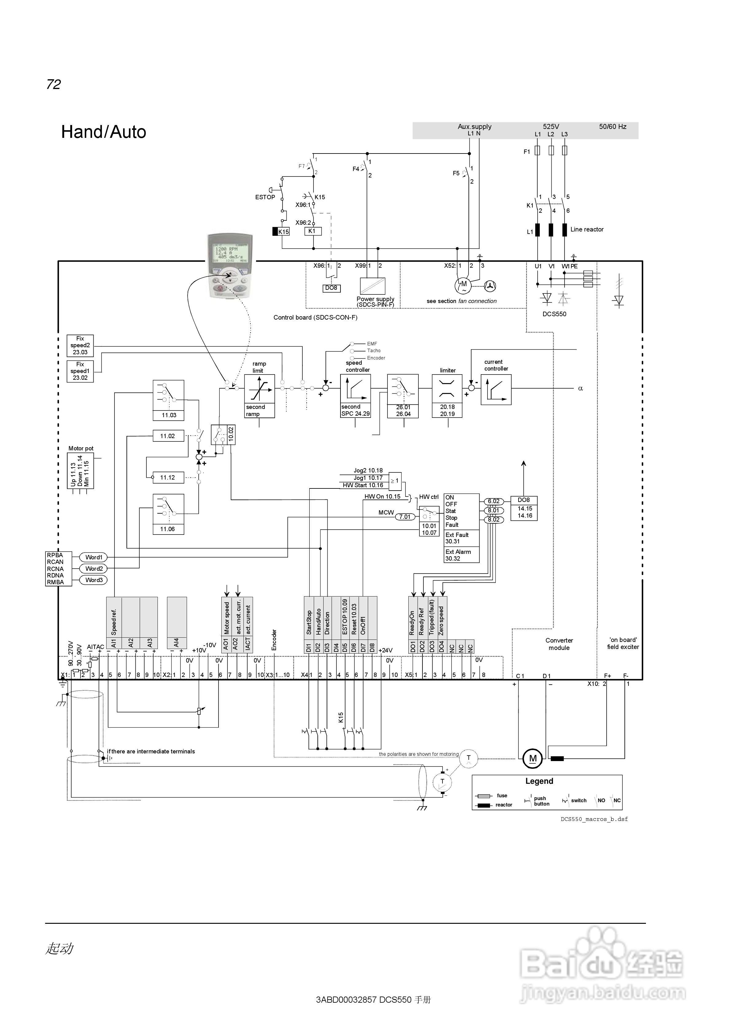
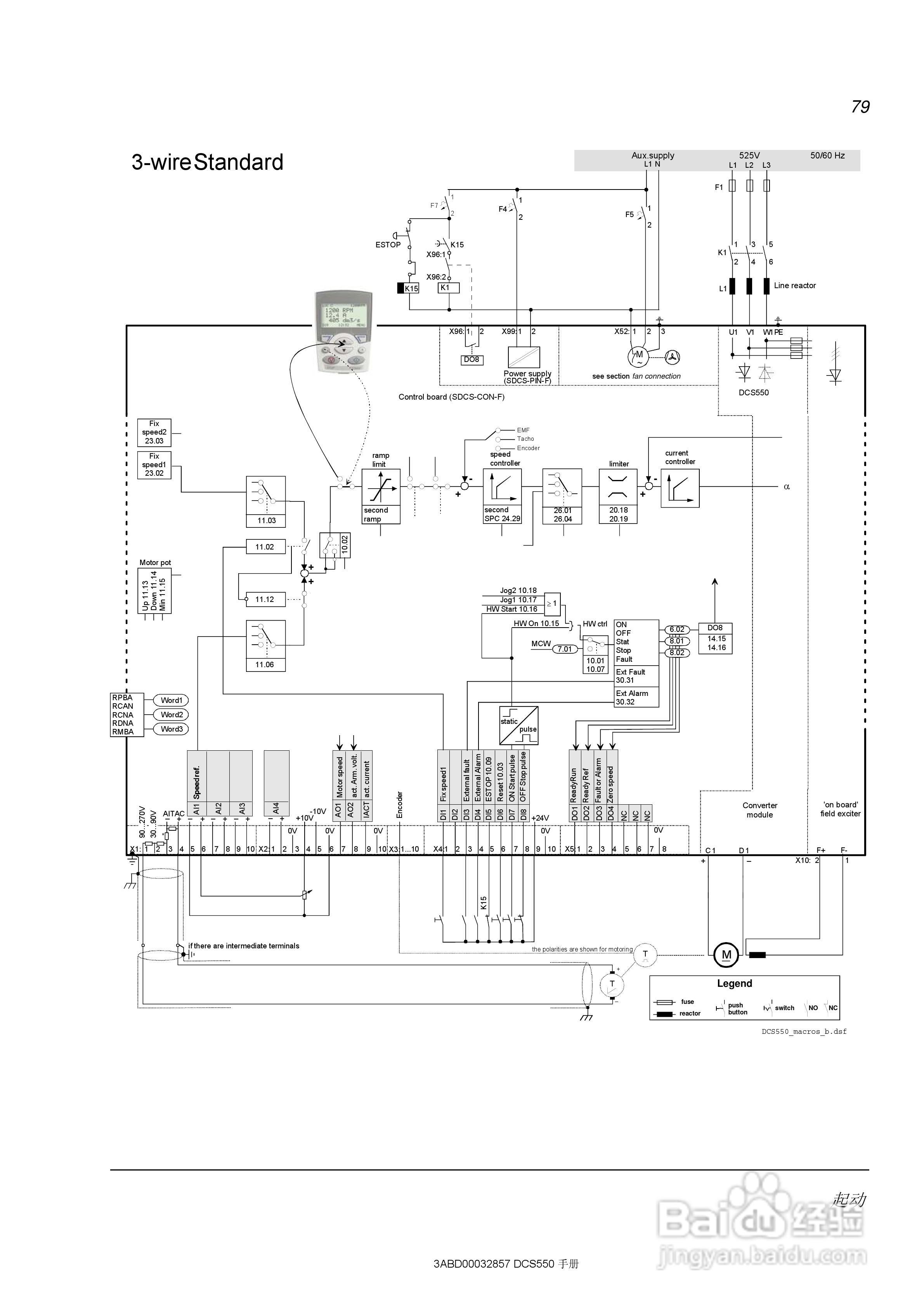
ABB直流调速器DCS550使用手册:[8]
2026-03-26 03:44:46
本篇为《ABB直流调速器DCS550使用手册》,主要介绍该产品的使用方法以及常见故障解决方案。
(共篇)
上一篇:
|
下一篇:
声明:
本网站引用、摘录或转载内容仅供网站访问者交流或参考,不代表本站立场,如存在版权或非法内容,请联系站长删除,联系邮箱:site.kefu@qq.com。
相关推荐
ABB直流调速器DCS550使用手册:[28]
阅读量:114
ABB直流调速器DCS550使用手册:[33]
阅读量:82
ABB直流调速器DCS550使用手册:[29]
阅读量:92
ABB直流调速器DCS550使用手册:[32]
阅读量:174
ABB直流调速器DCS550使用手册:[30]
阅读量:43
猜你喜欢
eagle是什么意思
用盐洗脸有什么好处
教师资格证什么时候出成绩
toast是什么意思
寒暄是什么意思
explain是什么意思
吊兰的养殖方法
b2能开什么车
世界上什么人一下子变老?
tencent是什么意思
猜你喜欢
痘印是什么
我发现了什么的作文
spot是什么意思
高轩是什么意思
明日黄花是什么意思
始乱终弃是什么意思
三sprit是什么牌子
送婆婆什么礼物好
荡气回肠是什么意思
今年流行什么发型