小度生活
首页
美食营养
手工爱好
生活家居
返回
小度生活
首页
美食营养
游戏数码
手工爱好
生活家居
健康养生
运动户外
职场理财
情感交际
母婴教育
时尚美容
知识问答
生活知识
搜索
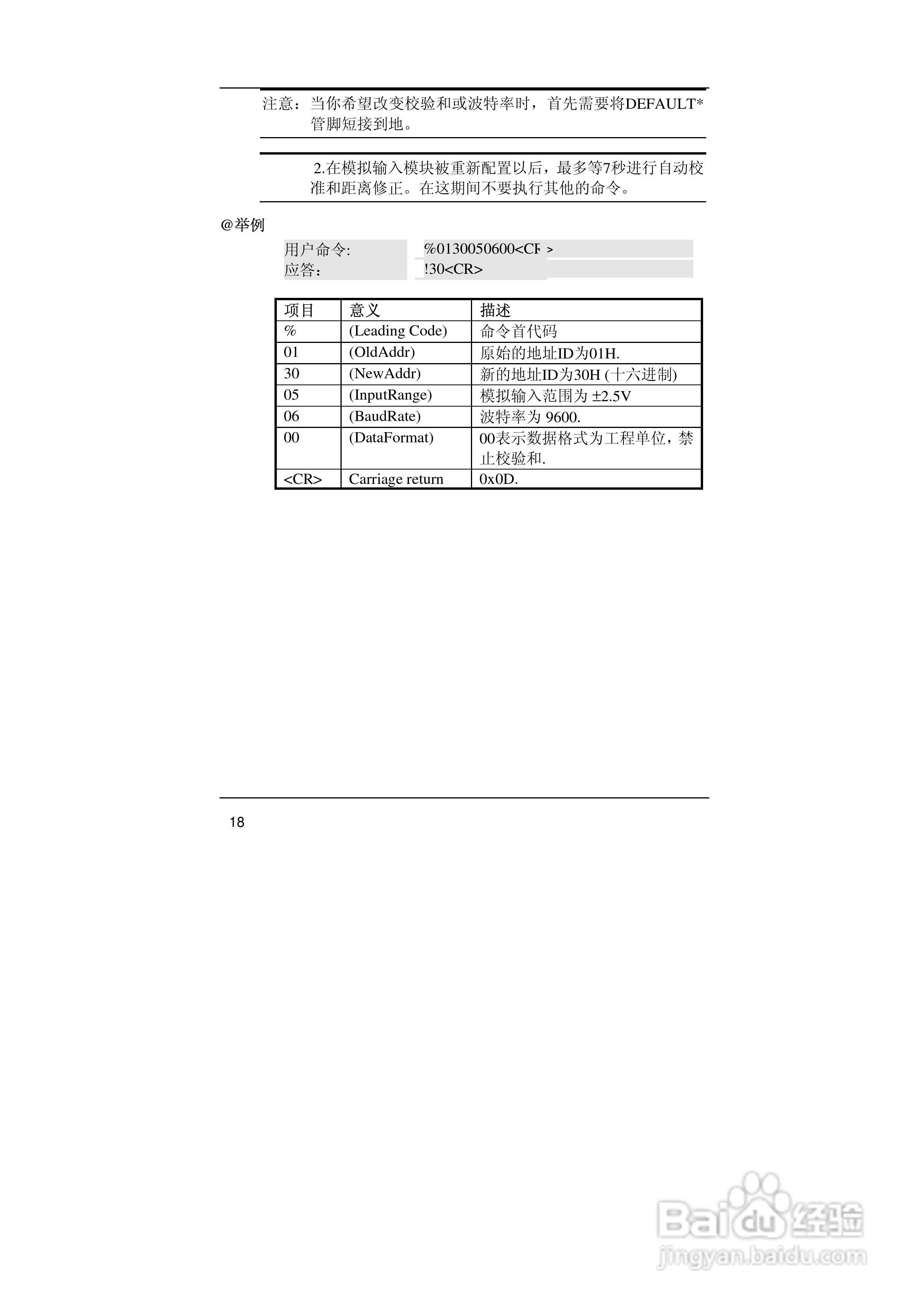
亚当ARK-24017F 8通道模拟量输入模块说明书:[3]
2026-02-18 09:18:17
本篇为《亚当ARK-24017F 8通道模拟量输入模块说明书》,主要介绍该产品的使用方法以及常见故障解决方案。
(共篇)
上一篇:
|
下一篇:
声明:
本网站引用、摘录或转载内容仅供网站访问者交流或参考,不代表本站立场,如存在版权或非法内容,请联系站长删除,联系邮箱:site.kefu@qq.com。
相关推荐
安装Cyber Ark server
阅读量:80
研祥ARK-8017DHI帯隔离16位差分8路模拟量输入模块说明:[4]
阅读量:117
研祥ARK-8017DHI帯隔离16位差分8路模拟量输入模块说明:[5]
阅读量:42
研祥ARK-8050DH 7路数字输入8路数字输出模块说明书:[1]
阅读量:44
研祥ARK-8050DH 7路数字输入8路数字输出模块说明书:[3]
阅读量:95
猜你喜欢
核桃花的功效与作用
什么时候买车最划算
紫苏油的功效与作用
红薯的功效与作用
营销知识
焦山楂的功效与作用
烟酰胺的功效与作用
幼儿园运动会加油稿
维生素d3的作用及功能
幼儿园运动会反思
猜你喜欢
什么是linux
玉米粥的功效与作用
倍他乐克的作用
一点红的功效与作用
表现手法有哪些及作用
缩泉丸的功效与作用
知识产权律师
放学后运动短裤和教室
什么是3c产品
什么是奇数和偶数