小度生活
首页
美食营养
手工爱好
生活家居
返回
小度生活
首页
美食营养
游戏数码
手工爱好
生活家居
健康养生
运动户外
职场理财
情感交际
母婴教育
时尚美容
知识问答
生活知识
搜索
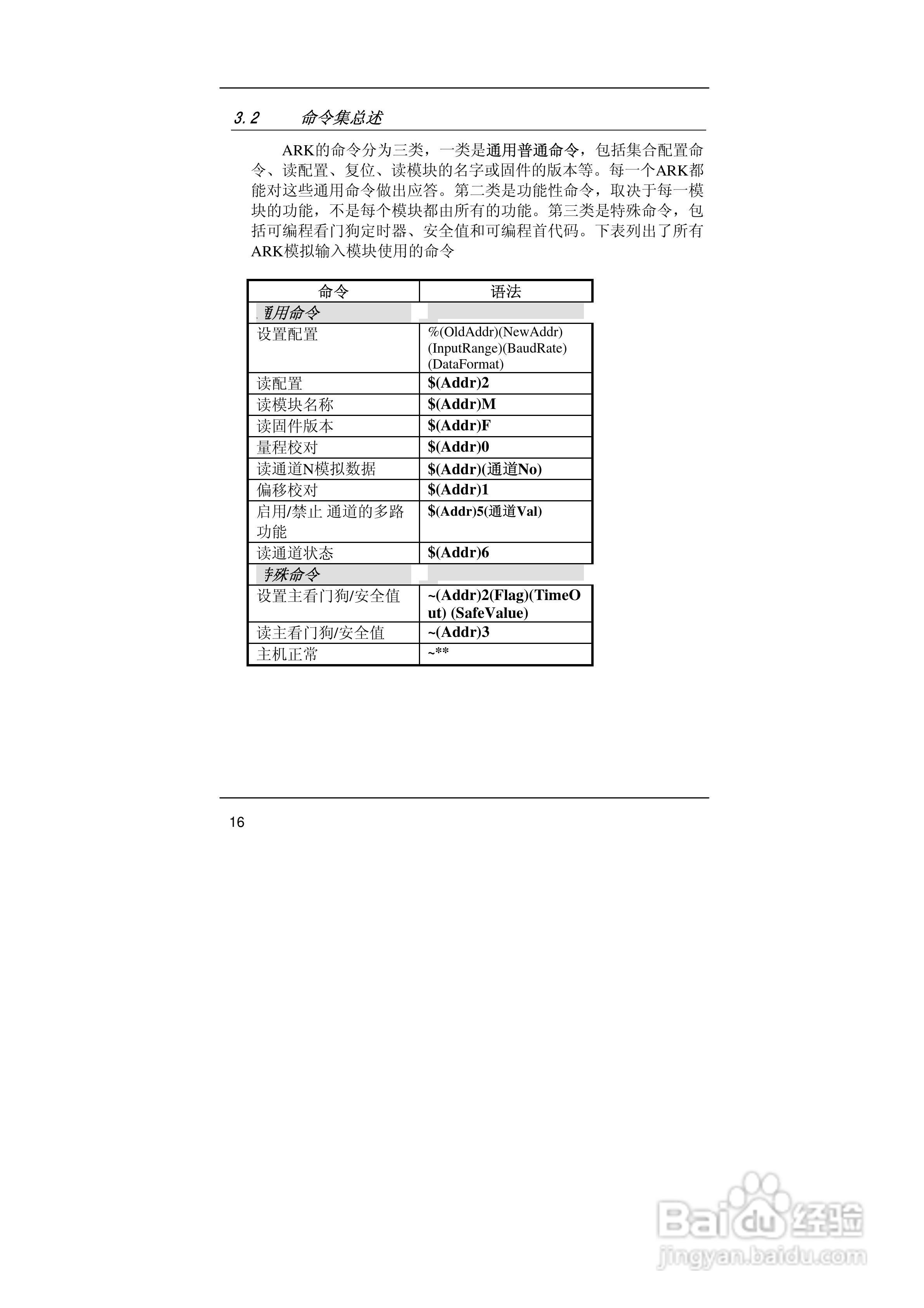
亚当ARK-24017F 8通道模拟量输入模块说明书:[2]
2025-10-27 14:40:46
本篇为《亚当ARK-24017F 8通道模拟量输入模块说明书》,主要介绍该产品的使用方法以及常见故障解决方案。
(共篇)
上一篇:
|
下一篇:
声明:
本网站引用、摘录或转载内容仅供网站访问者交流或参考,不代表本站立场,如存在版权或非法内容,请联系站长删除,联系邮箱:site.kefu@qq.com。
相关推荐
安装Cyber Ark server
阅读量:112
研祥ARK-8017DHI帯隔离16位差分8路模拟量输入模块说明:[4]
阅读量:79
研祥ARK-8017DHI帯隔离16位差分8路模拟量输入模块说明:[5]
阅读量:53
研祥ARK-8050DH 7路数字输入8路数字输出模块说明书:[1]
阅读量:27
研祥ARK-8050DH 7路数字输入8路数字输出模块说明书:[3]
阅读量:86
猜你喜欢
match是什么意思
肃穆什么意思
this是什么意思
殉职的意思
ost是什么意思
遗孀是什么意思
影影绰绰的意思
first是什么意思
偏财是什么意思
制霉素片的作用
猜你喜欢
什么时候是万圣节
eric什么意思
什么是产值
唐诗宋词元曲明清什么
造化弄人什么意思
克林霉素的作用
以身作则的意思
rap是什么意思啊
强基计划是什么意思
吹喇叭什么意思