小度生活
首页
美食营养
手工爱好
生活家居
返回
小度生活
首页
美食营养
游戏数码
手工爱好
生活家居
健康养生
运动户外
职场理财
情感交际
母婴教育
时尚美容
知识问答
生活知识
生活百科
搜索
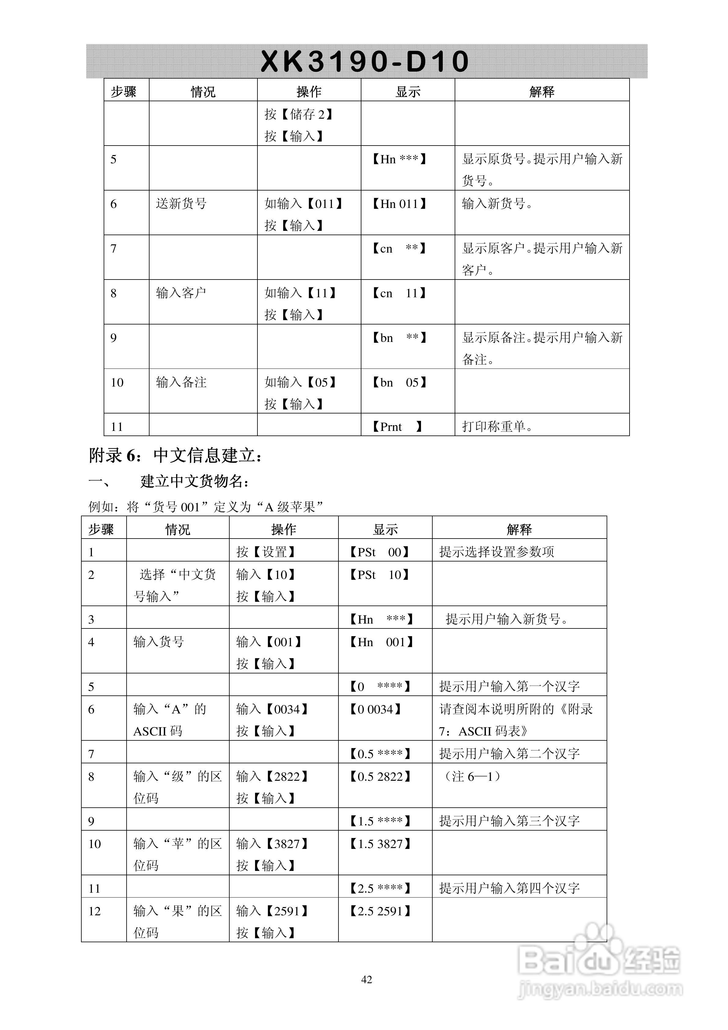
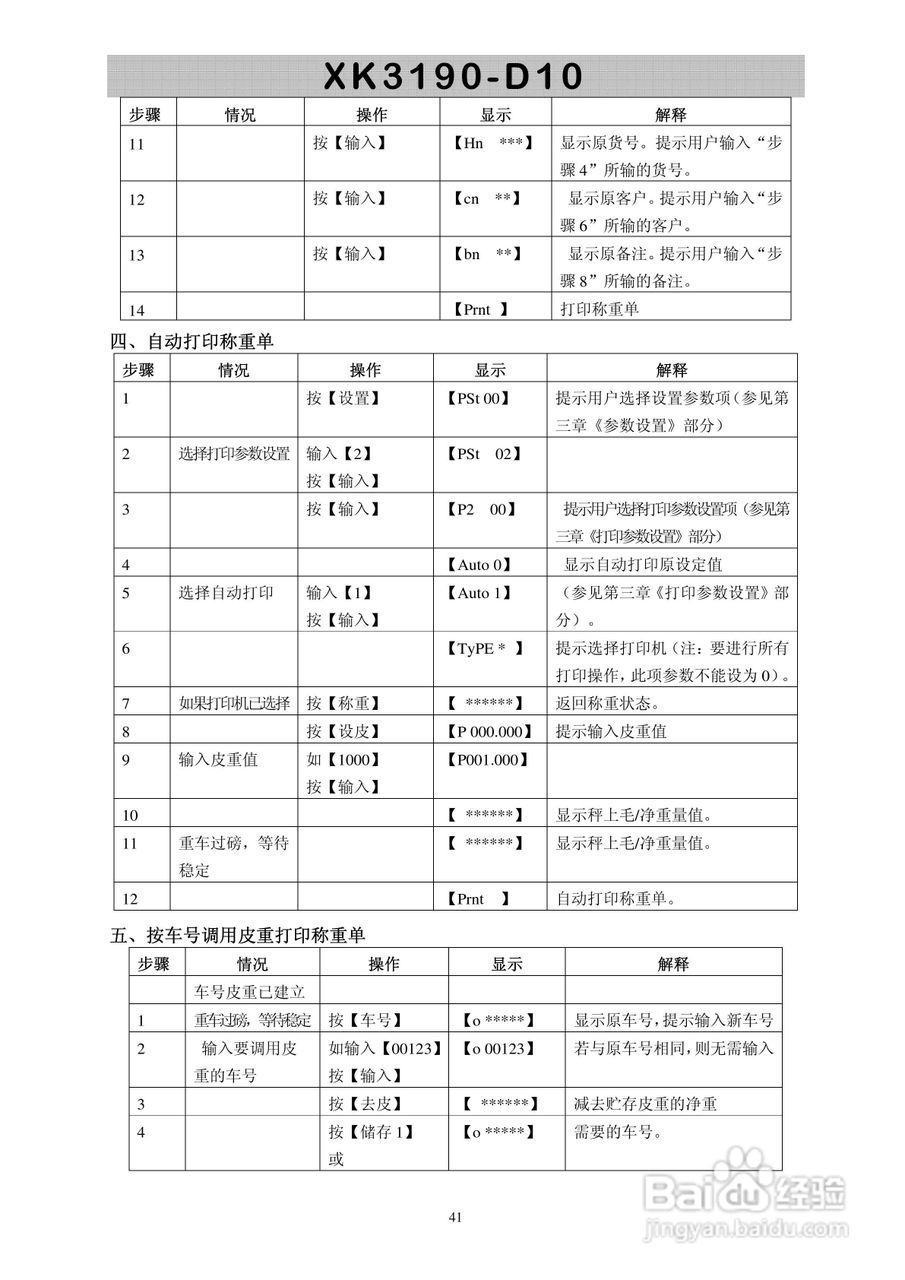
XK3190-D10型称重仪表显示器使用说明书:[5]
2026-03-30 15:43:14
本篇为《XK3190-D10型称重仪表显示器使用说明书》,主要介绍该产品的使用方法以及常见故障解决方案。
(共篇)
上一篇:
|
下一篇:
声明:
本网站引用、摘录或转载内容仅供网站访问者交流或参考,不代表本站立场,如存在版权或非法内容,请联系站长删除,联系邮箱:site.kefu@qq.com。
相关推荐
如何办理建筑智能化资质?
阅读量:123
一体机滚筒溢墨是什么原因,如何解决
阅读量:51
萤石DL30VS视频锁安装教程
阅读量:195
松鲷的鉴别方法
阅读量:192
华为p20怎么升级为鸿蒙系统
阅读量:178
猜你喜欢
家常豆腐的做法视频
汽车品牌标志大全
惩罚女朋友最疼最污的方法
猴子图片大全大图
蓝屏怎么办
心衰的最佳治疗方法
肚子里有胀气怎么办
怎么覆盖文件
怎么样提高记忆力
高中物理公式大全
猜你喜欢
360怎么重装系统
牙龈痛怎么快速止痛
股藓的最佳治疗方法
炒米粉怎么做好吃
蒸肉饼的家常做法
降血压方法
面向对象方法
好吃的家常菜
你比划我猜题目大全
速读方法