小度生活
首页
美食营养
手工爱好
生活家居
返回
小度生活
首页
美食营养
游戏数码
手工爱好
生活家居
健康养生
运动户外
职场理财
情感交际
母婴教育
时尚美容
知识问答
生活知识
生活百科
搜索
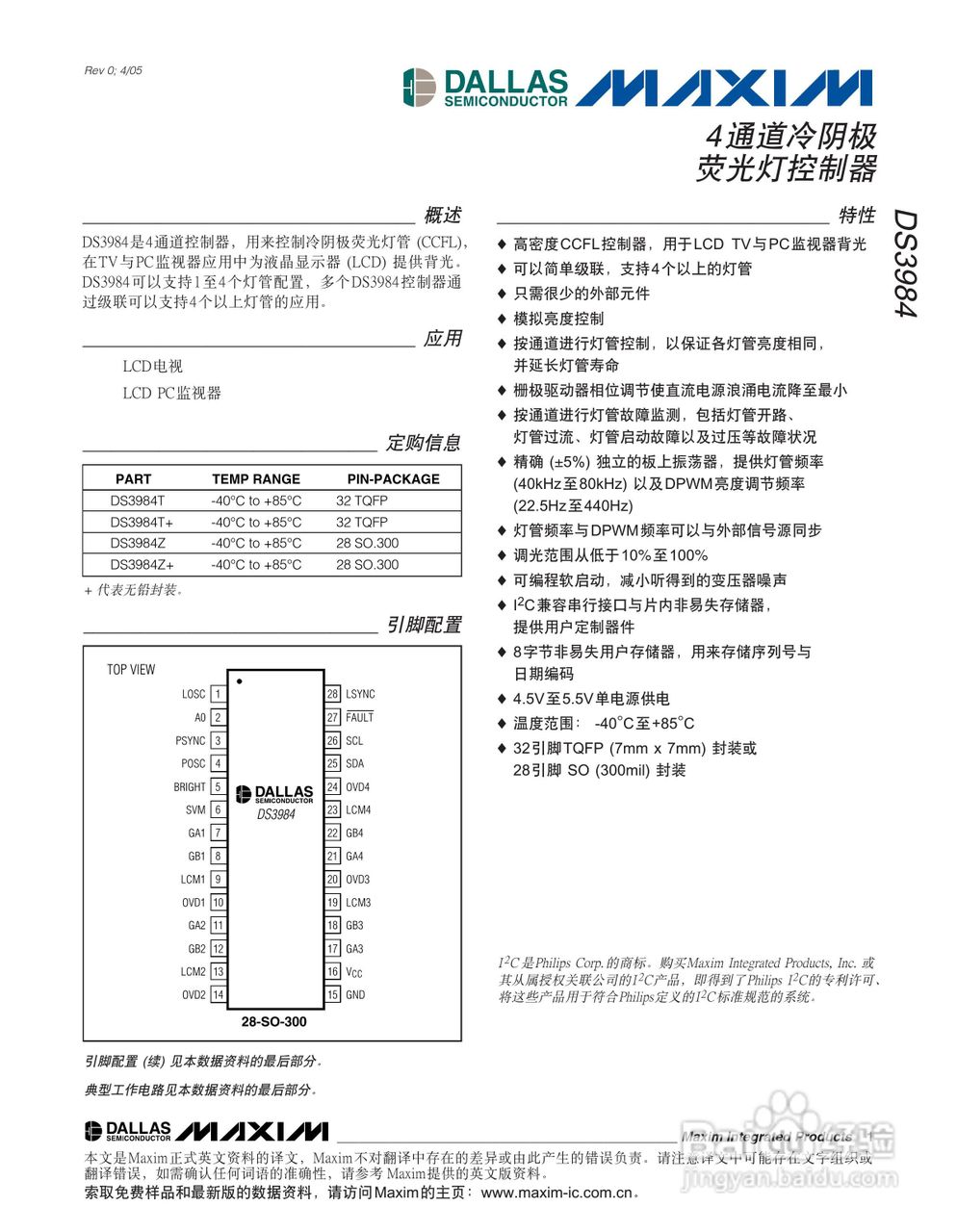
MAXIM DS3984是4通道控制器说明书:[1]
2026-03-29 09:15:37
本篇为《MAXIM DS3984是4通道控制器说明书》,主要介绍该产品的使用方法以及常见故障解决方案。
(共篇)
下一篇:
声明:
本网站引用、摘录或转载内容仅供网站访问者交流或参考,不代表本站立场,如存在版权或非法内容,请联系站长删除,联系邮箱:site.kefu@qq.com。
相关推荐
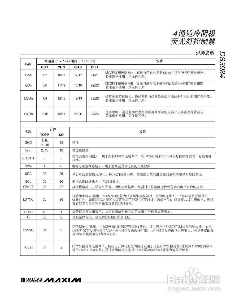
MAXIM DS3984是4通道控制器说明书:[2]
阅读量:157
MAXIM MAX9967驱动器说明书:[1]
阅读量:84
MAXIM DS87C550微控制器说明书:[4]
阅读量:143
MAXIM MAX6968串行接口LED驱动器说明书:[1]
阅读量:188
MAXIM DS87C550微控制器说明书:[3]
阅读量:122
猜你喜欢
慢跑能减肥吗
3337减肥法
去三亚旅游攻略
对不起的英语怎么写
纳木错旅游攻略
红烧排骨的做法
郑州职业技术学院怎么样
常州恐龙园攻略
减肥期间吃什么水果
红烧秋刀鱼
猜你喜欢
联通的宽带怎么样
长沙旅游攻略
儿童便秘怎么调理
跑步减肥的最佳时间
直男被攻略手册
红烧牛肉的做法
鞋拔子怎么用
火麻油怎么吃
我的世界怎么登陆
色彩搭配原理与技巧