小度生活
首页
美食营养
手工爱好
生活家居
返回
小度生活
首页
美食营养
游戏数码
手工爱好
生活家居
健康养生
运动户外
职场理财
情感交际
母婴教育
时尚美容
知识问答
生活知识
生活百科
搜索
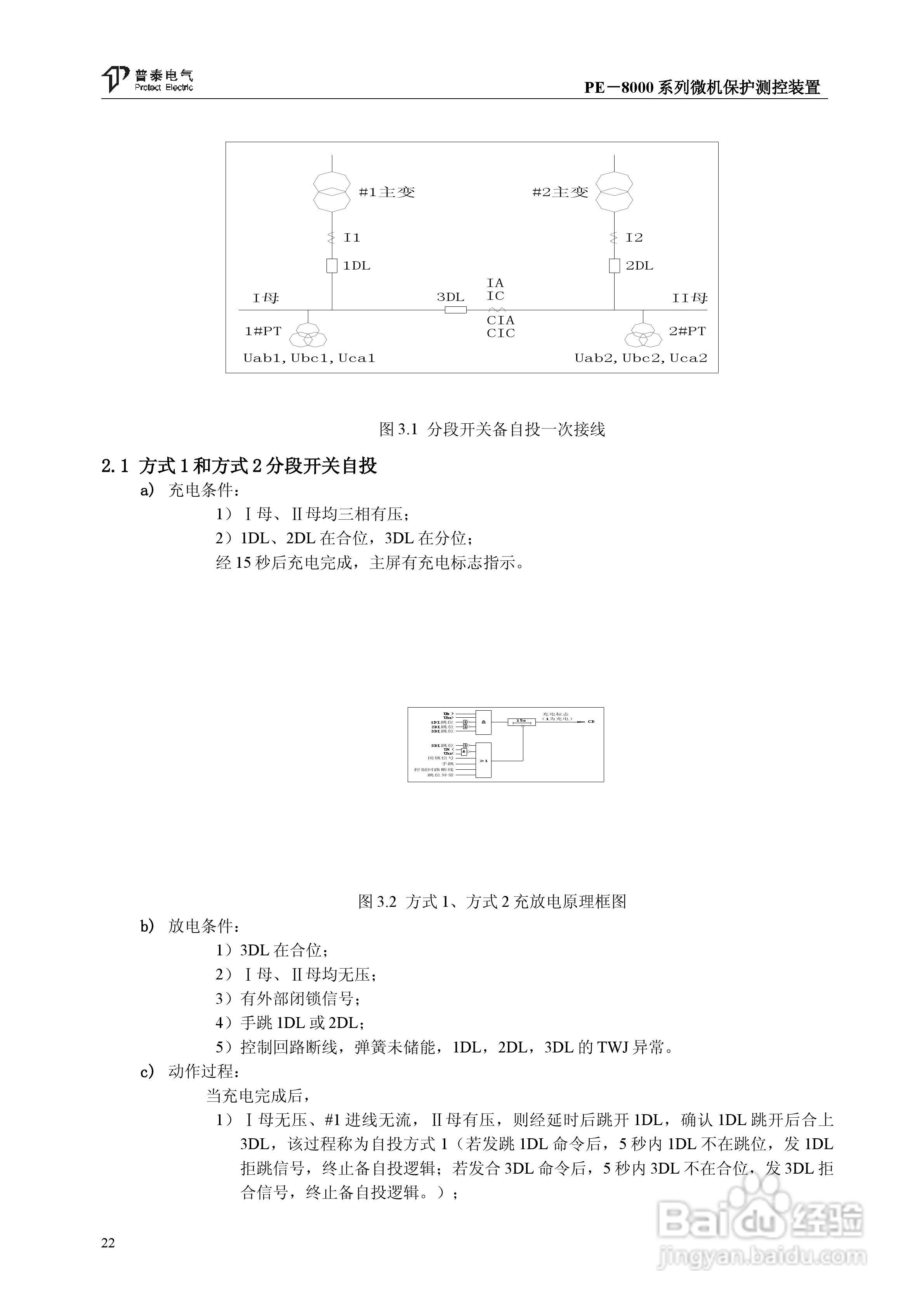
PE-8000系列微机保护测控装置使用说明书:[3]
2026-03-25 08:43:07
本篇为《PE-8000系列微机保护测控装置使用说明书》,主要介绍该产品的使用方法以及常见故障解决方案。
(共篇)
上一篇:
|
下一篇:
声明:
本网站引用、摘录或转载内容仅供网站访问者交流或参考,不代表本站立场,如存在版权或非法内容,请联系站长删除,联系邮箱:site.kefu@qq.com。
相关推荐
PE-8000系列微机保护测控装置使用说明书:[4]
阅读量:99
NF-800系列微机保护测控装置及系统使用说明书:[4]
阅读量:123
NF-800系列微机保护测控装置及系统使用说明书:[5]
阅读量:165
WXH-820A微机线路保护测控装置技术及使用说明书:[3]
阅读量:36
NZB610系列微机测控装置使用说明书:[3]
阅读量:144
猜你喜欢
端午节大全简单又漂亮
壮阳药酒配方大全
鼻子干疼怎么办
粽子馅料大全
广场舞曲歌曲大全100首
草鱼怎么做才好吃
含有反义词的成语大全
啪嗒啪嗒的视频大全在线
数字骂人大全
30字日记大全
猜你喜欢
李菁菁个人资料简介
摘抄大全
怎么设置电脑自动关机
百度图片大全
何香凝简介
360手机怎么样
熊猫的知识资料大全
甲鱼的做法大全
邓稼先简介
青春痘疤痕怎么办