小度生活
首页
美食营养
手工爱好
生活家居
返回
小度生活
首页
美食营养
游戏数码
手工爱好
生活家居
健康养生
运动户外
职场理财
情感交际
母婴教育
时尚美容
知识问答
生活知识
生活百科
搜索
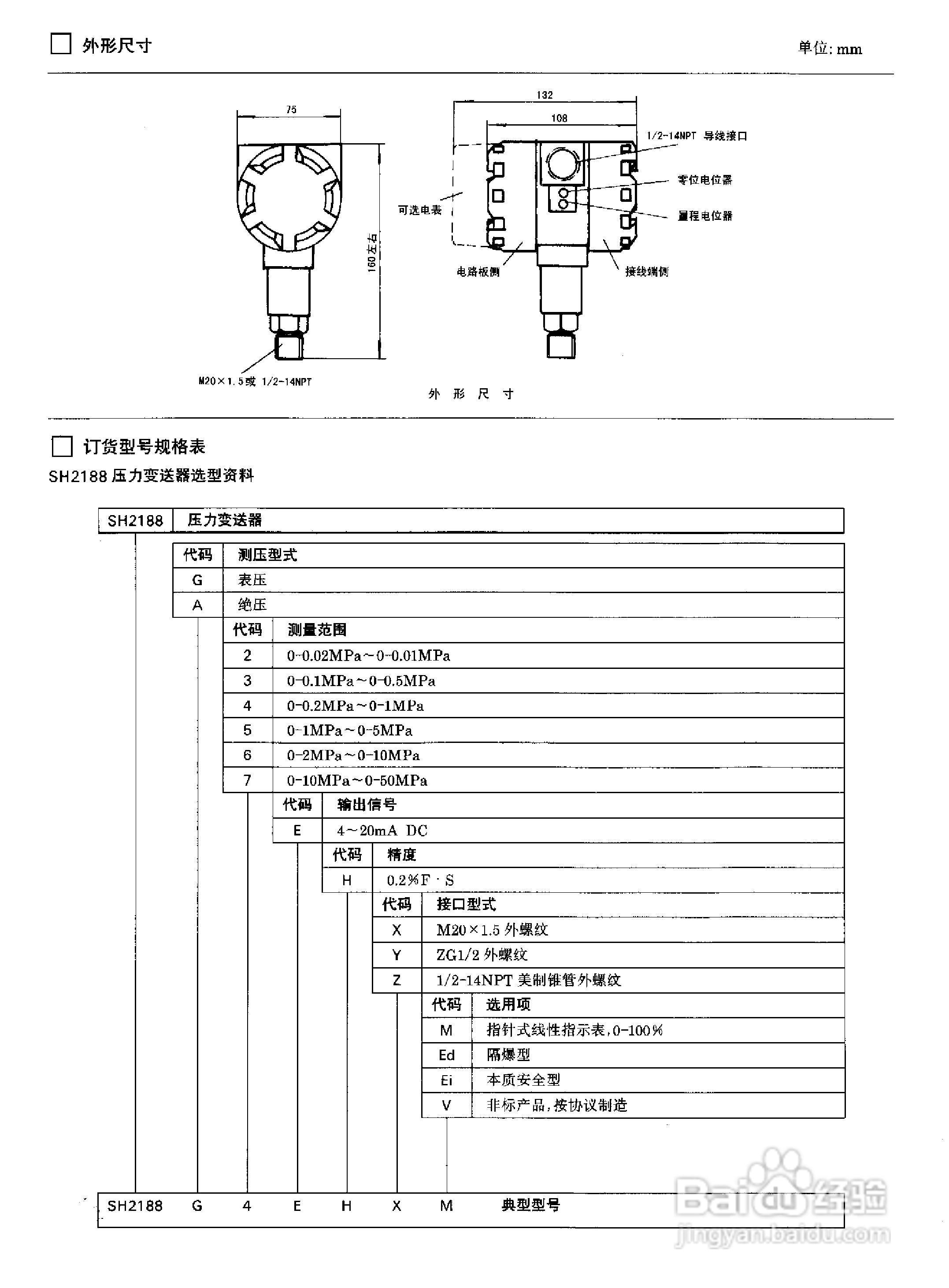
ST3000-S900系列全智能压力、差压变送器说明书:[7]
2026-04-19 02:16:08
本篇为《ST3000-S900系列全智能压力、差压变送器说明书》,主要介绍该产品的使用方法以及常见故障解决方案。
(共篇)
上一篇:
|
下一篇:
声明:
本网站引用、摘录或转载内容仅供网站访问者交流或参考,不代表本站立场,如存在版权或非法内容,请联系站长删除,联系邮箱:site.kefu@qq.com。
相关推荐
ST3000-S900系列全智能压力、差压变送器说明书:[6]
阅读量:159
S900-PMS电力监控系统说明书:[4]
阅读量:176
S900-PMS电力监控系统说明书:[3]
阅读量:126
差压变送器安装方法
阅读量:74
S900-PMS电力监控系统说明书:[2]
阅读量:93
猜你喜欢
干咳是什么症状
烤箱什么牌子好
iphone是什么意思
92和95号汽油有什么区别
sunshine什么意思
沉沦是什么意思
雅思是什么
泪痣代表什么
云计算是什么意思
q235a是什么材料
猜你喜欢
头孢和酒一起喝有什么后果
咖啡什么时候喝最好
8月1日是什么星座
dvvt发动机是什么意思
什么是物联网
sum是什么意思
1900年中国发生了什么
肝火旺盛有什么症状
提存是什么意思
日本豆腐是什么材料